Ветрогенераторы и контроллеры заряда АКБ
Если механический ветряк вполне возможно сделать самостоятельно, можно ли сделать своими руками ещё и контроллер ветряка?
Чтобы иметь какое-то представление о контроллерах ветрогенераторов и успешно воспроизводить такую технику своими руками, не лишними будут базовые сведения об этих приборах.
Контроллер заряда аккумуляторной батареи для ветрогенератора небольшой мощности. Контроль некоторых параметров системы осуществляется через встроенный в конструкцию жк-дисплей
Контроллер, обслуживающий аккумуляторные батареи, призван в первую очередь управлять процессом заряда АКБ. Это его основная функция, но ее условно следует разделить ещё на целый ряд подфункций.
Например, одним функционалом отслеживается ток заряда и ток саморазряда. Другой функционал реализует действия, направленные на измерение температуры и давления. Третий отвечает за компенсацию разницы энергетических потоков, когда одновременно с потреблением тока нагрузкой осуществляется заряд АКБ.
Приборы промышленного изготовления наделены полноценным функционалом. А вот относительно любительских конструкций такого не скажешь. Устройства, выполненные на базе простейших схемных решений в домашних условиях своими руками – это контроллеры, далёкие от совершенных моделей.
Тем не менее, они работают и достаточно продуктивно позволяют эксплуатировать ветрогенераторы. Как правило, в самодельных конструкциях реализована лишь одна функция – защита от перенапряжения и от глубокой разрядки.
Одна из многочисленных вариаций контроллеров для ветряков, изготовленных своими руками. Такие конструкции отличаются незамысловатыми техническими решениями и простейшим исполнением монтажа
Почему внедрение контроллера в систему ветряка является обязательным моментом? Потому что в режиме энергетической подпитки АКБ без применения контроллера следует ожидать неприятных последствий:
- Деградацию структуры аккумулятора по причине неконтролируемых химических процессов.
- Неконтролируемый рост давления и температуры электролита.
- Утрату аккумулятором свойств подзарядки в связи с имеющим место долговременным разрядом.
Контроллер заряда для схемы ветрогенераторной установки выполняется, как правило, в виде отдельного электронного модуля. Этот модуль съёмный и быстро отключаемый. Приборы промышленного изготовления обязательно оснащаются индикацией режимов и состояний – световой или визуально передаваемой через дисплей.
На практике могут применяться два вида устройств – встраиваемые непосредственно в корпус ветрогенератора и подключаемые к аккумуляторной батарее.
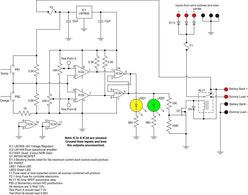
Электрическая схема контроллера заряда ветрогенератора своими руками
Чтобы изготовить прибор самостоятельно, вам необходимо владеть навыками сборки электроприборов. У этого устройства сложная схема, и неправильная сборка может привести к выведению из строя всех подключенных к сети приборов, в том числе и ветровую установку. Если вы не уверены в своей квалификации, лучше купить заводской прибор. Цена на рынке стартует от 4000 рублей. Устройства китайского производства могут обойтись в 1000 рублей. Цена зависит от страны производства и укомплектованности устройства.

Что понадобится для самостоятельной сборки:
- схема устройства, соответствующая техническим характеристикам вашего ветряка;
- комплектующие для сборки схемы (регуляторы, лампочки, резисторы, провода);
- рисунок монтажной платы (сделать самостоятельно).

Дальнейшие действия — дело техники. Нужную схему можно найти в интернете. Перед поисками определите необходимую мощность и напряжение для вашей ветровой установки, и от этого отталкивайтесь в подборе схемы инвертора. Если у вас самодельный ветрогенератор, измерьте его мощность и напряжение самостоятельно. Для этого вам понадобится мультиметр (функция измерения тока). Сила тока и напряжение меряются в проводе от ветряка. Умножьте друг на друга эти величины и получите мощность ветровой установки (в Ваттах).

На самой схеме в условных обозначениях будет написано, какие комплектующие и в каком количестве вам понадобятся. Все это продается в магазинах электрики. Некоторые элементы, например, светодиодные лампочки или провода, можно извлечь из ненужных вам приборов. После этого нарисуйте монтажную плату, продумав, где будет находиться каждый элемент прибора в соответствии с требованиями схемы. Соберите устройство и протестируйте.
Окончание сборки ветряной установки
Для изготовления рамы генератора используется профильная труба, для хвоста – оцинкованная жесть. Конструкция поворотной оси состоит из трубки с двумя подшипниками. Крепление генератора к мачте осуществляется таким образом, чтобы расстояние от мачты до лопастей составляло не менее 25 см. В целях обеспечения безопасной сборки и монтажа, все работы следует выполнять в безветренную погоду. Сильный ветер может погнуть лопасти, и они разобьются о мачту.
Если для питания потребителей, работающих от сети 220 вольт, планируется использовать аккумуляторы, то в этом случае потребуется установка инвертора, выполняющего преобразование напряжения. Емкость аккумуляторной батареи подбирается в зависимости от технических характеристик генератора. На этот показатель оказывают влияние скорость ветра в данной местности, общая мощность подключаемых потребителей и частота их использования.
Для того чтобы предотвратить выход аккумуляторов из строя под влиянием чрезмерной зарядки, необходимо использовать контроллер напряжения, который бывает самодельный или заводского изготовления. Готовый ветряной генератор необходимо периодически обслуживать и своевременно производить регламентные работы.
Автомобильный инвертор с 12 на 220
АВР для генератора
Электромагнитный генератор
Генератор переменного тока: принцип работы
Генератор Тесла
Устройство генератора: принцип работы
Преимущества ветряных установок
- Не требуют платы за используемые источники энергии;
- Достаточно автономны;
- Ветряная установка может эксплуатироваться в большинстве регионов;
- Долговечны, не требуют частых замен и ремонта;
Альтернативная энергетика активно развивается и уже сейчас понятно, что у ветрогенераторов большое будущее. Они полностью автономны, не требуют невозобновляемых источников энергии и не загрязняют окружающую среду. Когда-нибудь частный жилой дом с ветряной установкой и солнечными панелями будет выглядеть вполне обыденно.
Генератор для дома — назначение устройства, подбор мощности и советы по ремонту основных типов генераторов
Ветряные электростанции для дома: подбор современных моделей и расчет их эффективности + инструкция как сделать своими руками
Бензиновый генератор — выбор, подключение и установка современных устройств. Рейтинг лучших генераторов для дома 2021 года!
Крепление магнитов
Магниты следует фиксировать на роторных дисках. Для стандартной ступицы будет достаточно 20 магнитов типоразмера 25х8 мм. Магниты необходимо располагать с чередованием полюсов.
Лучше сделать бумажный шаблон, который приложить к диску, и по нему разместить магниты.
В идеале следует использовать магниты прямоугольной формы. Перед нанесением промаркируйте каждый магнит по полюсам, чтобы не запутаться при чередовании.
Притягивающие стороны – это «+», отталкивающиеся – «-». Магниты нужно крепить надежным клеем. Для дополнительной фиксации сверху их следует залить эпоксидной смолой.
Конструкция и принцип работы ветротурбин
Ветровые генераторы представляют собой спецустройства, которые трансформируют кинетическую энергию ветра в электрическую. Это независимые источники электроэнергии, которые отлично подходят для установки в частных жилых домах, на небольших и средних фермерских хозяйствах, производственных базах.
Конструкция стандартной мини-электростанции для бытового использования включает такие функциональные элементы:
- Лопасти аэродинамической формы для улавливания ветра.
- Генератор для продуцирования переменного тока.
- Контроллер для автоматического управления ветряной станцией. Позволяет регулировать подзарядку аккумуляторов, распределяет потоки энергии между устройствами.
- Накопитель. Специальные аккумуляторные батареи для накопления сгенерированного электричества.
- Инвертор для приведения параметров вырабатываемой энергии к сетевым стандартам.
- Мачта, приподнимающая лопасти на определённую высоту над уровнем земли.
Мачты бывают разными: свободностоящие без растяжек, жёстко зафиксированные и поворотные на растяжках. Последние могут опускаться и подниматься для обслуживания, а также проведения ремонтно-восстановительных работ.
Под воздействием ветра лопасти, насаженные на генераторный вал, начинают вращаться, способствуя запуску ротора. В результате происходит преобразование кинетической энергии воздушных потоков в механическую, а потом и в электрическую энергию. Так выглядит сильно упрощённая схема работы ветряка
В действительности энергия от ветряной электростанции напрямую к потребителю не поступает. В системе обязательно должны быть подключены специальные приборы для преобразования электротока.
В цепи после генератора размещается контроллер. Он конвертирует переменный ток в постоянный. В таком виде электричество аккумулируется и сохраняется в батареях, а потом от них через инвертор, который трансформирует постоянный ток в переменный, энергия подаётся в частную электросеть.
Такая схема даёт возможность сгладить нестабильность напряжения, а также накапливать энергию в периоды полного отсутствия потребления. А это, в свою очередь, позволяет задействовать ветряные генераторы меньшей мощности, чем суммарная мощность бытовых электроприборов.
В ходе конвертации электротока по схеме переменный-постоянный-переменный происходят определённые потери энергии, которые составляют примерно 20%
Вместе с автономной ветряной станцией можно устанавливать и солнечные модули, и топливные генераторы.
Если задействовано сразу несколько устройств для получения электричества, схему дополняют ещё одним элементом – автоматическим выключателем (ABP). Он необходим, чтобы при отключении одного источника альтернативной энергии запускался другой – резервный.
В составе современных ветряных станций используются различные конструкции роторов – вращающихся частей. Они имеют свои преимущества и недостатки, разную эффективность и функциональные возможности. В настоящее время существует много разработок автономных систем, способных взаимодействовать с ветрами разной скорости и силы.
Как сделать ветрогенератор своими руками
Основой создания ветрогенератора является грамотно сделанный проект и подготовленный чертёж
Это очень важно, потому что без чёткого представления о том, как должен выглядеть прибор, будет трудно построить его правильно, не нарушив порядок монтажа всех элементов
Чертежи и схемы
Начинать нужно с составления общего эскиза ветротурбины, пометив ключевые элементы: башню, генератор, деревянное основание, лопасти и ступицу, которая соединяет их вместе. Самостоятельно составленная схема может быть не сильно подробной: в этом нет необходимости. Её следует использовать для общего представления о том, каким будет расположение различных частей ветряного двигателя, и как конструкция будет выглядеть на завершающих этапах.
Схема сборки ветроэлектрического генератора
После подготовки схемы нужно выставить правильные размеры ветрогенератора. Они должны включать в себя высоту, длину и ширину деревянного основания, которое соединяет генератор и хвостовой плавник с башней. Также определить размеры для лопастей из металлических труб или труб из ПВХ, в зависимости от того, какой материал будет использоваться. Отдельные измерения нужны для хвостового плавника: высота, ширина и длина, а также диаметр – для лезвий, которые определяют размер ветровой турбины.
После того как будет готов чертёж и черновой набросок устройства с выставленными размерами, можно переходить к подготовке материалов и инструментов для работы.
Принцип действия
Контроллеры, используемые в составе ветровых установок, это сложные технические устройства, которые выполняют следующие функции:
- Осуществляет контроль за зарядом аккумуляторных батарей (АКБ), являющихся накопителем вырабатываемой электрической энергии.
- Преобразует вырабатываемый ветрогенератором переменный электрический ток в постоянный, который является рабочим током, для аккумуляторов.
- Контролирует повороты лопастей ветровой установки.
- Осуществляет перенаправление вырабатываемого электрического тока, в зависимости от заряда АКБ и количеством вырабатываемой энергии.
Работа контроллеров, обеспечивающих работу ветровых установок в автоматическом режиме, осуществляется, в зависимости от их конструкции и мощности ветрогенератора, следующим образом:
1.Для ветряков большой мощности.
- В комплекте с контроллером в состав ветровой установки монтируется балластное сопротивление. В этом качестве могут быть использованы электрические ТЭНы или иные электрические резисторы, обладающие значительным сопротивлением.
- В процессе работы ветровой установки, когда напряжение на аккумуляторах достигнет значений в 14, — 15,0 Вольт, контроллер их отключает от линии питания и переключает потоки электрической энергии, вырабатываемой установкой, на балластное сопротивление.
2.Для ветряков малой мощности.
Когда заряд АКБ завершен, и значения напряжения достигли максимально возможных величин, контроллер осуществляет торможение вращения лопастей ветровой установки. Эта операция осуществляется путем замыкания фаз ветрового генератора, что и приводит к торможению и останову вращения установки.
Дополнительное электрооборудование
Как уже было сказано выше, неотъемлемой частью ветряной электростанции является аккумулятор, берущий на себя питание потребителей. при его выборе нужно помнить, что чем больше его емкость, тем дольше он сможет поддерживать напряжение в сети, но при этом и дольше будет заряжаться. Приблизительное время работы можно определить как то время, за которое исчерпается половина емкости аккумулятора (после этого падение напряжения станет уже ощутимым, кроме того, глубокий разряд снижает ресурс свинцово-кислотных батарей).
Пример: Так, аккумулятор емкостью 65 А*ч условно сможет отдавать в нагрузку 30-35 ампер-часов энергии. Много это или мало? Обычная лампа освещения мощностью 60 ватт потребует, с учетом наличия инвертора, преобразующего 12 В постоянного тока в 220 В переменного и имеющего собственный КПД в пределах 70%, тока в 7 ампер — это чуть больше четырех часов работы. Восстанавливать же растраченную энергию наш ветряк с условной мощностью 90 ватт даже в лучшем случае, при постоянном сильном ветре, будет не менее пяти часов. Как вы видите, при использовании ветрогенератора исключительно как автономного источника энергии электричество в вашем доме будет доступным лишь на несколько часов в день.
Вторым узлом системы электроснабжения становится инвертор. В нашем случае можно использовать как готовый автомобильный, так и извлеченный из источника бесперебойного питания
В любом случае важно не перегружать его потреблением тока, учитывая, что реальная эксплуатационная мощность его в 1,2-1,5 раза меньше указываемой максимальной мощности
Как вы можете видеть, привлекательность использования даровой энергии упирается во многочисленные ограничения, и даже единственный эффективный в средней полосе России вариант — ветрогенератор — неспособен обеспечивать длительную автономность.
Но вместе с тем эта идея неплоха и как источник аварийного электропитания и, особенно, как конструкторская задача — удовольствие от создания своими руками ветрогенераторной установки может в разы превосходить ее мощность.
Агрегат аксиального типа
Так как рынок насытился неодимовыми магнитами, стоимость этих изделий значительно снизилась. В результате можно на их основе собрать эффективный ветряк. Основой аксиального генератора станет ступица с тормозными дисками от машины. Перед началом работ ее необходимо очистить, проверить и смазать подшипники, а также покрасить.
Установка магнитов
Всего потребуется около 20 магнитов размера 20х8 мм. При желании можно использовать и большее количество этих изделий. Однако в такой ситуации следует руководствоваться двумя правилами:
- Если генератор будет однофазный, то число магнитов должно соответствовать количеству полюсов.
- Для трехфазного устройства следует придерживаться соотношения полюсов и катушек соответственно 2/3 или 4/3.
Магниты просто наклеиваются на диски ротора, но при этом их полюса должны чередоваться. Чтобы все сделать правильно, стоит предварительно изготовить шаблон-шпаргалку. Предпочтение следует отдать магнитам прямоугольной формы, так как при работе они создают магнитное поле по всей длине. Также следует отметить, что противостоящие магниты должны иметь разные полюса.
Выбор типа генератора
При сравнении одно- и трехфазного устройства, предпочтительнее выглядит второе. Одним из основных недостатков однофазного генератора являются вибрации, возникающие при работе. Причина их появления кроется в разнице амплитуд тока, так как его отдача происходит неравномерно. Благодаря компенсации фаз в трехфазной модели, поддерживается постоянная мощность.
Кроме этого отдача однофазного устройства примерно на 50% меньше. На этом преимущества 3-фазного генератора не заканчиваются. Так как при его работе не возникает вибрация, то шумовые показатели всей ветряной установки будут существенно ниже. При этом не стоит забывать и об увеличении срока эксплуатации, если выбор пал на трехфазную модель генератора.
Изготовление катушек
В создаваемом ветряке процесс зарядки батареи должен стартовать при частоте вращения ротора в 100−150 об/мин. Таким образом, общее число витков на всех катушках находится в диапазоне 1000−1200.Если эти цифры разделить на количество используемых катушек, то можно рассчитать число витков на каждой из них.
Следует помнить, что благодаря увеличению количества полюсов можно повысить мощность всей установки при работе на низких оборотах. На характеристики самодельного генератора серьезное влияние оказывает не только количество магнитов, но и их толщина. Общую мощность генератора можно рассчитать опытным путем. Для этого после изготовления одной катушки ее следует прокрутить в устройстве и измерить напряжение на определенном количестве оборотов без нагрузки.
Дальнейшие расчеты достаточно просты. Можно предположить, что при сопротивлении в 3 Ом на 150 об/мин на выходе получилось 27 В. Если из этого значения вычесть номинальное напряжение аккумулятора (в этом случае 12 В), получится 15 вольт. Для определения силы тока полученный результат (15 В) необходимо разделить на сопротивление катушки (3 Ом), что дает 5 ампер. Катушки необходимо между собой закрепить неподвижно, а выведенные наружу концы фаз соединяются треугольником или звездой. После сборки генератора его стоит проверить на работоспособность.
Финальный этап сборки
Высота мачты в среднем должна составлять от 6 до 12 метров, а ее основание стоит забетонировать. Ветряк монтируется на верхней части мачты и для упрощения ремонтных работ стоит предусмотреть механизм ее подъема и спуска, который будет приводиться в движение с помощью ручной лебедки.
Для изготовления пропеллера отлично подойдет труба из ПВХ с диаметром в 160 мм. Выбор формы лопастей осуществляется опытным путем, а основной задачей на этом этапе является усиление крутящего момента при работе на низких оборотах. Чтобы уберечь винт от сильных порывов ветра, его стоит оснастить складным хвостом.
Необходимые инструменты и материалы
Для изготовления самодельного ветряка потребуются такие детали:
- ротор с лопастями;
- редуктор для регулирования скорости вращения ротора;
- гелевый или щелочной аккумулятор для питания электроприборов;
- инвертор для трансформации тока;
- хвостовая часть;
- мачта.
Ротор с лопастями можно сделать самостоятельно, тогда как остальные элементы, вероятно, придётся купить или собрать из необходимых деталей. Кроме этого, для сборки самодельного ветряка потребуются такие инструменты и материалы:
- пила по дереву;
- ножницы по металлу;
- горячий клей;
- паяльник;
- дрель.
Обязательно нужны винты и болты для соединения лезвий со ступицей и для скрепления металлической трубы с деревом.
Лопасти для ветрогенератора своими руками
Изготавливая лопасти самостоятельно, стоит особое внимание уделить соблюдению заданной чертежом формы изделий. Лопасти могут быть крыльчатого или парусного типа
Второй более прост в изготовлении, но имеет невысокий КПД, что делает его неэффективным в самодельных ветрогенераторах даже средних размеров.
Для изготовления лопастей самодельного ветрогенератора подойдут такие материалы как:
- пластик;
- дерево;
- алюминий;
- стекловолокно;
- поливинилхлорид.
Устройство лопастной части ветрогенератора
Если выбирать поливинилхлорид, то для создания лопастей отлично подойдут ПВХ-трубы диаметром от 160 мм. Пластик и дерево — менее износостойкие материалы, которые под воздействием осадков и сильного ветра через несколько лет придут в негодность. Оптимальный вариант — алюминий: он прочный и лёгкий, устойчивый к разрыву и залому, невосприимчивый к влаге и повышенным температурам.
Пошаговая инструкция по изготовлению
Когда все чертежи будут составлены, а материалы и инструменты подготовлены, можно начинать собирать ветрогенератор своими руками, руководствуясь следующим порядком:
- Подготовить бетонный фундамент. Глубина ямы и объём бетонной смеси рассчитывается исходя из типа грунта и климатических условий. После заливки фундаменту нужно несколько недель, чтобы набрать нужную прочность. Только после этого можно устанавливать в него мачту на глубину 60-70 см, закрепив её растяжками.
- Поместить подготовленные лопасти в трубу, закрепить их с помощью винтов и гаек на втулке, на которую будет установлен двигатель.
- Расположить диодный мост рядом с двигателем и закрепите его с помощью саморезов. Подсоединить провод от двигателя к диодному мосту «плюс», а другой провод к отрицательному мосту.
- Закрепить вал двигателя, надеть на него втулку и плотно затянуть её против часовой стрелки.
- Уравновесить основание трубы с прикреплённым к нему двигателем и валом и отметить точку баланса.
- Закрепить основание прибора болтами.
Ветрогенератор может прослужить гораздо дольше, если покрасить не только лопасти, но основание, вал и крышку двигателя. Чтобы включить установку потребуется комплект проводов, зарядное устройство, амперметр и аккумулятор.
Плюсы и минусы
Наличие дополнительных устройств, в схеме работы ветровых установок, позволяет улучшить параметры получаемой электрической энергии.
Контроллеру, как элементу подобной схемы, присущи следующие достоинства:
- Позволяет осуществлять работу ветровой установки в автоматическом режиме.
- Использование контроллера, продлевает сроки эксплуатации аккумуляторных батарей, обеспечивая, для них, безопасные режимы работы.
- Способность наиболее полного использования вырабатываемой ветровым генератором энергии – нагрев ТЭНов, или иной нагрузки, в моменты, когда аккумуляторы полностью заряжены.
- Улучшаются условия эксплуатации ветровой установки (легкий запуск при слабом ветре и т.д.).
К недостаткам контроллера, установленного в схему работы ветрового генератора, можно отнести увеличение стоимости комплекта оборудования, а также вероятность поломки ветровой установки, работающей в автоматическом режиме, в случае выхода их строя данного элемента схемы управления.
Вероятно, Вам также понравятся следующие материалы:Самодельный ветрогенератор
Спасибо, что дочитали до конца! Не забывайте подписываться на канал, Если статья Вам понравилась!
Делитесь с друзьями, оставляйте ваши комментарии
Добавляйтесь в нашу группу в ВК:
и предлагайте темы для обсуждений, вместе будет интереснее.
Монтаж несущей конструкции и лопастей
При возведении вертикального ветряка для дома своими руками, особое внимание уделяется основе всей конструкции, так как сам агрегат следует поднять как можно выше над землей. Это потребует более серьезных финансовых вложений, но сэкономленная энергия, со временем окупит эти затраты
Чем выше конструкция, тем выше скорость ветра, следовательно, для устройства с большими габаритами и весом, требуется подготовка фундамента.

Данная установка требует основательного укрепления и надежного основания
Лопасти у любого вида устройства следует крепить под определенным углом, как у вертикальных, так и у горизонтальных устройств.

Расположение лопастей у горизонтального агрегата
Чертеж направления лопастей вертикального устройства
Лопасти небольшого прибора, выполненные из пластика. Видно, что точно своими руками
Место установки ветрогенератора
Ветрогенератор, описываемый здесь, установлен на 4-х метровой опоре на краю горы. Трубный фланец, который установлен снизу генератора обеспечивает легкую и быструю установку ветрогенератора – достаточно прикрутить 4 болта. Хотя для надежности, лучше приварить.
Обычно, горизонтальные ветрогенераторы “любят” когда ветер дует с одного направления, в отличии от вертикальных ветряков, где за счет флюгера, они могут поворачиваться и им не важно направление ветра. Т.к. данный ветряк установлен на берегу скалы, то ветер там создает турбулентные потоки с разных направлений, что не очень эффективно для данной конструкции
данный ветряк установлен на берегу скалы, то ветер там создает турбулентные потоки с разных направлений, что не очень эффективно для данной конструкции.
Разновидности и модификации вертикальных ветряков
Ортогональный ветрогенератор оборудован несколькими лопастями, расположенными на определенном расстоянии параллельно оси вращения. Эти ветряки известны также под названием ротора Дарье. Данные агрегаты зарекомендовали себя, как наиболее эффективные и функциональные.
Вращение лопастей обеспечивается их крылообразной формой, создающей необходимую подъемную силу. Однако, нормальная работоспособность устройства требует приложения значительных усилий, поэтому производительность генератора можно увеличить путем установки дополнительных статических экранов. В качестве недостатков следует отметить излишний шум, высокие динамические нагрузки (вибрация), которые нередко приводят к преждевременному износу опорных узлов и выходу из строя подшипников.
Существуют ветроустановки с ротором Савониуса, наиболее подходящие для бытовых условий. Ветровое колесо состоит из нескольких полуцилиндров, вращающихся непрерывно вокруг своей оси. Вращение осуществляется всегда в одну и ту же сторону и не зависит от направления ветра.
Минусом таких установок является раскачивание конструкции под действием ветра. За счет этого в оси создается напряжение и подшипник вращения ротора выходит из строя. Кроме того, вращение не может начаться самостоятельно, если в ветрогенераторе установлено всего две или три лопасти. В связи с этим, на оси рекомендуется закреплять два ротора под углом 90 градусов относительно друг друга.
Вертикальный многолопастный ветрогенератор относится к наиболее функциональным устройствам этого модельного ряда. Он обладает высокой производительностью при незначительной нагрузке на несущие элементы.
Внутренняя часть конструкции состоит из дополнительных статичных лопастей, размещенных в один ряд. Они сжимают воздушный поток и регулируют его направление, увеличивая, тем самым, эффективность работы ротора. Основным недостатком считается высокая цена в связи с большим количеством деталей и элементов.
Создание и установка ветрогенератора
Ветряная установка
- Первоначально требуется изготовить ветрогенератор роторного типа. Диаметр ротора напрямую зависит от средней скорости ветра в течение года. Ротор представляет собой конструкцию в виде цилиндра, лопасти у которой в сечении выглядят как дуги. Для изготовления используют листовой металл, изогнутый в виде дуги. К верхнему и нижнему диску крепятся лопасти с помощью заклепок и уголков. К нижнему диску требуется прикрепить фланец. Он предназначен для присоединения лопастей к ротору.
- Нужно взять ведро, разметить его карандашом на 4 части, аккуратно разрезать не до конца. В дне подготовить отверстия для болтов так, чтобы ось генератора была четко в центре днища ведра. Сделанные из стенок ведра лопасти нужно отогнуть под требуемым углом – в зависимости от направления и интенсивности ветра. Чем больше изгиб лопастей, тем больше скорость вращения устройства, однако и устройство быстрее может выйти из строя.
- После чего видоизмененное ведро, а именно его дно, нужно прикрепить к шкиву с помощью болтов. Места соединения нужно выбирать очень тщательно – неправильное крепление приведет к необходимости постоянно корректировать положение лопастей и регулировать вращение, что затруднительно сделать на уже установленном на мачту ветрогенераторе.
- Провода требуется присоединить к генератору. Если провод не разноцветный, то желательно обозначить разноцветными ярлычками положение проводов и их маркировку.
- После подсоединения проводов к генератору необходимо собрать цепь в распределительной коробке. Подготовленный таким образом генератор следует прикрепить на мачту, после чего провода нужно прикрепить как к генератору, так и к мачте. Генератор требуется подсоединить в цепь, а после него и аккумулятор. Нагрузку необходимо подключить, используя провода с сечением не менее 4 мм².
Правовая сторона вопроса
Самодельный ветрогенератор для дома не попадает под запреты, его изготовление и применение не влечет за собой административного либо уголовного наказания. Если мощность ветряного генератора не превышает 5 кВт, он относится к бытовым устройствам, и не требует никаких согласований с местной энергетической компанией. Тем более, не требуется уплачивать какие-либо налоги, если вы не получаете прибыль при продаже электроэнергии. Кроме того, самодельный генерирующий ветряк даже с такой производительностью, требует сложных инженерных решений: смастерить его на тек просто. Поэтому мощность самоделки редко превышает 2 кВт. Собственно, этой мощности обычно достаточно для энергоснабжения частного дома (конечно, если у вас нет бойлера и мощного кондиционера).
В данном случае, речь идет о федеральном законодательстве. Поэтому перед принятием решения об изготовлении ветряка своими руками, не лишним будет проверить наличие (отсутствие) субъектовых и муниципальных нормативных правовых актов, которые могут накладывать некоторые ограничения и запреты. Например, если ваш дом расположен на особо-охраняемой природной территории, использование ветровой энергии (а это природный ресурс) может потребовать дополнительных согласований.
Проблемы с законом могут возникнуть при наличии беспокойных соседей. Ветряки для дома относятся к индивидуальным постройкам, поэтому на них также распространяются некоторые ограничения:
- Высота мачты (даже если ветрогенератор без лопастей) не может превышать установленных в вашем регионе норм. Кроме того, могут действовать ограничения, связанные с расположением вашего участка. Например, над вами может проходить посадочная глиссада к ближайшему аэродрому. Или в непосредственной близости от вашего участка проходит линия электропередач. При падении, конструкция может повредить столбы или провода. Общие ограничения при нормальной ветровой нагрузке составляют 15 метров в высоту (некоторые самодельные ветряки взмывают на 30 метров). Если мачта и корпус устройства имеют большую площадь сечения, к вам могут предъявить претензии соседи, на чей участок падает тень. Понятно, что такие жалобы обычно возникают «из вредности», но правовая основа имеется.
- Шум от лопастей. Основной источник проблем с соседями. При работе классической горизонтальной конструкции, ветряк издает инфразвук. Это не просто неприятный шум, при достижении определенного уровня, волновые колебания воздуха оказывают неблагоприятное воздействие не организм человека и домашних животных. Самодельный генератор для ветряка, как правило, не является «шедевром» инженерной мысли, и сам по себе может издавать сильный шум. Крайне желательно официально протестировать ваше устройство в органах надзора (например, в СЭС), и получить письменное заключение о том, что установленные шумовые нормы не превышены.
- Электромагнитное излучение. Любой электроприбор излучает эфирные помехи. Возьмем, к примеру ветряк из автомобильного генератора. Для снижения уровня помех автомобильного приемника, в машине устанавливаются конденсаторные фильтры. При разработке проекта обязательно учитывайте этот момент. Претензии могут быть предъявлены не только от соседей, у которых возникнут проблемы с приемом теле радио сигналов. Если неподалеку расположены промышленные или военные приемные центры, не лишним будет проверить уровень помех в подразделении контроля радиоэлектронных помех (РЭБ).
- Экология. Звучит парадоксально: казалось бы, вы используете экологически чистый агрегат, какие могут быть проблемы? Пропеллер, расположенный на высоте 15 метров и выше, может стать препятствием на пути миграции пернатых. Вращающиеся лопасти незаметны для птиц, и они легко попадают под удар.
Что потребуется?
Наиболее распространённый вариант — использовать для самодельного генератора двигатель стиральной машины. Если в наличии нет старой «стиралки», найти такой движок можно у старьёвщиков на хозяйственном рынке, в ближайшем сервис-центре бытовой техники или специализированном магазине. Не проблема заказать такой двигатель из Китая.
И новый, и бывший в употреблении проработают долго. Мощность на 200 ватт легко переделывается под киловатт и более.

Материалы
Для сборки генератора, кроме мотора, нужны:
- неодимовые магниты размером 20, 10 и 5 мм (всего 32);
- выпрямительные диоды или диодный мост с током на десятки ампер (соблюдайте правило двукратного запаса по мощности);
- эпоксидный клей;
- холодная сварка;
- наждачка;
- жесть от боковины консервной банки.
Магниты заказываются по сети из Китая.
Инструменты
Ускорит процесс изготовления следующий инструментарий:
- токарный станок;
- ножницы;
- отвёртка с насадками;
- пассатижи.






























