Тонкости установки сифона под раковину
Если вы много лет уже не меняли сантехнику и комплектующие, то лучшим решением будет полная замена слива. Как мы уже говорили, наиболее оптимальным вариантом станет приобретение изделия из пластмассы.
Стоит отметить, что замена сифона не требует каких-либо специальных навыков. Для того, чтобы разобраться с проблемой, мы рассмотрим процесс подробнее.
Современные устройства предполагают возможность быстрого демонтажа и монтажа своими руками
Демонтируем старый слив
Перед тем, как закрепить новое устройство, потребуется демонтировать прежнее. Для этого, используя отвертку, откручивают крепежный элемент, который находится в центральной части решетки. Благодаря подобным манипуляциям старый сифон быстро снимается. Если детали прикипели друг к другу, то можно воспользоваться ацетоном.
Демонтаж старого слива
Сборка нового сифона — пошаговая инструкция
Перед тем, как начать сборку конструкции, необходимо разложить на стол детали комплекта, чтобы проверить их количество, это касается прокладок, патрубков.
Пример сборки мы будем рассматривать на основе слива от .
Сифон в разобранном виде
Шаг 1. Первым делом необходимо соединить части колбы, поэтому для начала мы фиксируем тонкую прокладку.
Она должна быть равномерно прижата с каждой стороны
Шаг 2. Теперь следует на дно конструкции закрепить крышку.
Она должна держаться без использования силиконового герметика
Шаг 3. На гофрированную трубу следует закрепить гайку.
Деталь находится в комплектации к сифону
Шаг 4. Следующим этапом на трубу необходимо закрепить прокладку в виде конуса, которая нужна для герметичности.
Острая часть прокладки должна располагаться к выходу
Шаг 5. На эту прокладку необходимо зафиксировать слив.
Необходимо плотно закрутить гайку, чтобы конструкция получилась герметичной
Шаг 6. Другая гайка и прокладка закрепляются в нижнюю часть трубы.
Прокладка фиксируется в последнюю очередь
Шаг 7. Теперь на нижнюю часть необходимо закрепить в слив.
Гайку плотно прижимают
По завершению сборки останется закрепить конструкцию под раковиной.
Как продлить жизнь сливной системе
Многие хозяйки стараются продлить жизнь каждому из своих кухонных помощников. Не исключение и сливная система мойки. Ее поломка не только парализует работу на кухне, но и может причинить немало вреда, затопив всю комнату.

 Чтобы избежать протечки, нужно проверить все части системы
Протечка сифона происходит, как правило, вследствие износа уплотнителей. Для того чтобы они служили гораздо дольше, перед установкой обязательно обработайте их специальной смазкой, можно силиконовой. Также дать течь сифон может из-за возникновения трещины на одном из патрубков или бутылке. Это происходит если перетянуть гайки при установке.
Совет! При покупке внимательно осмотрите изделие на предмет трещин и сколов, которые впоследствии могут стать причиной очень неприятной ситуации – протечки.
Для того чтобы сливная система не засорялась необходимо вовремя прочищать тело сифона от загрязнений.
Прочистка сифона
Сделать это можно несколькими способами:
- потоком горячей воды;
 - вантузом;
 - химическими средствами для очистки канализационных систем;
 - выкручиванием нижней части сифона и очищением его вручную.
 
Не забывайте о профилактических очистках и щадящих средствах. С их помощью вы сможете забыть о ремонте сливной системы на долгое время.
Дополнительные элементы конструкции
Выпускают модели со следующими конструктивными элементами:
- Донным клапаном. Это встроенная пробка для закрытия слива раковины. В автоматическом сифоне она переводится в рабочее положение нажатием. При этом пружинный механизм зафиксирует клапан. Для открытия требуется повторное нажатие. После этого клапан приподнимется. В полуавтоматических моделях управление осуществляется поворотом колеса, связанного с пробкой тросиком.
 - Отверстием для подсоединения переливной трубы. Второй ее конец выходит в верхнюю часть мойки. Таким образом, в случае переполнения сантехники вода польется не на пол, а в канализацию.
 - Патрубком для подключения стиральной или посудомоечной машины. Его наличие упрощает обвязку бытового прибора. При отсутствии данного конструктивного элемента приходится делать врезку в канализацию.
 
Существуют сифоны, подключаемые к 2 мойкам одновременно. Такая модель позволяет разгрузить пространство под сантехникой.

 Двойной сифон.
Сборка и установка сифона на мойку с переливом
В некоторых моделях раковин производители предусматривают наличие системы перелива, позволяющей защитить сантехнический прибор от переполнения водой, а помещение, в котором он установлен, – от затопления.
Сборка сифона с переливом начинается также с установки прокладки на нижний патрубок, вставляемый в отстойник (нижнюю часть изделия). Крышка отстойника прикручивается до упора, но без фанатизма, так как пластик может лопнуть от чрезмерного физического усилия.
На верхний патрубок, идущий от сифона к сливному отверстию раковины, надеваем гайку и конусную прокладку. Затем прикручиваем деталь к верхнему отверстию сифона.
Далее подсоединяется еще одна деталь, имеющая воронкообразную форму, а также располагающая боковым отводом для соединения с гофрированной трубкой перелива.
На тоненькую гофротрубку также надевают накидную гайку и конусообразную прокладку меньшего диаметра, после чего подсоединяют деталь к боковому отводу на воронкообразном узле конструкции.
Во второй конец гофротрубки вставляют верхнюю деталь в виде «лопаточки», крепящейся к переливному отверстию в раковине. Деталь имеет пластиковые пазы, которые обеспечивают надежное соединение с гофрированной трубкой перелива.
Для плотного прилегания к поверхности раковины в зоне нахождения отверстий для спуска воды на «лопаточку» надевается прямоугольный резиновый уплотнитель.
Выкручивается прижимной винт, который затем занимает свою прежнюю позицию, но уже притягивает трубку перелива к стенке раковины. Для большей герметизации некоторые мастера наносят на уплотнительные резинки слой силиконового герметика.
Вместо гофры, соединяющей сифон с системой канализации, используется гладкостенная труба серого цвета.
Подробнее о том, как собрать бутылочный сифон для раковины с переливом, показано в видеоролике:
Сборка сифона для кухонных моек
Сборку кухонного сливного устройства разберем на примере его бутылочного типа. Сифон под мойку на кухню собирается в следующей последовательности:
- На верхнюю часть корпуса сифона, в месте нахождения наружной резьбы, надевается тонкая прокладка большого диаметра. Она обеспечит герметичность прилегания съемной нижней крышки к корпусу;
 - Плотно закручивается нижняя крышка, имеющая внутреннюю резьбу;
 - На патрубок, который будет крепиться к мойке, надевается накидная гайка;
 - Снизу гайки на патрубок тупым концом надевается конусная шайба. В зависимости от того, на каком уровне будет находиться конусная шайба, регулируется глубина опускания сифона под мойку;
 - Конец патрубка вставляется в верхнее отверстие конуса, после чего накидная гайка закручивается;
 - К выходному отверстию на корпусе присоединяется сливной шланг. Для этого на патрубок шланга надевается пластмассовая гайка, а затем тупым концом надвигается конусная прокладка. Патрубок шланга вставляется в отверстие корпуса и затягивается гайкой;
 
Дополнение – установка сифона с переливом
Если ваша раковина с переливом, то установка сифона будет проводиться примерно в той же последовательности, что описана выше. За исключением того, что на этапе сборки устройства (см. шаг №2) потребуется дополнительно собрать сам перелив, как показано на фото ниже. Принцип соединения перелива с отводом патрубка точно такой же, как в предыдущей инструкции – сначала накидываем гайку, потом кольчатую прокладку тупым концом к переливу, затем вставляем перелив в отвод и затягиваем гайку.

Теперь нужно соединить раковину с переливом с помощью винтика и отвертки. Дальше действуем согласно инструкции в шаге №3 и №4.

Тонкости процесса
Отличительные особенности обустройства стокового сифона к ванной кроются в первую очередь в том, что ванная обладает не одним, а парой стоковых отверстий. Одно из них, как и положено, располагается на самом дне чаши, а второе установлено на передней стороне в верхней части изделия. Именно это второе изделие предохраняет ванную от перелива. Сифон для подключения чаши для купания к канализации состоит из таких компонентов, как:
Установка пластикового сифона.
- гофрированная гибкая пластиковая трубка, которая располагается на внешней стороне стенки изделия для обеспечения стока использованной воды прямо в канализационную трубу;
 - полимерная чаша, позволяющая обустроить сток на дне ванной;
 - колено;
 - соединительный патрубок, позволяющий обеспечить соединение сифона и канализации.
 
Для производства монтажа никаких специализированных инструментов не потребуется, в процессе производства работ понадобится:
- Гофрированная трубка.
 - Герметик силиконовый.
 - Переходник-муфта из резины.
 - Пакля или монтажная лента.
 
Отличия процесса подключения мойки от обустройства стока в ванной в том, что перед монтажом самого сифона необходимо произвести установку ободка из металла на стоковое отверстие в верхней части ванной. После того как будет установлен данный элемент. именно к нему крепится сифон с помощью специализированного болта. Как только данные манипуляции будут завершены, производится установка колена изделия и процесс соединения конструкции с центральной канализацией.
Инструкции по установке своими руками
Независимо от того, устроен ли подвесной умывальник или любой другой вид раковины, монтаж конструкции можно выполнить самостоятельно. Главное — соблюдать основные правила.
Демонтаж старого устройства
Для начала придется демонтировать старый сифон. Поскольку в нем всегда остается вода, нужно подставить емкость, чтобы туда вылилась отработанная жидкость.
После можно отсоединять патрубок. Все работы такого типа проводятся в защитных перчатках и респираторе.
Перед разбором старого сифона внимательно изучите его конструкцию.
Особенности сборки и монтажа
Для того чтобы установить устройство, нужно предварительно прочитать инструкцию и проверить комплектацию изделия. Потребуется подготовить набор инструментов, у мастера должны быть отвертка и нож, понадобится и силиконовый герметик.
Алгоритм установки:
- В слив раковины устанавливают защитную решетку из металла. На нее накладывают резиновый плоский уплотнитель. Если глубина отверстия маленькая, можно воспользоваться вместо прокладки небольшим количеством герметика.
 - На верхний бортик патрубка ставят толстую манжету из резины, но только в том случае, если она не была вклеена на этапе производства (нужно проверить).
 - В отверстие сетки вставляют длинный винт и фиксируют его так, чтобы нельзя было прокрутить фланец с установленной прокладкой.
 - Независимо от вида сифона трубку, колбу или гофру подключают к патрубку. На свободный конец изделия надевают накидную гайку резьбой вниз. Широкий край конусного уплотнителя должен быть установлен по направлению к ней, в 2,5-3 см от края.
 - Все вводится в раструб, гайку затягивают вручную.
 - Конусная прокладка фиксируется на отводной трубке, затем подключается к сливу сифона. Если диаметр труб не совпадает, применяют переходники.
 
После проверяют функционирование системы, для чего включают воду, постепенно открыв кран до максимума.
Классификация сифонов по конструкции слива
По конструктивному исполнению все сифоны можно разделить на следующие виды:
- Механические. Они имеют пластиковую или резиновую пробку для возможности перекрытия сливного канала. Здесь все манипуляции выполняются без применения любых рычагов и автоматики — вручную. Устройство очень простое, поэтому обладает длительным сроком эксплуатации.
 - Полуавтоматические. Это сложная конструкция, имеющая запорный клапан, управление которым происходит посредством тросового или рычажного механизмов. Размещают такую регулировку, как правило, на отверстии для перелива выше уровня воды. Надежность такого вида обвязки несколько ниже из-за присутствия ряда подвижных деталей и узлов.
 - Автоматические. В этом случае сифон входит в одну систему с наливным устройством. Руководит всем встроенный микропроцессор. В систему включен легко управляемый клапан типа Click-clack.
 
Автоматика позволяет выполнить наполнение ванны водой с заданной температурой и ее поддержанием. При уменьшении температуры происходит слив воды и пополнение ванной теплой водой до установленного объема.
 Так выглядит донный клапан для установки на любую ванну. Открытие и закрытие происходит путем нажатия. Модель изготовлена из латуни и имеет гальваническое покрытие
Конструкция «клик-клак» включает запорную крышку, зафиксированную на штыре. Она поднимается, когда на нее давит определенный водяной столб и образовывает зазор, через который вытекают излишки воды. Изготавливают автоматические сифоны из сплавов цветных металлов.
Полуавтоматические сифоны выпускают в 3 исполнениях. В первом переливное отверстие открывают нажатием на сливную пробку. Для удаления использованной воды простым нажатием на крышку активируют пробку перелива.
 Такой вид имеет прямоточный сифон без автоматики. Покупая устройство, следует выяснить, из какого металла изготовлены такие детали, как решетки для переливного и сливного отверстий, стяжной винт. Лучший вариант — нержавейка. Чтобы убедиться, что это так используйте магнит — обычная сталь с покрытием магнитится, а нержавеющая нет
В конструкцию полуавтоматического сифона включают специальную ручку с функцией пробки для переливного отверстия. Для открытия или закрытия его меняют положение рукоятки. Пробку оборудуют специальным механизмом, нажав на который можно как открыть, так и закрыть слив. Со временем качество работы снижается из-за образования известкового слоя.
Если в ванной установлена стиральная машина, то для ее подключения сифон должен быть металлическим, т.к. пластмасса может не выдержать высокой температуры. Рекомендуем также прочесть нюансы установки сифона для стиралки.
При выборе сифона не стоит исходить из дизайна изделия. Первое, что должен обеспечить сифон, это бесперебойная работа, направленная на качественный слив стоков в коллектор.
Конструктивно автоматический сифон отличается от полуавтоматического устройством привода пробки для слива и системой поступления воды в ванну
Виды сифонов для моек и раковин
Сифоны для раковин умывальников и кухонных моек могут быть:
- трубными;
 - гофрированными;
 - бутылочными;
 - коробчатыми.
 
В первом случае сифон выглядит как трубка, изогнутая в S-образную или U-образную форму. В нижней части конструкции имеется отверстие, которое облегчает обслуживание сантехнического устройства.
Если отверстия (ревизии) нет, то для прочищения демонтируется вся труба.
Виды сифонов для умывальников, наиболее часто выбираемых потребителями для отвода бытовых стоков в систему канализации жилого объекта
Гофрированный сифон для раковины
Гофросифон рекомендуется использовать для подсоединения раковин в ванной комнате к системе канализации.
Для кухонных моек лучше применять трубные с ревизией и бутылочные сифоны, которые легко прочищаются от осевших загрязнений без демонтажа всего устройства.
Гофрированный сифон выигрывает у своих конкурентов по стоимости и простоте установки. Гофрированный сифон благодаря своей мобильности и способности растягиваться используется повсеместно.
Гофротрубка, достигающая в длину полутора метров, позволяет выполнять монтаж сифона в самых труднодоступных местах.
В комплект поставки гофросифона входит:
- гофра с концевым патрубком диаметром 50 мм, который легко отрезается в случае, если впускное отверстие канализационной системы имеет 40-миллиметровый размер;
 - металлический слив;
 - комплект прокладок, используемых при установке металлического слива в специальное отверстие, предусмотренное в раковине;
 - длинный крепежный болт, вкручивающийся в горловину слива, а именно в резьбовое отверстие переходника сифона;
 - хомут-стяжка, позволяющий зафиксировать изогнутое положение гофрированной трубки для создания гидрозатвора.
 
Бутылочный сифон: удобная конструкция
Производители выпускают множество моделей сифонов бутылочного типа. Отличаются изделия объемными размерами и формой колбы, откручивающейся снизу.
Эту колбу называют еще стаканом или отстойником, потому что в ней оседает большая часть загрязнений, не растворяемых в воде, которые впоследствии удаляются при чистке и промывке сифона.
Сетчатые решетки, устанавливаемые дополнительно на сливное отверстие раковины, снижают количество загрязнений, попадающих в тело сифона. Частота прочистки отстойника зависит от эффективной работы сетчатого фильтра.
Сифоны в коробках для ванных с эксклюзивными интерьерами
В ванных комнатах с изысканным дизайном интерьера используют специальные сифоны, которые маскируют в коробки или в фальш-стены. При этом преследуется одна цель: скрыть все детали сифона, чтобы они не портили элитный вид ванной.
Монтаж сифонов в коробках проводится особым образом. В отверстие, имеющееся в фальш-стене, заводится отвод, а все остальные детали сифона скрывают за стенкой-коробом.
Разветвленные модели сифонов
Разветвленные модели сифонов устанавливают на мойках с двумя отделами, подсоединяющимися к разным отводам.
Также такие сантехнические устройства используют для одновременного подключения раковины и стиральной машины к системе канализации.
Сборка такого изделия проводится аналогичным способом, лишь дополняется несколькими операциями, связанными с монтажом дополнительного слива.
На кухнях к разветвленным сифонам подключают еще и посудомоечные машины, снижая тем самым количество используемой сантехнической арматуры.
Модель разветвленного сифона из ПВХ, монтируемого под двухсекционные кухонные мойки или под рядом стоящие раковины в ванной комнате
А как установить сифон для двойной мойки?
Двухсекционная мойка должна оснащаться специально предназначенным для них двойным сифоном. У таких сифонов есть два выпуска, которые объединяет один сифон, который может быть как колбообразным, так и трубчатым. Они также могут иметь отводы для стиральной или посудомоечной машины как на фото слева.
Установка производится по описанному выше принципу с той лишь разницей, что сначала нужно прикрутить два патрубка со сливом к двум раковинам, затем под раковинами нужно соединить два патрубка проводником, а потом к проводнику прикрутить остальные части устройства. При необходимости трубы нужно обрезать до нужной длины ножовкой, отшлифовав края наждачной бумагой.
- 5 шагов монтажа смесителя на кухне своими руками
 - Как выбрать смеситель для кухни
 - Ремонт кухонного смесителя своими руками
 - Выбираем мойку для кухни за 5 простых шагов
 - Установка кухонной мойки – инструкции, советы, видео
 
Инструкция по сборке

Подготавливают материал для стыковки и герметизации: силиконовый герметик и пистолет для работы с тубой. Из инструмента понадобятся:
- нож, фигурная и плоска отвертки, плоскогубцы;
 - болгарка с кругом по металлу (не всегда).
 
Вначале старое устройство снимают
Для этого откручивают гайку, сверху поворачивая против часовой стрелки, осторожно вытаскивают боковой отвод из сифона и снимают сам узел с патрубка мойки. Уплотнители необходимо убрать, поддевая их отверткой
Если не поддаются, можно срезать ножом по частям.
Нижний конец, который заделан в канализационном раструбе, вынимают, проворачивая из стороны в сторону. Сточную трубу для удобства придерживают рукой. На время замены в канализационный раструб помещают туго свернутую тряпку или газету, чтобы перекрыть запахи.
Принцип работы
Если не сильно углубляться в детали, и более простыми словами объяснить принцип действия, тогда выглядит он следующим образом. Использованная вода, находящаяся в мойке или раковине, проходит через выпуск водовода, попадает в колбу, проходит через патрубки-отстойники, и попадает в канализационные стоки.
При условии, что монтажные работы были проведены правильно, в приспособлении происходит образование водяного затвора, препятствующего попаданию неприятного запаха из канализации в жилое помещение. Возникновение неприятных запахов возможно, если сантехникой не пользовались на протяжении определенного времени. Однако они легко устраняются при смыве воды в унитазе или раковине.
При сборке конструкции обязательно все ее части соединять резиновыми конусными прокладками. Именно они отвечают за качество проделанных работ, и противодействуют протечкам. Каждая прокладка должна обладать эластичностью, при этом для ее одевания на трубу нужно приложить незначительные усилия. В случае монтажа с некачественной прокладкой, не исключена вероятность разъединения колбы изделия с трубкой, к которой она фиксируется с ее помощью.
Как выбрать сифон для раковины
Решая, какую модель сифона для раковины выбрать, необходимо принимать в расчет сочетание нескольких факторов
Обязательно следует принять во внимание:
- цену. Она не определяет качество работы устройства, хотя отражает продолжительность срока эксплуатации;
 - эстетичность. В умывальнике без пьедестала хромированные детали будут на виду и создадут определенное впечатление. При наличии пьедестала они будут скрыты, их эстетическое совершенство будет недоступно лицезрению;
 - диаметр горловины;
 - наличие перелива;
 - будет ли подключаться стиральная или посудомоечная машина, для которых понадобится дополнительный слив;
 - какое расстояние по горизонтали разделяет горловину от выхода канализации;
 - входит ли в комплект выпуск;
 - расположение относительно канализационного выхода. Если смещение превышает 2-4 см, желательно установить гофрированный сифон или бутылочный с гибкой трубой;
 - входная трубка сифона не должна иметь диаметр больший, чем у входа в канализацию. Лучше, чтобы они совпадали. При меньшем значении диаметра входной трубки понадобится переходник.
 
Выбор сифона зависит от конструктивных особенностей мойки или раковины и необходимости подключения бытовой техники к системе слива
Установка сифона для мини-раковины
Мини-раковины устанавливаются часто. Связано это не только с малыми размерами ванной или туалета. Помимо отменной функциональности, они элегантны и изящны, хорошо вписываются в дизайн помещения и не загромождают пространства. Естественно, следует выбирать только маленькие сифоны для таких раковин, чтобы не испортить общее эстетическое впечатление. Выбирая подходящее устройство, руководствуются общими соображениями в отношении качества изделия. Исключением, естественно, являются изначальные требования к размерам. Сборка и подключение такой конструкции не имеет никаких технологических особенностей.
Сифоны для раковин – простые устройства, незаметно и надежно обслуживающие человеческие бытовые потребности. Они не отличаются сложностью конструкции, не требуют особых познаний и специальных инструментов для сборки и установки. При этом могут работать безукоризненно, не нуждаясь в особенном уходе. Чтобы они работали, оправдывая наши ожидания, следует ответственно подойти к выбору необходимого типа изделия. И проследить, чтобы не нарушались несложные правила сборки, установки, обслуживания и эксплуатации.
https://youtube.com/watch?v=Bf16DwRcPpo
Сифон: его назначение и особенность конструкции
Все виды сифонов имеют практически одинаковую внутреннюю конструкцию. Различия можно увидеть только внешние, на корпусе. Задача этой установки одна — препятствовать появлению неприятного запаха из канализационной системы в помещении благодаря образующемуся внутри водяному затвору.
Сам сифон представляет собой пластиковый или металлический патрубок, или целую систему труб, в которых обязательным элементом является специальный резервуар. Во время монтажа одна сторона устройства подключается к сливному проему под раковиной, ванной или душевым поддоном. Второй конец монтируется к канализационной трубе с 50-миллиметровым диаметром.

 Устройство стандартного сифона под раковинуИсточник sales-santehnika.ru
Первым делом при смыве воды, она попадает в сифон, откуда затем перемещается в стационарный сливной стояк. Во внутренней части сифонного приспособления имеется изгиб, в котором задерживается небольшая часть воды, формирующая гидрозатвор. На верхней части сифона, которая монтируется к сливному отверстию в мойке, закрепляется сетчатый фильтр, препятствующий проникновению мусора внутрь изгиба.
 
 Компактный сифон с гибкой трубкой специально для душевой кабиныИсточник ksao.ru
Материальная основа
На сегодняшний момент, изготовители готовы предложить покупателям, два типа конструкций, исходя из материалов, которые использовались при их изготовлении:
- металлические;
 - пластиковые.
 
Изготовленные из металла
Естественно их цена может в несколько раз превосходить варианты из полимера, однако и срок эксплуатации их значительно дольше. Как правило, для производства проектировщиками выбираются латунные или бронзовые сплавы. Металлический сифон не поддается процессам коррозии, однако может окисляться. Чтобы избежать подобных проблем, их покрывают гальваническим покрытием. Конечно же, на рынке можно встретить товары из нержавеющей стали, однако они пользуются меньшим спросом, за счет своей дороговизны.
Пластиковые
В этой группе самыми дешевыми являются товары из полиэтилена. Они имеют трубную структуру, с небольшим количеством соединений. Однако более востребованными являются устройства из полипропилена. Структура основных частей более жесткая, что позволяет надежно соединять все части воедино, а также держать их первичную форму. Полимерные изделия, характеризующиеся сложной конструкцией, изготавливают только из пластика. В тех случаях, где предполагается контакт с высокими температурными режимами, все же лучше отдать предпочтение полипропилену, он менее восприимчив к такого рода воздействиям, и не расширяется.

Демонтаж ветхого сливного устройства

Если вы имеете дело с типовым пластиковым сливом отечественного производства, то никакого инструмента с целью проведения демонтажа не потребуется.
Порядок действий в этом случае следующий:
- В первую очередь, направляться убедиться в том, что вентили подачи воды перекрыты.
 - После этого под раковину необходимо будет поставить ведро для сбора остатков воды, скопившейся в отстойнике сифона.
 - Для демонтажа сифона прежде всего нужно открутить пластмассовую гайку крепления на канализационном отводе, а после этого – отсоединить его.
 - Сейчас возможно будет отвернуть накидную гайку, при помощи которой сифон крепится на сливной трубе раковины.
 - Затем сифон с места его крепления, а остатки воды из его отстойника выливаются в ведро.
 - В последнюю очередь демонтируется слив раковины с защитной сеткой (для этого достаточно отвернуть накидную гайку, крепящую трубу к раковине).
 

Как установить сифон на мойку с переливом на кухне
Схема монтажа системы для раковины с переливом немного сложнее. В данном случае у чаши сверху предусмотрено отверстие с гидроклапаном, в которое стекает вода, когда она переполняется. Такая система используется со всеми разновидностями систем. Лишняя вода по специальному патрубку отводится в корпус колбы либо в изогнутую трубу или гофрированный шланг, в зависимости от конструкции, с которой мы имеем дело
При покупке важно учесть длину патрубка — ее должно хватить чтобы дотянуться от гидроклапана до сливного отверстия. Если она окажется слишком длинной, не факт, что излишек спрятать будет просто
Подобрать правильную длину по типоразмеру чаши помогут продавцы. Их помощь не понадобится, если купить сборную телескопическую трубку или гофрированный шланг.
Клапан оснащен прокладками, однако перед установкой поверхность необходимо тщательно очистить и обезжирить. Крепление производится с помощью прижимной гайки.
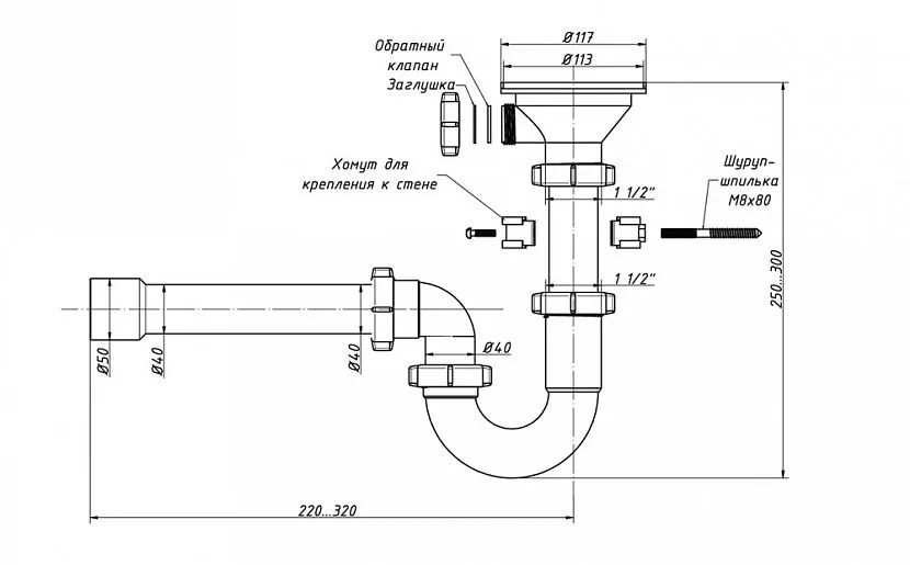
Размеры
Под мойкой не так много места, поэтому размер конструкции ограничен. В большинстве случаев такого размера сифона достаточно. Для эффективной работы устройства также нужно учитывать его пропускную способность. Не следует забывать и про расстояние между выходным патрубком из сифона и входным отверстием канализационной системы. Как правило, максимальная высота конструкции не превышает 250 мм.
Типовые размеры сифонов
Поставить сифон на раковину в кухне, когда диаметр слива и канализационной трубы имеют одинаковый размер не проблема. Однако когда есть различия в диаметрах труб, необходимо заранее подумать об их соединении. В этом случае применяются различные манжеты и патрубки их сопряжения. Например, тройник внутренний двухраструбный на 50 мм, позволит с уплотнительными манжетами подключить раковину 50*40 и стиральную машину 50*25.
Переходные манжеты для канализации
Что предшествует установке
Такое мероприятие, как установить сифон на раковину или иную сантехнику, является обязательным. Ключевым элементом в системе внутриквартирных инженерных коммуникаций является это изделие. На него возложена функция препятствования проникновению неприятных канализационных запахов в помещение кухни или санузла.
Принцип действия этого устройства основан на разнице в давлении жидкостей. Вода, остановившись в трубе, имеющей изогнутую форму, образует естественный затвор, а точнее пробку, запирающую запахи. Одновременно стоки беспрепятственно попадают в канализацию.
 
Прежде, как крепится сифон к раковине, следует уточнить следующие нюансы:
- Диаметр выпускного патрубка, который является частью устройства, непосредственно контактирующей с системой отвода стоков. Предусмотрены определенные стандарты – 32, 40 и 50 миллиметров.
 - Наличие перелива. Этот момент особенно актуален для тех типов моек, которые снабжены дополнительным сливом, расположенным в верхней части.
 - Материал изготовления изделия. Это может быть пропилен, поливинилхлорид, латунь, намного реже – бронза.
 - Не исключено, что потребуется наращивать длину, используя гофрированную или жесткую трубу, поэтому потребуется выполнить замеры между сантехникой и выходом канализации.
 
Из вышеописанной информации ясно, что сборка простых моделей и процесс, как прикрутить сифон к раковине, много времени не занимает, и не требует наличия специальных знаний. В случае возникновения проблем с монтажом, разобраться с ними можно при помощи сантехника.
Устранение засоров
Так как, по сути, сифон выступает своеобразным фильтром, в нем очень часто образуются отложения, в виде песка, ниток, и прочих мелочей. В связи с этим, существует потребность в периодической чистке.
На практике, как правило, применяется несколько вариантов чистки:
- применение вантуза. Такое решение является практичным и подходит для большинства загрязнений. Для повышения эффективности процесса, раковину сначала наполняют горячей водой до средины емкости. После чего начинают интенсивные движения над местом слива, тем самым удается создать перепады давления, способствующие прочистке засоренных участков. Вантуз представляет собой резиновый колпак, небольшой глубины, с деревянной рукояткой, которую удобно взять в руку и осуществлять различного рода быстрые движения.
 - химические вещества. В сравнении с вариантом, представленным выше, здесь не нужно прилагать какие-либо физические усилия. Нужно лишь поместить во внутрь моющее средство, в состав которого входят щелочи и кислоты, способствующие растворению засоров. Предварительное время ожидания, до того момента, как подействует, составляет не менее 5 часов. Но все же лучше проделывать эти процедуры на ночь.
 - разборка, и ручная чистка. Прибегают к такому решению проблемы, только после того, как предыдущие методики не сработали.
 - использование сантехнического троса – это кардинальный вариант, который выполняется после полного промывания, вернее если такие процедуры не оказали действия на проблему.
 
Порядок действий при ручной разборке:
- Откручивание, предварительно нужно подставить емкость, в которую бы могла сбежать находящаяся в нем жидкость.
 - откручивание верхнего и нижнего удерживающих колец, и полное отсоединение продукта от подходящей трубы.
 - устранение внутреннего мусора, промывка внутреннего пространства с моющими средствами.
 - при наличии гофрированных труб, нужно аккуратно отсоединить их, один конец замотать скотчем или пленкой, налить вовнутрь горячую воду, и круговыми движениями осуществить процедуру мойки.
 - собираем конструкцию, до ее изначального вида, и смотрим, улучшилось ли положение.
 

Все эти действия легко проводить с пластиковым продуктом. Если де он сделан из метала, тогда нужно изначально открутить окисленные болты, снять крышку, и с помощью тонкого тросика провести чистку всей сантехнической системы.
Составные элементы
Разные типы сифонов имеют различную конструкцию, поэтому подробно рассмотрим устройство сифона бутылочного типа, наиболее популярного для установки под кухонными мойками.
Конструктивно такое устройство состоит из следующих элементов:
- корпус, обычно разборный;
 - отводной патрубок с рельефными кольцами, подсоединяемый к мойке снизу;
 - защитная сетка с диаметром ячеек не более 1 см;
 - соединительный винт, связывающий между собой сетку и патрубок;
 - гофрированная или жесткая трубка для отвода воды в канализацию;
 - конусные прокладки, предназначенные для обеспечения плотного контакта между патрубками и корпусом сифона;
 - широкая резиновая прокладка для крепления отводного патрубка к мойке;
 - резиновая прокладка, предназначенная для герметизации защитной решетки;
 - гайки пластиковые накидные. Ими крепятся патрубки к корпусу устройства.
 
Составные части сифона бутылочного типа
Заключение
Любую раковину на кухне нужно оборудовать сифоном, если не хотите, чтобы в помещении появились неприятные запахи. Современные сливы также препятствуют проникновению вредоносных бактерий из канализационной системы.
Для экономии денег рекомендуется устанавливать пластиковые сифоны — они отлично справляются со своим предназначением. Сейчас можно купить как отечественный, так и импортный сифон по приемлемой цене.
Хорошим вариантом является монтаж изделия со стаканом-отстойником. Такая конструкция позволит быстро выполнять очистку сантехнического устройства. Использование трубных сифонов для кухни — тоже отличный вариант.
По мере возможности, не используйте гофрированную трубу — из-за ребер, она излишне задерживает внутри загрязнения. О том, как вместо гофры использовать трубу, смотрите в видео ниже.





































