Причины неисправностей
Причиной неисправностей служит:
- нарушения правил сборки на заводе (например, отсутствие проводящей тепло пасты под светодиодным модулем);
- неправильное подключение;
- перепады напряжения в электросети;
- замыкание фазы на ноль или корпус;
- перегрев;
- попадание воды или грязи;
- неверная настройка датчика движения (при наличии);
- нарушения правил эксплуатации.
При наличии хотя бы одной причины выходит из строя блок питания (перегорает резистор или конденсатор), модуль светодиодов или его отдельные элементы. При отсутствии ремонта светильник не может нормально функционировать.
Виды драйверов
Все драйвера различают по трем критериям – по способу стабилизации, конструкционным особенностям и наличию/отсутствию защиты. Рассмотрим все варианты подробнее.
Линейные и импульсные
В зависимости от схемы стабилизации тока драйверы делятся на два типа – линейные и импульсные. Они отличаются принципом работы и эффективностью.
Перед электронной схемой драйвера поставлена задача – обеспечение стабильных значений тока и напряжения, подводимых к кристаллу (светодиоду). Самый простой и дешевый вариант – включение в цепь ограничительного резистора.
Линейная схема питания:

Эта элементарная схема не способна обеспечивать автоматическое поддержание тока. При повышении напряжения он пропорционально растет и, когда превысит допустимое значение, кристалл разрушится от перегрева.
Более сложное управление осуществляется путем включения в цепь транзистора. Минус линейной схемы – снижение мощности при росте напряжения. Такой вариант допустим при работе led-источников малой мощности, но при работе мощных светодиодов такие схемы не применяют.
Плюсы линейной схемы:
- простота;
- дешевизна;
- относительная надежность.
Наряду с линейными схемами, стабилизировать ток и напряжение можно путем импульсной стабилизации:
- после нажатия кнопки заряжается конденсатор;
- после отпускания конденсатор разряжается, отдавая запасённую энергию полупроводниковому элементу (светодиоду), который начинает испускать свет;
- если напряжение растет, то время зарядки конденсатора сокращается, если падает – увеличивается.
Нажимать кнопку пользователю не приходится – за него всё делает электроника. Роль кнопочного механизма в современных источниках питания выполняют полупроводники – тиристоры или транзисторы.
Рассмотренный принцип работы называется в электронике широтно-импульсной модуляцией. За секунду может происходить десятки и даже тысячи срабатываний. КПД такой схемы достигает 95 %.
Упрощенная схема импульсной стабилизации:

Электронные, диммируемые и на базе конденсаторов
От принципа устройства драйвера зависит область его применения и эксплуатационные характеристики.
Виды драйверов по принципу устройства:
- Электронные. В их схемах обязательно используется транзистор. На выходе устанавливается конденсатор, исключающий или хотя бы сглаживающий пульсации тока. Электронные преобразователи способны стабилизировать токи до 750 мА. Драйверы электронного типа борются не только с пульсациями, но и с электромагнитными высокочастотными помехами, наводимыми электроприборами (радио, телевизор, роутер и т. п.). Минимизировать помехи позволяет наличие специального керамического конденсатора. Минус электронного драйвера – высокая стоимость, плюс – КПД близкий к 95 %. Их используют в мощных led-светильниках: автофарах, прожекторах, уличных фонарях.
- Диммируемые. Особенность диммируемых драйверов – возможность управления яркостью светильника. Регулировка основана на изменении тока на выходе, который и определяет яркость светопотока. Драйвер можно включать в схему двумя способами: между светильником и стабилизатором или между источником питания и преобразователем.
- На основе конденсаторов. Это недорогие модели, используемые для бюджетных светодиодных светильников. Если в схеме производитель не предусмотрел сглаживающий конденсатор, то на выходе наблюдается пульсация. Другой минус – недостаточная безопасность. Плюс подобных моделей – высокий КПД, стремящийся к 100 %, и простота схемы. Подобные драйверы легко собрать своими руками.
В корпусе и без него
Драйвер может быть размещен внутри защитного корпуса, но может и не иметь его. Электронные схемы уязвимы перед многими внешними факторами, поэтому более надежным вариантом считается размещение драйвера в корпусе.
Корпус защищает электронный преобразователь от влаги, пыли, попадания прямых солнечных лучей и т. д. Бескорпусные модели обходятся дешевле, но у них меньше срок службы и хуже стабильность эксплуатации. Они больше подходят для скрытого монтажа.
Как сделать простую светодиодную лампочку
Для того, чтоб собрать светодиодную лампу нам потребуется старая люминесцентная лампа, точнее ее основание с цоколем, длинный кусок 12 В светодиодной ленты,

и пустая алюминиевая 330 мл банка

Для питания такой лампы понадобится источник постоянного напряжение на 12 В такого размера, чтобы без проблем вошел внутрь банки.
Итак, теперь само изготовление:
- Обмотайте лентой банку, как показано на рисунке.
- Припаяйте провода от светодиодной ленты к выходу источника питания (ИП).
- Вход ИП проводами припаяйте к цоколю основания лампы.
- Сам источник надежно закрепите внутри банки, предварительно вырезав достаточное по размеру отверстие для пропускания ИП внутрь.
- Приклейте банку с лентой к основанию корпуса с цоколем и лампа готова.

Конечно, такая лампа не шедевр дизайнерского искусства, но зато сделана своими руками!
Изготовление драйвера для светодиодов своими руками
Если в наличии пользователя есть несколько полупроводниковых кристаллов или линейка подсветки из старого телевизора, он может самостоятельно сделать источник тока для них.
Для этого следует приобрести приборы и детали или выпаять радиоэлементы из старой аппаратуры. Часто КПД устройств, сделанных своими руками, намного выше, чем у промышленных образцов.
Материалы и инструменты для работы
Для самодельного простого драйвера потребуются:
- конденсаторы: простой 0,27 мкф на 400 V и 2 электролитических 500×16 V и 100×16 V;
- резистор 500 кОм на 0,5 W;
- 4 диода или готовый мост на 220 V;
- микросхема LM317;
- паяльник мощностью 20-40 Вт;
- флюс и припой (желательно типа ПОС);
- пассатижи, кусачки, плоскогубцы;.
- многожильные изолированные проводники из меди сечением 0,35-1 мм²;
- трубка термоусадочная;
- мультиметр или тестер;
- изолента;
- плата для распайки элементов.
Схемы простого драйвера для светодиода 1 Вт и мощного
Классический преобразователь представляет собой сочетание электронного делителя напряжения и микросхемы-стабилизатора. Первый узел состоит из 2 элементов (конденсатора 0,27 мкф и резистора 500 кОм), соединенных параллельно, к которым последовательно подключен мост из диодов, выдерживающих входное напряжение.
В качестве стабилизатора часто применяют микросхему L7812, но это не совсем правильное решение. Она является линейным устройством, регулирующим напряжение, и при изменении тока может сгореть.
Схема подключения
Лучше воспользоваться микросхемами LM317, LM338 или LM350, у которых есть защита от КЗ и перегрева. Питать их можно любым напряжением 5-35 V. К драйверу можно подсоединить 5-10 светодиодов.
Схема подключения проста:
- плюс делителя идет на вход микросхемы (1 вывод);
- общий провод через анод светодиода идет на минус радиодетали (среднюю ножку);
- туда же через резистор, ограничивающий ток, подключен выход LM317 (3 контакт).
Установив вместо последнего элемента регулируемое сопротивление, можно изменять силу тока, т. е. яркость светодиодов в некоторых пределах.
Если нужно соорудить мощный прожектор, то драйвер придется модифицировать:
- необходимо поднять питающее напряжение до 24 V;
- установить стабилизатор с наибольшим током, а из предложенных микросхем только LM338 может выдавать 5А.
Ввиду большой силы тока следует установить ее на радиатор.
Как собрать и настроить драйвер?
В простом преобразователе для светодиодов мало элементов. Драйвер можно собрать на специальной плате, куске фанеры или провести навесной монтаж.
Устройство не требует наладки, если взять все указанные детали. Главное – правильно рассчитать резистор, ограничивающий ток.
Плавное увеличение яркости при включении
Вторая доработка позволяет включать лампу плавно, например для применения в спальне.
Для этого нужно включить позистор (терморезистор с положительной температурной зависимостью, или термистор PTC) параллельно всем или большей части светодиодов.

Доработка светодиодной лампы для плавного включения яркости
Работает схема просто: Пока позистор холодный, его сопротивление минимально и ток течет через часть светодиодов и позистор и постепенно разогревает его. По мере прогрева, сопротивление плавно нарастает и плавно включает в цепь остальные светодиоды – яркость плавно нарастает.

Доработка светодиодной лампы позистором

Доработка светодиодной лампы термистором для плавного розжига
Позистор нужен с холодным сопротивлением 330-470 Ом, его маркировка wmz11a, такие есть в продаже или их можно добыть из энергосберегающей лампы мощностью 32 вт, в менее мощных КЛЛ, позистор с холодным сопротивлением 1 кОм и более, что не очень подходит для нашей доработки, разве что взять их несколько штук и соединить параллельно, но я этот способ не пробовал.

Позистор (терморезистор), который входит в схему КЛЛ
Я так доработал 3 лампы в люстре на потолке, мощностью 7Вт (а было 9 вт изначально, мощность занижена для долговечности), и одну лампочку 3Вт в бра. Плавное включение до 100% происходит примерно за 30 сек.

Плавное включение LED лампочки – доработка схемы
sxemy-podnial.net
Предлагаю вашему вниманию схемы драйверов светодиодных светильников, которые мне пришлось недавно ремонтировать. Начну с простой (фото 1, справа) и схема на рисунке 1.
Светодиодные светильники. Фото 1.
Драйвер светодиодного светильника на CL1502. Рис. 1.
В схеме этого драйвера установлена микросхема CL1502. Микросхем с подобными функциями выпущено уже много, и не только в корпусе с 8 ножками. На эту микросхему в интернете есть много технических данных, к примеру в . Собран драйвер по «классической» схеме. Неисправность была в выгорании пары светодиодов. Первый раз просто закоротил их, так как находился вдали от «цивилизации». Тоже сделал и во второй раз. И когда сгорела третья пара, я понял, что жить этому светильнику осталось мало. Простым закорачиванием пар светодиодов, так просто не обойдёшься. Требовалось что-то по-кардинальные. Ранее я изучал схемотехнику и работу подобных микросхем, с целью укоротить светодиодную лампу, в корпусе трубчатой стеклянной люминисцентной 36 Ватт, с длины 120 сантиметров в 90, так как был в наличии такой светильник, установленный над рабочим столом. И всё удалось и работает. А здесь. Насколько я понял работу подобных светильников, с применением таких драйверов, то ничего плохого не должно происходить после закорачивания хотя бы всех светодиодов, кроме последней пары. Ведь всё в них решает датчик тока, в данной схеме это резисторы R3 и R4. Напряжение выделенное этими резисторами, попадая через выводы 7 и 8 микросхемы CL1502 к компаратору выключения силового ключа работают отлично. Но что-то всё же жжёт светодиоды. Но что? Моё предположение — их жжёт сам драйвер! Светодиоды применённые в этом светильнике, похожи на 2835SMDLED (0,5 Вт одного светодиода). И если это действительно они, то заявленная мощность светильника вполне оправдана. Но у меня, сильные подозрения, что в светильнике стоят 3528SMDLED, которые имеют параметры, чуть ли не на порядок ниже. Но понять мне это очень трудно, так как на SMD светодиодах нет обозначений. Что сделал я? Я убрал с платы резистор R4. При этом уменьшился ток через светодиоды и… светодиоды перестали сгорать. Что интересно, в строительном вагончике, в котором стояли три светильника одного типа, последовательно пришлось ремонтировать все три. И везде пришлось снять по одному резистору. И да, везде упал световой поток, хотя глазом это и трудно определить, но если сравнивать, то заметно.
В другом вагончике, было два светильника с внешними размерами 595х595 мм.. И они тоже «горели». В этих светильниках ячейки состояли из четырёх светодиодов в параллели и было таких 28 ячеек. Так как и там была подобная схема (поднять не удалось), то просто выпаял по одному резистору.
В итоге, можно сделать вывод, что ремонт можно выполнять, по подобной методике, то есть уменьшать ток через светодиоды, так как лучше, пусть светят темнее, чем совсем погаснут. Хотя конечно, правильнее поменять все светодиоды на 2835SMDLED, но это при их наличии.
Драйвер светодиодного светильника на B77CI. Рис. 2.
Схема второго драйвера, изображённого на рисунке 2, я «поднял» со светильника, который нашёл в металлоломе, с механическими поломками корпуса. На рисунке 3 схема четырёх плат светодиодов по 9 Вт каждая. Хотел снять светодиоды для запчастей. И даже, не сразу заметил невзрачную коробочку с драйвером. Схема оказалась почти «монстром».
Фонарь светодиодного светильника. Рис. 3.
Внешний вид платы драйвера на B77CI. Фото 2.
Наличие двух микросхем, двух мощных полевых транзисторов, двух дросселей и двух электролитических конденсаторов 220 мк х 100 В включенных параллельно, указывало на то, что разработчики поработали на славу. Так же присутствует довольно хорошая схема фильтров (смотрите фото 2). Микросхема DX3360T — это, по всей видимости, стабилизатор напряжения, и возможно, с корректором мощности. Я в интернете нашёл только невзрачную картинку, без описания. А на микросхему B77CI не нашёл ни чего, и названия выводов на схеме ставил, по интуиции. В работе этот драйвер не видел. Но предполагаю хорошую работу. Но если, придётся уменьшать ток через светодиоды, то нужно или убрать с платы один-два резистора Rs4..Rs6, или менять на другие, расчётные.
И ещё. Совсем не понятно, как в подобных светильниках организован отвод тепла от светодиодов. Ведь они запаиваются на платки из фольгированного стеклотекстолита, шириной в 5 мм. и толщиной примерно в 1 мм.? Думаю, что почти ни как. Всё ширпотреб.
Литература: 1. https://www.dianyuan.com/upload/community/2014/04/10/1397117125-79110.pdf
Основные составляющие части LED-лампы
Рассеиватель. Рассеиватель устраняет неравномерности светового потока и слишком высокую яркость отдельных излучающих элементов. Он обеспечивает освещение под определенным углом (для бытовых ламп — угол рассеивания должен быть как можно больше).
Плата со светодиодами. Плата на алюминиевой основе, на которой размещены светодиоды
При этом, количество светодиодов очень важно для теплообмена, следовательно, должно соответствовать конструкции лампы. Между платой и радиатором находится термопаста, которая способствует передаче тепла.
Радиатор
Качественный радиатор предназначен для того, чтобы эффективно отводить тепло от компонентов лампы и не давать светодиодам возможности перегреваться. Конструкция радиатора с ребрами позволяет эффективнее отводить и рассеивать избыток тепла.
Цоколь. Вкручивается в патрон светильника и обеспечивает с ним надежный контакт. Изготовлен, как правило, из латуни с никелевым покрытием. Для защиты от пробивания электрическим током цоколь большинства LED-ламп имеет полимерную основу.
Драйвер. Это электронная схема, которая предназначена для преобразования переменного тока электросети в постоянный ток такого номинала, который необходим для работы светодиодов. Слишком большой ток приводит к деградации светодиодов, которые в итоге перегорают. Качественный драйвер обеспечивает стабильную работу лампы при прыжках сетевого напряжения, обеспечивает работу светодиодов без пульсаций. Схем драйверов LED-ламп довольно много. Ниже приведены лишь некоторые из них:
Устройство светодиодных ламп для цепей переменного тока напряжением 220В

Светодиодные лампочки состоят из следующих компонентов:
- Цоколя (Е27, Е14, Е40 и так далее) для вкручивания в патрон светильника, бра или люстры;
- Диэлектрической прокладки между цоколем и корпусом;
- Драйвера, на котором собрана схема для преобразования переменного напряжения в постоянного необходимой величины;
- Радиатора, который служит для отвода тепла от светодиодов;
- Печатной платы, на которую впаиваются светодиоды (типоразмеров SMD5050, SMD3528 и так далее);
- Резисторов (чипы) для защиты светодиодов от пульсирующего тока;
- Светорассеивателя для создания равномерного светового потока.
Общие сведения
Применение светодиодных ламп необычайно широко. Это и бытовое освещение, и промышленное, и даже уличное. По своей сути такие световые приборы являются самыми экологически чистыми, т. к. не содержат опасных веществ (таких, как ртуть и т. п.) в отличие от люминесцентных или ртутных (ДРЛ) ламп. Световые приборы, имеющие в основе нить из вольфрама, дают много света, но их эффективность весьма сомнительна, т. к. 95 процентов уходит на выработку тепла, в чем и состоит отличие от принципа работы светодиодной лампы. Очень интересно, что после того, как было запрещено продавать лампы мощностью свыше 100 Ватт, их все равно не перестали выпускать. Только теперь они называются не лампочки, а «теплоизлучатели», что по своей сути правильно. Есть различные корпуса светодиодных ламп, а также различные типы цоколя. На картинке указаны маркировки, по которым можно определить, какая именно лампа нужна для того или иного прибора. Интересен также и цвет таких ламп. С первого взгляда может показаться, что он просто белый, однако это не так. Есть специальный индекс цветопередачи – CRI. Если он низок, то освещение будет казаться неприятным, хотя будет непонятно почему, ведь оно визуально не отличается. Если брать за пример солнце или обычную лампочку, то их CRI будет равен 100. Качественная светодиодная лампа имеет CRI 90. Ну а если CRI менее 80, то такие световые приборы не рекомендуется использовать в местах проживания.

Виды светодиодных ламп
Так что же в итоге? Конечно, личное дело каждого, какие осветительные приборы использовать, но то, что светодиодные лампы помимо своей экологичности еще и очень экономичны – это неоспоримый факт, а значит, они будут продолжать завоевывать рынок электротехники до тех пор, пока не появится что-то новое.
Диммируемые драйверы для светодиодов
Современные драйверы для светодиодов совместимы с устройствами регулирования яркости свечения полупроводниковых приборов. Использование диммируемых драйверов позволяет управлять уровнем освещенности в помещениях: снижать интенсивность свечения в дневное время, подчеркивать или скрывать отдельные элементы в интерьере, зонировать пространство. Это, в свою очередь, дает возможность не только рационально использовать электроэнергию, но и экономить ресурс светодиодного источника света.
Диммируемые драйверы бывают двух типов. Одни подсоединяются между блоком питания и LED-источниками. Такие устройства управляют энергией, поступающей от источника питания к светодиодам. В основе таких устройств используется ШИМ-управление, при котором энергия поступает к нагрузке в виде импульсов. Длительность импульсов определяет количество энергии от минимального до максимального значения. Драйверы такого типа применяются по большей части для светодиодных модулей с фиксированным напряжением, таких как светодиодные ленты, бегущие строки и др.

Управление драйвером осуществляется с помощью диммера или ШИМ
Диммируемые преобразователи второго типа управляют непосредственно источником питания. Принцип их работы заключается как в ШИМ-регулировании, так и в управлении величиной протекающего через светодиоды тока. Диммируемые драйверы этого типа используются для LED-приборов со стабилизированным током. Стоит отметить, что при управлении светодиодами посредством ШИМ-регулирования наблюдаются негативно влияющие на зрение эффекты.
Сравнивая эти два метода регулирования, стоит отметить, что при регулировании величины тока через LED-источники наблюдается не только изменение яркости свечения, но и изменение цвета свечения. Так, белые светодиоды при меньшем токе излучают желтоватый свет, а при увеличении – светятся синим. При управлении светодиодами посредством ШИМ-регулирования наблюдаются негативно влияющие на зрение эффекты и высокий уровень электромагнитных помех. В связи с этим ШИМ-управление используется достаточно редко в отличие от регулирования тока.
Виды драйверов
Все драйвера различают по трем критериям – по способу стабилизации, конструкционным особенностям и наличию/отсутствию защиты. Рассмотрим все варианты подробнее.
Линейные и импульсные
В зависимости от схемы стабилизации тока драйверы делятся на два типа – линейные и импульсные. Они отличаются принципом работы и эффективностью.
Перед электронной схемой драйвера поставлена задача – обеспечение стабильных значений тока и напряжения, подводимых к кристаллу (светодиоду). Самый простой и дешевый вариант – включение в цепь ограничительного резистора.
Линейная схема питания:
Эта элементарная схема не способна обеспечивать автоматическое поддержание тока. При повышении напряжения он пропорционально растет и, когда превысит допустимое значение, кристалл разрушится от перегрева.
Более сложное управление осуществляется путем включения в цепь транзистора. Минус линейной схемы – снижение мощности при росте напряжения. Такой вариант допустим при работе led-источников малой мощности, но при работе мощных светодиодов такие схемы не применяют.
Плюсы линейной схемы:
- простота;
- дешевизна;
- относительная надежность.
Наряду с линейными схемами, стабилизировать ток и напряжение можно путем импульсной стабилизации:
- после нажатия кнопки заряжается конденсатор;
- после отпускания конденсатор разряжается, отдавая запасённую энергию полупроводниковому элементу (светодиоду), который начинает испускать свет;
- если напряжение растет, то время зарядки конденсатора сокращается, если падает – увеличивается.
Нажимать кнопку пользователю не приходится – за него всё делает электроника. Роль кнопочного механизма в современных источниках питания выполняют полупроводники – тиристоры или транзисторы.
Рассмотренный принцип работы называется в электронике широтно-импульсной модуляцией. За секунду может происходить десятки и даже тысячи срабатываний. КПД такой схемы достигает 95 %.
Упрощенная схема импульсной стабилизации:
Электронные, диммируемые и на базе конденсаторов
От принципа устройства драйвера зависит область его применения и эксплуатационные характеристики.
Виды драйверов по принципу устройства:
- Электронные. В их схемах обязательно используется транзистор. На выходе устанавливается конденсатор, исключающий или хотя бы сглаживающий пульсации тока. Электронные преобразователи способны стабилизировать токи до 750 мА. Драйверы электронного типа борются не только с пульсациями, но и с электромагнитными высокочастотными помехами, наводимыми электроприборами (радио, телевизор, роутер и т. п.). Минимизировать помехи позволяет наличие специального керамического конденсатора. Минус электронного драйвера – высокая стоимость, плюс – КПД близкий к 95 %. Их используют в мощных led-светильниках: автофарах, прожекторах, уличных фонарях.
- Диммируемые. Особенность диммируемых драйверов – возможность управления яркостью светильника. Регулировка основана на изменении тока на выходе, который и определяет яркость светопотока. Драйвер можно включать в схему двумя способами: между светильником и стабилизатором или между источником питания и преобразователем.
- На основе конденсаторов. Это недорогие модели, используемые для бюджетных светодиодных светильников. Если в схеме производитель не предусмотрел сглаживающий конденсатор, то на выходе наблюдается пульсация. Другой минус – недостаточная безопасность. Плюс подобных моделей – высокий КПД, стремящийся к 100 %, и простота схемы. Подобные драйверы легко собрать своими руками.
В корпусе и без него
Драйвер может быть размещен внутри защитного корпуса, но может и не иметь его. Электронные схемы уязвимы перед многими внешними факторами, поэтому более надежным вариантом считается размещение драйвера в корпусе.
Корпус защищает электронный преобразователь от влаги, пыли, попадания прямых солнечных лучей и т. д. Бескорпусные модели обходятся дешевле, но у них меньше срок службы и хуже стабильность эксплуатации. Они больше подходят для скрытого монтажа.
Как изготовить линейный светодиодный драйвер своими руками?
Имея готовые микросхемы, собрать драйвер для светодиодов может любой новичок-радиолюбитель. Для этой работы надо уметь две вещи – читать электрические принципиальные схемы и владеть паяльником.
Например, собрать токовый стабилизатор для светодиодов на 3 Вт можно с помощью микросхемы PowTech – PT4115 (Китай). Преобразователь, созданный на основе этой микросхемы, имеет минимум элементов и высокую эффективность.
Простейший токовый преобразователь собирают даже из зарядки от телефона. Далее представлена инструкция по сборке драйвера для трёх светодиодов мощностью по 1 Вт.
Для работы вам понадобится:
- Старая зарядка от мобильного телефона. Например, от «Самсунга» – они надёжнее. Параметры устройства – 5 В и 700 мА.
- Подстроечный резистор сопротивлением 10 кОм.
- Три светодиодных элемента мощностью по 1 Вт.
- Шнур с вилкой.
Как собрать драйвер:
- Разберите зарядку, стараясь не повредить её элементы.
- С помощью паяльника выпаивайте резистор на входе сопротивлением 5 кОм. Вместо него поставьте резистор с регулировкой.
- Определите выход для нагрузки и полярности, чтобы правильно припаять светодиоды. Их заранее собирают в последовательную цепь.
- Отпаяйте контакты от шнура и поставьте туда провод с вилкой. Прежде чем проверить, работает ли стабилизатор, убедитесь, что всё подключено правильно. Если допустите ошибку, может быть короткое замыкание.
- С помощью подстроечного резистора отрегулируйте ток так, чтобы светодиоды засветились.
- Если светоизлучающие элементы горят, проверьте при помощи тестера напряжение, ток, мощность.
Если светодиоды горят, нет искрения или дыма, сборка прошла хорошо – ваша самоделка готова.
Применение правильно подобранного драйвера является важным условием качественной и долгосрочной работы светодиодных источников питания. Самый надёжный вариант – покупка фирменного устройства вместе со светодиодными светильниками. Если вы разбираетесь в схемах и «дружите» с паяльником, всегда сможете собрать подходящий драйвер для LED-элементов.
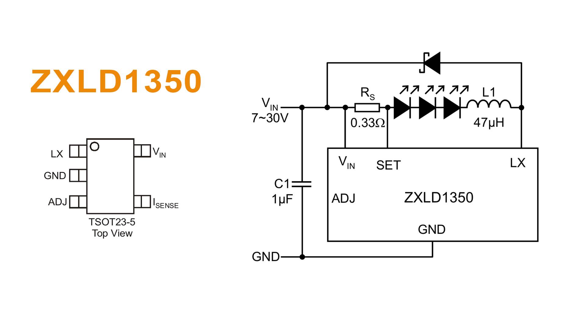
ZXLD1350
Не смотря на то, что эта микросхема является очередным клоном , некоторые отличия в технических характеристиках не допускают их прямую замену друг на друга.
Вот главные отличия:
- микросхема стартует уже при 4.8В, но на нормальный режим работы выходит только при напряжении питания от 7 до 30 Вольт (на полсекунды допускается подавать до 40В);
- максимальный ток нагрузки – 350 мА;
- сопротивление выходного ключа в открытом состоянии – 1.5 – 2 Ома;
- изменением потенциала на выводе ADJ от 0.3 до 2.5В можно менять выходной ток (яркость светодиода) в диапазоне от 25 до 200%. При напряжении 0.2В в течении, как минимум, 100 мкс, драйвер переходит в спящий режим с низким потреблением энергопотреблением (порядка 15-20 мкА);
- если регулировка осуществляется ШИМ-сигналом, то при частоте следования импульсов ниже 500 Гц, диапазон изменения яркости составляет 1-100%. Если же частота выше 10 кГц, то от 25% до 100%;
Максимальное напряжение, которое можно подавать на вход регулировки яркости (ADJ) составляет 6В. При этом в диапазоне от 2.5 до 6В драйвер выдает максимальный ток, который задан токоограничительным резистором. Сопротивление резистора рассчитывается точно так же, как во всех вышеперечисленных микросхемах:
R = 0.1 / ILED
Минимальное сопротивление резистора – 0.27 Ом.
Типовая схема включения ничем не отличается от своих собратьев:
Без конденсатора С1 подавать питание не схему НЕЛЬЗЯ!!! В лучшем случае микросхема будет перегреваться и выдавать нестабильные характеристики. В худшем случае – мгновенно выйдет из строя.
Более подробные характеристики ZXLD1350 можно найти в даташите на эту микросхему.
Стоимость микросхемы неоправданно высокая (посмотреть), при том, что выходной ток довольно небольшой. В общем, сильно на любителя. Я б не связывался.
Виды драйверов по типу конструкции
Драйвера для LED-элементов представляют собой небольшую электронную схему, собранную из резисторов, конденсаторов и полупроводниковых диодов, размещённых на плате.
Устройства, стабилизирующие ток для светодиодов, выпускаются в 2 версиях:
- В корпусе. Это наиболее распространённый вариант. Стоимость такого прибора выше. Его главный плюс – защита конструктивных элементов от влаги и пыли.
- Без корпуса. Их применение оправдано только при скрытом монтаже. Они дешевле корпусных аналогов.
Преобразователи по конструктивному исполнению делят на три группы.
Электронный
В электронном преобразователе за коррекцию тока отвечает транзистор. Его задача – разгрузка регулировочной микросхемы. Чтобы максимально сгладить пульсацию, на выходе схемы установлен конденсатор.
Электронные устройства дорого стоят, но стабилизируют ток максимум до 750 мА. Новейшие драйверы такого типа обычно устанавливают на лампы с цоколем Е27.
Главные недостатки – пульсации и помехи в высокочастотном диапазоне. Если в одну розетку со светильником включить бытовые приборы, например, радиоприёмник, появляются помехи на FM-частотах. .
В хорошем электронном драйвере должно быть сразу два конденсатора:
- электролитический, который сглаживает пульсации;
- керамический, который понижает высокие частоты.
Такое сочетание встречается редко, особенно в драйверах китайского производства. Пользователи, разбирающиеся в микросхемах, могут получать выходные параметры драйвера, меняя номиналы резисторов.
Благодаря высокому КПД – около 95 % – электронные драйверы используют для самых разных целей (для обеспечения работы автомобильных светодиодных ламп, уличного и бытового освещения).
На основе конденсаторов
Несколько меньшей популярностью пользуются драйверы, работа которых основана на использовании конденсаторов. Почти все схемы бюджетных LED-ламп с такими устройствами имеют похожие характеристики.
Из-за изменений, вносимых производителями в электрические цепи, из них могут удаляться кое-какие элементы. Особенно часто в них отсутствует конденсатор, отвечающий за сглаживание пульсаций.
Плюсы драйверов на конденсаторах:
- простота конструкции;
- КПД стремится к 100 %, так как потери мощности наблюдаются только на резисторах и переходах полупроводниковых элементов.
Диммируемый
Диммер – устройство, регулирующее яркость светодиодов. Многие современные драйверы имеют в своём составе эти полезные приспособления.
Плюсы диммируемых драйверов:
- пользователь выбирает уровень освещённости, комфортный для текущего момента;
- включение диммера в стабилизаторы тока позволяет экономно расходовать как электроэнергию, так и ресурс светодиодов.
Варианты исполнения:
- Диммирующее устройство располагается между питанием и LED-светильником. Такой прибор управляет электроэнергией, подаваемой на светодиоды. Обычно это широтно-импульсные стабилизаторы (ШИМ), корректирующие величину тока.
- Устройство управляет источником питания. Оно выполняет коррекцию тока. Меняется яркость и цвет диодов.





































