Этапы сборки нагревателя
Изготовить простейший индукционный нагреватель металла своими руками не составит особого труда. Для такой работы потребуются следующие инструменты:
- Радиоэлементы.
- Мини-дрель.
- Текстолитовые платы.
- Паяльник и припой.
- Химические реагенты для пайки.
- Термопаста.
Из используемых компонентов самыми дорогими являются мощные силовые транзисторы, которых необходимо установить по меньшей мере два. Для такой работы подойдут IRFP 150, IRFP260 или IRFP460.
Изготовить колебательный контур водонагревателя можно при помощи керамических конденсаторов напряжением в 1600 Вольт и ёмкостью 0,1 mF. Для образования в катушке переменного тока с высокой мощностью потребуется использовать не менее 7 таких конденсаторов на 12 В.
В процессе работы полевые транзисторы могут сильно нагреваться. Без использования качественных алюминиевых радиаторов они расплавятся буквально через несколько секунд после подачи напряжения на трансформатор. Теплоотводы и радиаторы ставят на транзисторы через термопасту, в противном случае эффективность охлаждения будет не слишком высока.
Также потребуется приобрести два резистора емкостью 10 кОм и мощностью приблизительно 0,25 Вт, один резистор мощностью 2 Ватт ёмкостью 440 Ом. Понадобится использовать два стабилитрона с напряжением в 15 Вольт. Оптимальная их мощность — не меньше 2 Ватт. К силовым проводам, которые подводят напряжение к катушке, устанавливают стандартный дроссель.
https://youtube.com/watch?v=jKv1uLAqJKU
Электроснабжение нагревателя выполняется за счет блока питания с напряжением 12-40 Вольт и мощностью не более 500 Вт. Можно использовать автомобильные аккумуляторы или блок питания от старого компьютера.
Печатную плату изготавливают по схеме, которая позволяет реализовать преобразование стандартного тока в мощный и высокочастотный. При больших амплитудах напряжения изготовленный самостоятельно нагреватель будет стабильно работать, потребляя минимум электроэнергии и обеспечивая качественный нагрев. Конденсаторы устанавливаются на печатной плате параллельно, образуя с катушкой колебательный контур.
Выполняется пробный запуск, во время которого следят за отсутствием коротких замыканий у обмоток пружины. При наличии замыканий и соприкосновения витков катушки друг с другом транзисторы моментально выйдут из строя, а изготовленный своими руками индукторный нагреватель потребует дорогостоящего ремонта.
Внутри индукционной катушки можно установить через изоляцию корпус теплообменника, внутри которого будет циркулировать нагреваемая жидкость. Благодаря высокой эффективности технология индукционного нагрева даже при минимальном расходе электричества обеспечивает выделение большого количества тепловой энергии, что позволяет качественно обогревать помещение.
Теплообменник изготавливают из трубы с диаметром в 20 миллиметров, которая сделана из нержавеющей стали. На такую трубу нанизывают одну или несколько индукционных спиралей, при этом металлические элементы не должны соприкасаться с витками улитки, которая находится под напряжением. При показателях мощности в 2 кВт эффективности такого прибора будет достаточно для обеспечения проточного нагрева жидкости с ее последующим использованием в технических целях или для обогрева помещения.
Индукционные нагреватели — это перспективная технология, которая сегодня активно используется при изготовлении котлов автономного обогрева. Простота схемы реализации таких электроприборов позволяет выполнять их самостоятельно. Сделав такой индуктивный нагреватель своими руками, можно сэкономить на покупке дорогостоящей техники, при этом по своему функционалу самодельные приборы не будут уступать дорогостоящим заводским моделям отопителей.
Виды индукционных котлов для отопления
Различаются два типа устройств с вихревыми токами для нагрева теплоносителя. Первый тип – подача на первичную обмотку напряжения сети 220 в 50 герц, второй – подача напряжения через инвертор. Прибор преобразует стандартное напряжение электросети в токи высокой частоты, примерно в 20 килогерц.
Также различаются используемые материалы – в индукционных котлах SAV замкнутые теплообменники выполнены из стальных труб, а вихревые котлы оснащены теплообменниками из ферромагнитного материала.
Для чего требуется инвертор? Для того чтобы сделать электрокотел индукционный для отопления более надежным, компактным, экономичным и практичным. Однако применение меди для обмотки и сплавов теплообменника, блока автоматики делает инвертор дорогим прибором и это единственная причина по которой индукционные котлы стоят больше, чем электрический обычный котел с ТЭНом.
Рекомендуем к прочтению:Двухконтурный электрический котел для водоснабжения и отопления
Выбирая индукционное отопление, сначала нужно подобрать тип котла:
- SAV. Отопительное оборудование без инверторов, работающее от стандартного электроснабжения (50 герц), подаваемоемого на индуктор. Вторичная обмотка представляет собой сеть тонких стальных труб теплообменника и быстро прогревается токами Фуко. Транспортировка носителя принудительная, установлен циркуляционный насос. В ассортименте предлагается оборудование с напряжением в 220 V, 380 V.
На заметку! Котлы SAV мощностью в 2,5 кВт справляются с обогревом площади до 30 м2.
- ВИН. Это индукционные котлы вихревые, для работы которых нужен инвертор, преобразующий частоту электросети. Котлы отличаются облегченной массой, компактными размерами. Теплообменник выполнен из ферромагнитного сырья, магнитопровод и вторичная обмотка представлены как в виде теплообменника, так и корпуса котла. В комплектацию оборудования включены блок автоматического управления, насос приточный и циркуляционный.
На заметку! Котлы ВИН мощностью 3 кВт справляются с обогревом дома площадью 40 м2.
Устройство и основные элементы котла
Если рассматривать конструкцию прибора, то представляется схема индукционной плиты. Котлы также состоят из нескольких основных элементов:
- Индуктор. Тип трансформатора с двумя обмотками. Первая дополняет сердечник, из-за чего именно в этом элементе образуется электромагнитное поле, выделяющее вихревые токи. Корпус котла является вторичной обмоткой, принимающей токи, а затем передающей тепловую энергию теплоносителю.
- Нагреватель. Элемент представляет собой сердечник катушки и выглядит как труба значительного диаметра или несколько трубок меньшего сечения, соединенных параллельно.
- Патрубки. Нужны для соединения агрегата в тепловую сеть, один патрубок является подающим, второй обратным. По первому внутрь котла поступает теплоноситель, по второму выходит и транспортируется в контур отопительной системы.
- Инвертор. Прибор, преобразующий постоянный ток в высокочастотный.
Принцип работы
Работа всех электронагревателей, как обычных, так и индукционных, основана на одном и том же принципе: при пропускании электрического тока через некий проводник последний начнет нагреваться.
Количество выделяемого за единицу времени тепла зависит от силы тока и величины сопротивления данного проводника – чем больше эти показатели, тем сильнее будет греться материал.
Весь вопрос в том, каким образом вызвать протекание электротока? Можно подсоединить проводник непосредственно к источнику электрической энергии, что мы и делаем, втыкая в розетку шнур от электрочайника, масляного обогревателя или, к примеру, бойлера. Но можно применить и другой способ: как оказалось, протекание электротока можно спровоцировать воздействием на проводник переменного (именно переменного!) магнитного поля. Это явление, открытое в 1831-м году М. Фарадеем, получило название электромагнитной индукции.
Тут есть одна хитрость: магнитное поле может быть и постоянным, но тогда положение находящегося в нем проводника нужно постоянно менять. При этом будет меняться количество проходящих через проводник силовых линий и их направление относительно него. Проще всего проводник в поле вращать, что и делается в современных электрогенераторах.

Принцип электромагнитной индукции
Но можно менять и параметры самого поля. С постоянным магнитом такой фокус, конечно, не пройдет, а вот с электромагнитом – вполне. Работа электромагнита, кто забыл, основана на обратном эффекте: протекающий через проводник переменный ток генерирует вокруг него магнитное поле, параметры которого (полярность и напряженность) зависят от направления тока и его величины. Для более ощутимого эффекта провод можно уложить в виде катушки.
Таким образом, меняя параметры электротока в электромагните, мы будем менять все параметры наводимого им магнитного поля, вплоть до изменения местоположения полюсов на противоположное.
И тогда это магнитное поле, действительно являющееся переменным, будет наводить электроток в любом токопроводящем материале, расположенном в его пределах. И материал при этом, понятно, будет нагреваться. На этом и основан принцип работы современных индукционных нагревателей.
Хотите подобрать самый экономичный электрический бойлер? Тогда присмотритесь к индукционному водонагревателю. О преимуществах и недостатках прибора читайте в статье.
Решили установить электрический котел в качестве резервного теплогенератора? О том, какую модель лучше выбрать, читайте тут .
Индукционная печь — многофункциональное устройство. Ее можно приобрести в магазине, но интереснее и дешевле изготовить ее своими руками. По этой ссылке http://microklimat.pro/otopitelnoe-oborudovanie/pechi/indukcionnaya-svoimi-rukami.html вы найдете схему сборки прибора и узнаете об особенностях эксплуатации печи.
Шаг 6: Сборка трансформатора



Если вы внимательно читали статью, вы зададите вопрос: а как управлять LC-контуром? Я уже рассказывал об инверторе и контуре, не упоминая, как они связаны.
Соединение осуществляется через соединительный трансформатор. Мой от Magnetics, Inc. Номер детали — ZP48613TC. Adams Magnetics также является хорошим выбором при выборе ферритовых тороидов.
Тот, что слева, имеет провод 2мм. Это хорошо, если ваш входной ток ниже 20А. Провод перегреется и сгорит, если ток больше. Для высокой мощности вам нужно купить или сделать литцендрат. Я сделал сам, сплетя 64 нити из проволоки 0.5мм. Такой провод без проблем может выдержать ток 50А.
Инвертор, который я показал вам ранее, принимает высоковольтный постоянный ток и изменяет его на переменные высокие или низкие значения. Эта переменная квадратная волна проходит черезч соединительный трансформатор через переключатели мосфета и конденсаторы связи постоянного тока на инверторе.
Медная трубка из емкостного конденсатора проходит через нее, что делает ее одновитковой вторичной обмоткой трансформатора. Это, в свою очередь, позволяет сбрасываемому напряжению проходить через конденсатор емкости и рабочую катушку (контур LC).
Подключение к индуктору
Вначале следует сказать о конструкции самого индуктора. Его рекомендуется сделать в виде цилиндрической катушки, намотанной в один ряд медным проводом. Витки должны быть изолированы друг от друга.
Рекомендуемое число витков – от 80 до 100. Сечение провода обычно составляет 2,5 – 4 мм2. В качестве сердечника можно использовать саму трубу отопления, но практические опыты показали, что вода при этом греется слабо. Поэтому была опробована другая конструкция сердечника.
Для более интенсивного нагрева теплоносителя в качестве сердечника предложено использовать отрезок пластиковой трубы, заполненный обрезками стальной проволоки, диаметром 5 – 6 мм.
При такой схеме происходит индукционный нагрев проволоки, обтекаемой теплоносителем. За счет увеличения площади теплообмена вода нагревается значительно интенсивней. Участок трубы с проволокой следует ограничить стальными сетками с обеих сторон, во избежание попадания обрезков в систему отопления.
Что касается собственно подключения сварочного инвертора, то рекомендации тех, кто сделал индукционный нагреватель своими руками, несколько неоднородны.
Так, часть советов сводится к изготовлению дополнительного промежуточного трансформатора, во вторичную обмотку которого включается индуктор с конденсатором.
Другая часть мастеров просто наматывают один виток медного провода на тороидальный высокочастотный трансформатор сварочного инвертора и напрямую к нему подключают индуктор.
В любом случае, не следует использовать выводы + и — сварочного инвертора, с которых осуществляется сварка. Напряжение на них выпрямленное, с наложенными высокочастотными пульсациями. Постоянная составляющая сварочного напряжения просто перегреет индуктор, не создавая рабочего поля.
Купить детали на Алиэкспресс
|
Приборы, осуществляющие нагрев за счет электричества, а не газа, безопасны и удобны. Такие нагреватели не производят копоти и неприятного запаха, но потребляют большое количество электроэнергии. Отличный выход — собрать индукционный нагреватель своими руками. Это и экономия средств, и вклад в бюджет семьи. Существует много простых схем, по которым индуктор можно собрать самостоятельно. Для того чтобы было легче разобраться в схемах и правильно собрать конструкцию, нелишним будет заглянуть в историю электричества. Способы нагрева металлических конструкций электромагнитным током катушки широко используются в промышленном изготовлении бытовых приборов — котлов, нагревателей и плит. Оказывается, можно сделать рабочий и долговечный индукционный нагреватель своими руками.
Принцип работы устройств
Принцип работы устройств
Знаменитый британский ученый XIX века Фарадей в течение 9 лет проводил исследования, чтобы преобразовать магнитные волны в электричество. В 1931 году наконец было совершено открытие, получившее название электромагнитная индукция. Проволочная обмотка катушки, в центре которой находится сердечник из магнитящегося металла, создает магнитное поле под силой переменного тока. Под действием вихревых потоков сердечник нагревается.
Открытие Фарадея стали применять как в промышленности, так и при изготовлении самодельных моторов и электронагревателей. Первую плавильню на основе вихревого индуктора открыли в 1928 году в Шеффилде. Позже по тому же принципу обогревали цеха заводов, а для нагрева воды, металлических поверхностей знатоки собирали индуктор своими руками.
Схема устройства того времени действительна и сегодня. Классический пример — индукционный котел, в составе которого имеются:
- металлический сердечник;
- корпус;
- тепловая изоляция.
Особенности схемы для ускорения частоты тока следующие:
- промышленная частота в 50 Гц не подходит для самодельных приборов;
- прямое подключение индуктора к сети приведет к гулу и слабому нагреву;
- эффективное нагревание осуществляется при частоте 10 кГц.
Сборка по схемам
Собрать индуктивный нагреватель своими руками может любой человек, знакомый с законами физики. Сложность устройства будет варьироваться от степени подготовленности и опытности мастера.
Существует множество видеоуроков, следуя которым можно создать эффективное устройство. Практически всегда необходимо использовать такие основные составляющие:
- стальная проволока диаметром 6−7 мм;
- медная проволока для катушки индуктивности;
- сетка из металла (для удержания проволоки внутри корпуса);
- переходники;
- трубы для корпуса (из пластика или стали);
- высокочастотный инвертор.
Этого будет достаточно для сборки индукционной катушки своими руками, а ведь именно она находится в основе проточного водонагревателя. После подготовки необходимых элементов можно подходить непосредственно к процессу изготовления аппарата:
- нарезать проволоку на отрезки в 6−7 см;
- металлической сеткой покрыть внутреннюю часть трубы и засыпать проволоку доверху;
- аналогично закрыть отверстие трубы снаружи;
- намотать на пластиковый корпус медную проволоку не менее 90 раз для катушки;
- вставить конструкцию в систему отопления;
- с помощью инвертора подключить катушку к электричеству.
По похожему алгоритму можно легко собрать индукционный котел, для чего следует:
- нарезать заготовки из стальной трубы 25 на 45 мм со стенкой не толще 2 мм;
- сварить их друг с другом, соединяя меньшими диаметрами между собой;
- приварить железные крышки к торцам и просверлить отверстия для патрубков с резьбой;
- сделать крепление для индукционной печки, приварив с одной стороны два уголка;
- вставить варочную панель в крепление из уголков и подключить к электросети;
- внести в систему теплоноситель и включить нагрев.
Многие индукторы работают на мощности не выше 2 — 2,5 кВт. Такие обогреватели рассчитаны на помещение 20 — 25 м²
Если генератор используют в автосервисе, можно подключить его к сварочному аппарату, но важно учитывать определенные нюансы:
- Необходим переменный ток, а не постоянный как у инвертора. Сварочный аппарат придется исследовать на наличие точек, где напряжение не имеет прямой направленности.
- Количество витков к проводу большего сечения подбирается математическим вычислением.
- Потребуется охлаждение работающих элементов.
Безопасность устройства
Для повышения безопасности самодельного нагревателя необходимо выполнить такие требования:
- Организовать качественную изоляцию. Все проводники и соединения нужно тщательно заизолировать, чтобы исключить риск получения удара током.
- Правильно выбрать отопительную систему. Индукционные системы не подходят для совместного использования с оборудованием, которое применяет принцип естественной циркуляции воды. Для этих систем нужен водяной насос.
- Выбрать подходящее размещение устройства. Прибор должен находиться на расстоянии от 40 см от стен и предметов интерьера, и на расстоянии от 80 см от потолка или напольного покрытия.
- Установить регулировочные клапаны и манометры. Такие средства безопасности защитят оборудование от скачков давления. Кроме того, нужно предусмотреть систему стравливания воздуха.
Источник электроэнергии
Как мы помним, наша схема индукционного нагревателя предполагает наличие источника питания. Он подает напряжение на катушку, вызывая нагрев сердечника и теплоносителя. Что может выступать в качестве источника переменного тока? Обычная электрическая сеть нам не подойдет – частота тока в ней слишком низка. У нас остается два источника питания:

Из инверторного сварочного аппарата получится отличный источник питания для индукционного нагревателя.
- индукционная кухонная печь;
- инверторный сварочный аппарат.
Если у вас есть индукционная печь, которую не жалко разобрать, воспользуйтесь ей. Недостатком печки станет ее слишком низкая мощность. Поэтому мы рекомендуем воспользоваться инверторным сварочным аппаратом. Просто подключите катушку к выходу аппарата и включите его в сеть – наш самодельный индукционный нагреватель, который мы собрали своими руками, готов к запуску и эксплуатации.
Обратите внимание, что теперь вам стоит позаботиться о надлежащем исполнении нагревателя. Для того чтобы сделать его безопасным, поместите катушку в какой-нибудь аккуратный корпус
Например, это может быть толстая пластиковая труба большого диаметра
Разместите в ней катушку, после чего закрепите всю конструкцию на штатном месте. Подключите к самодельному нагревателю отопительные трубы и попробуйте запустить систему, проверяя ее эффективность
Например, это может быть толстая пластиковая труба большого диаметра. Разместите в ней катушку, после чего закрепите всю конструкцию на штатном месте. Подключите к самодельному нагревателю отопительные трубы и попробуйте запустить систему, проверяя ее эффективность.
Если у вас есть познания в области конструирования электронной техники, вы можете попробовать собрать инверторный преобразователь для индукционного нагревателя своими руками. Схему такого преобразователя можно найти в Интернете
Обратите внимание, что источник питания должен получиться достаточно мощным, чтобы обеспечить надлежащее питание нагревателя и его выход на максимальную мощность. В противном случае вас будут ждать холодные или едва теплые батареи
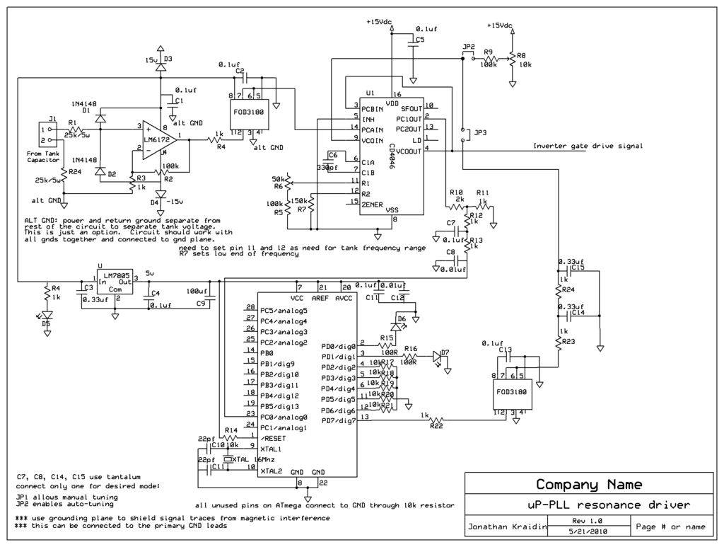
Шаг 3: Драйвер

Эта схема действительно большая. Вообще, вы можете прочитать про простой маломощный инвертор. Если вам нужна большая мощность, вам нужен соответствующий драйвер. Этот драйвер будет останавливаться на резонансной частоте самостоятельно. После того, как ваш металл расплавится, он останется заблокированным на правильной частоте без необходимости какой-либо регулировки.
Если вы когда-либо строили простой индукционный нагреватель с чипом PLL, вы, вероятно, помните процесс настройки частоты, чтобы металл нагревался. Вы наблюдали за движением волны на осциллографе и корректировали частоту синхронизации, чтобы поддерживать эту идеальную точку. Больше не придется этого делать.
В этой схеме используется микропроцессор Arduino для отслеживания разности фаз между напряжением инвертора и емкостью конденсатора. Используя эту фазу, он вычисляет правильную частоту с использованием алгоритма «C».
Сигнал емкости конденсатора находится слева от LM6172. Это высокоскоростной инвертор, который преобразует сигнал в красивую, чистую квадратную волну. Затем этот сигнал изолируется с помощью оптического изолятора FOD3180. Эти изоляторы являются ключевыми!
Далее сигнал поступает в PLL через вход PCAin. Он сравнивается с сигналом на PCBin, который управляет инвертором через VCOout. Ардуино тщательно контролирует тактовую частоту PLL, используя 1024-битный импульсно-модулированный сигнал. Двухступенчатый RC-фильтр преобразует сигнал PWM в простое аналоговое напряжение, которое входит в VCOin.
Как Ардуино знает, что делать? Магия? Догадки? Нет. Он получает информацию о разности фаз PCA и PCB от PC1out. R10 и R11 ограничивают напряжение в пределах 5 напряжений для Ардуино, а двухступенчатый RC-фильтр очищает сигнал от любого шума. Нам нужны сильные и чистые сигналы, потому что мы не хотим платить больше денег за дорогие мосфеты после того, как они взорвутся от шумных входов.
Плюсы и минусы
Индукционные электронагреватели выделяются рядом важных преимуществ, выраженных в следующих характеристиках:
На нагревательном элементе исключено образование накипи, так как создаётся вибрация посредством воздействия вихревых токов. Отсюда следует, что траты на чистку котлов отсутствуют.
Теплогенератор вихревого типа герметичен, даже самодельный. Поэтому протечки в котлах стопроцентно исключены. Это достигается за счёт принципа работы теплогенератора: теплоноситель разогревается внутри металлической трубы, а энергия передаётся на расстоянии через электромагнитное поле. Разъёмные соединения отсутствуют.
Нагревательный элемент не нужно ремонтировать или заменять, так как это металлическая трубка. А вот нагревательная спираль ТЭНа вполне может перегореть, так что конструкция для нагрева металла из сварочного инвертора безопасна в это отношении.
Индукционный нагреватель из сварочного инвертора беззвучен, хоть он и вибрирует
Частота вибрации попросту мала по сравнению со слышимыми звуковыми волнами.
Немаловажное достоинство – это низкие затраты на сборку.
Несмотря на важные преимущества, у индукционных нагревателей есть ряд недостатков:
- Нахождение в непосредственной близости от нагревателя может быть опасно, так как разогревается не только нагревательный элемент, то и ближайшее к нему пространство.
- Обогревание дома на электричестве обходится дороже по сравнению с газом. Поэтому перед тем, как сделать индукционный нагреватель из сварочного инвертора, неплохо подсчитать будущие затраты.
- Присутствует опасность детонации котла по причине перегрева теплоносителя. Чтобы избежать этой проблемы, обычно устанавливают датчик давления.
Нюансы

- При проведении опытов по нагреву и закалке металлов, внутри индукционной спирали температура может быть значительна и составляет 100 градусов Цельсия. Этот теплонагревательный эффект можно использовать для нагрева воды для бытовых нужд или для отопления дома.
- Схема нагревателя рассмотренного выше (рисунок 3), при максимальной нагрузке способна обеспечить излучение магнитной энергии внутри катушки равное 500 Вт. Такой мощности недостаточно для нагрева большого объёма воды, а сооружение индукционной катушки высокой мощности потребует изготовление схемы, в которой необходимо будет использовать очень дорогие радиоэлементы.
- Бюджетным решением организации индукционного нагрева жидкости, является использование нескольких устройств описанных выше, расположенных последовательно. При этом, спирали должны находиться на одной линии и не иметь общего металлического проводника.
- В качестве теплообменника используется труба из нержавеющей стали диаметром 20 мм. На трубу «нанизываются» несколько индукционных спиралей, таким образом, чтобы теплообменник оказался в середине спирали и не соприкасался с её витками. При одновременном включении 4 таких устройств, мощность нагрева будет составлять порядка 2 Квт, что уже достаточно для проточного нагрева жидкости при небольшой циркуляции воды, до значений позволяющих использовать данную конструкцию в снабжении тёплой водой небольшого дома.
- Если соединить такой нагревательный элемент с хорошо изолированным баком, который будет расположен выше нагревателя, то в результате получится бойлерная система, в которой нагрев жидкости будет осуществляться внутри нержавеющей трубы, нагретая вода будет подниматься вверх, а её место будет занимать более холодная жидкость.
- Если площадь дома значительна, то количество индукционных спиралей может быть увеличено до 10 штук.
- Мощность такого котла можно легко регулировать путём отключения или включения спиралей. Чем больше одновременно включённых секций, тем больше будет мощность работающего таким образом отопительного устройства.
- Для питания такого модуля понадобится мощный блок питания. Если есть в наличии инверторный сварочный аппарат постоянного тока, то из него можно изготовить преобразователь напряжения необходимой мощности.
- Благодаря тому, что система работает на постоянном электрическом токе, который не превышает 40 В, эксплуатация такого устройства относительно безопасна, главное обеспечить в схеме питания генератора блок предохранителей, которые в случае короткого замыкания обесточат систему, там самым исключив возможность возникновения пожара.
- , при условии установки для питания индукционных устройств аккумуляторных батарей, зарядка которых будет осуществляться за счёт энергии солнца и ветра.
- Аккумуляторы следует объединить в секции по 2 шт., подключённые последовательно. В результате, напряжение питания при таком подключении будет не менее 24 В., что обеспечит работу котла на высокой мощности. Кроме этого, последовательное подключение позволит снизить силу тока в цепи и увеличить срок эксплуатации аккумуляторов.
Несколько слов о безопасности
Индукционный нагреватель из сварочного инвертора, как и любое другое самодельное устройство, может представлять опасность для окружающих. Для обеспечения защиты необходимо соблюдать некоторые правила:
- Тщательная изоляция. Все токопроводящие элементы и соединения должны быть заизолированы, во избежание поражения током.
- Выбор системы отопления. Индукционный нагреватель запрещено использовать в отопительных системах с естественной циркуляцией воды. Применение допустимо только при наличии водяного насоса.
- Грамотное расположение. Рекомендуемое расстояние до деталей интерьера и стен – не менее 40 см, а до пола или потолка – не менее 80 см.
- Приборы безопасности. Регулировочный клапан и манометр защитят систему от перепадов давления. Также следует предусмотреть механизм стравливания воздуха из системы.





































