Умная лампочка — как выбрать? Что искать?

Выбирая умную лампочку, обратите внимание на несколько ключевых особенностей. В основном это:
Беспроводная связь — на рынке преобладают лампы, использующие Wi-Fi, и это то, на что вам следует делать ставку. Есть модели, использующие Bluetooth, но малый радиус действия сильно ограничивает их функциональность.
Срок службы — параметр, заявленный производителем в часах. Он сообщает вам, сколько часов данная лампочка будет работать без перерыва. В этом случае, конечно, чем дольше, тем лучше.
Диммируемая — в более дешевых моделях такой опции нет. Модели среднего и высокого класса имеют функцию затемнения и повышения яркости.
Приложение — речь идет о приложении, с помощью которого вы будете контролировать работу лампочки. Проверьте, доступно ли приложение на русском языке. Это важно, например, если вы не хотите переводить китайские марки. Кроме того, важна прозрачность приложения и простота его использования. Проверьте, сколько функций поддерживает данное приложение.
Мощность — не сравнивайте мощность умных лампочек со старыми лампами накаливания. В случае последнего у вас обычно был диапазон от 40 до 100 Вт. Для умных ламп этот диапазон обычно составляет от 5 до 10 Вт полезной мощности, но светодиодная лампа мощностью 10 Вт дает сильный свет, эквивалентный 60 Вт старой лампы.
Угол луча — этот параметр сообщает вам, под каким углом будет направлен свет. Обычно это 140 или 180 градусов. Это определяет назначение и место, где должна быть установлена лампочка.
Диапазон световой температуры — этот параметр определяет степень, в которой вы сможете регулировать световую температуру. Проще говоря, температура 2500К означает, что свет воспринимается нами как желтый — теплый. Значения выше 4000K воспринимаются нами как белый цвет — аналог дневного цвета.
Цвет света — самые простые модели лампочек светятся только белым цветом. В более дорогих моделях используются диоды разного цвета. Сочетание цветов в различных конфигурациях дает даже несколько миллионов цветовых вариантов света.
Световой поток — определяется в люменах. Проще говоря, он определяет, будет ли ваша лампочка светить сильно или тускло. Чем выше поток, тем больше света излучает ваш светодиод.
Охлаждение — некоторые умные лампочки имеют системы охлаждения, которые продлевают срок их службы. Охлаждение может иметь форму радиатора или небольшой мембраны, которая позволяет воздуху циркулировать путем вибрации. Таким образом, он отводит тепло от лампы.
Лучшие умные лампочки по типу:
1. На основе требований к концентратору
Действительно ли умным лампочкам нужен хаб? Хаб действует как посредник между вашими лампочками и маршрутизатором. Некоторые модели подключаются через концентратор, некоторые через Wi-Fi, а некоторые напрямую через Bluetooth. Однако соединение Bluetooth похоже на ИК-пульт и может использоваться только тогда, когда вы находитесь в пределах досягаемости ламп. Добавление дополнительного концентратора стоит немного дороже, и это добавляет еще один шаг к процессу установки. Ниже приведены некоторые из лучших умных лампочек, которые работают без посредников.
2. Умные лампочки на основе уровней яркости.
Многие модели в этом бизнесе предлагают только включение или выключение, т. Е. Нет контроля уровня яркости лампы. С другой стороны, некоторые модели действительно достаточно умны, чтобы предлагать регулируемые уровни яркости, что означает, что вы можете настроить, насколько ярким должен быть свет, когда вы читаете, или насколько холодным / теплым он должен быть, когда вы смотрите фильм. Вот умные лампочки, которые для вашего удобства поддерживают уровни яркости от 1% до 100%.
Итак, какого цвета умную лампочку вы покупаете и почему? Предупредите нас, если мы упустили отличную лампочку, которая должна быть указана выше.
Программы для Windows, мобильные приложения, игры – ВСЁ БЕСПЛАТНО, в нашем закрытом телеграмм канале – Подписывайтесь:)
Как работает диммируемая LED-лампа?
Использование ламп с регулируемым освещением не представляет никакого труда. Пользователю достаточно повернуть переключатель или нажать кнопку, чтобы изменить освещённость. Гораздо сложнее процессы, проходящие в лампе и диммере.
Как учёные «заставили» LED-лампу менять интенсивность светопотока:
- Реакция недиммируемой лампы на регулировку. При попытках регулировать яркость обычной лампы сначала ничего не меняется – осветительный прибор никак не реагирует на поворот ручки диммера. Это объясняется программой драйвера. У него имеется чёткая задача – поддерживать значения тока и напряжения на заданном уровне. Если напряжение на входе становится слишком низким, устройство наконец-то реагирует – оно просто выключает диоды (если лампа от хорошего производителя) или начинает мигать (бюджетные изделия). Она «не понимает», как ей действовать.
- Принцип работы диммируемой лампы. Изобретатели решили эту проблему, поменяв схему драйвера. В диммируемой лампе он следит за уровнем напряжения, которое подается на её вход. Как только оно изменяется, драйвер автоматически меняет ток, проходящий через светодиод.
Диммер меняет мощность потребителя путём регулировки напряжения, подводимого к нагрузке. Мощность снижается/повышается вместе с падением/ростом напряжения. Эта зависимость выражается физической формулой: Р = I * U.
Ток (I) и напряжение (U) связаны между собой законом Ома: I = U/R. Увеличивая сопротивление нагрузки (R), мы уменьшаем напряжение и мощность лампы.
Регулировку сопротивления нагрузки производят с помощью:
- резисторов;
- конденсаторов;
- дросселей.
Сама по себе диммируемая лампа ничего особенного собой не представляет. Только в совокупности с регулятором она приобретает новые функции. Светорегуляторы работают на полупроводниковых устройствах, меняющих сопротивление.
Принцип работы светорегулятора зависит от его типа. Различают следующие диммеры:
- Резистивные. Формирование рабочего параметра производится путём изменения сопротивления реостата или переменного резистора, включаемого последовательно нагрузке. Максимальному сопротивлению соответствует минимальный ток и минимальная яркость. Минус таких регуляторов – постоянная потребляемая мощность. Из-за этого с ним не получается сэкономить на электроэнергии.
- Симисторные. Их работа основана на работе симистора – полупроводникового элемента, изменяющего кривую тока до нужных параметров. Это оптимальный вариант светорегуляции, так как он позволяет экономить на освещении за счёт уменьшения интенсивности светопотока.
Лампа TECKIN Smart WiFi (14 долларов США)
Эти энергоэффективные умные лампочки имеют длительный срок службы более 30 000 часов и поддерживают более миллиона цветов. Осветите свой дом этими умными лампочками Wi-Fi RGB с помощью приложения Smart Life. Совместимость с Amazon Alexa, Google Assistant и Smart Life, вы можете управлять лампочками с помощью голосового управления или наслаждаться самым простым способом с помощью автоматического расписания. Пульт дистанционного управления позволяет вам управлять лампами, даже если вы находитесь вдали от дома. Лампочки Teckin не только умны, но и обеспечивают один из самых ярких цветов с цветовым диапазоном от 2800k до 6200k.
Купить: Лампа TECKIN Smart WiFi (14 долларов США)
Чем отличается умная лампочка от обычной?
Внешне вы наверняка не сможете отличить smart-лампочку от тех, которые вкручены сейчас в вашей люстре. Все дело в начинке. Умная лампочка содержит огромное количество модулей, которые значительно расширяют функциональность.
Владелец такого гаджета навсегда забудет, где у него дома находится выключатель света. Управление гаджетом он будет осуществлять при помощи своего смартфона – через мобильное приложение производителя. Пользователь сможет настроить лампочку таким образом, чтобы она автоматически подстраивала уровень интенсивности освещения под внешние условия. Интенсивность будет падать по мере приближения к ночи – таким образом лампочка смоделирует внутри комнаты мини-закат. Это полезно для организма, который испытывает меньше стресса и выделяет больше мелатонина – человеку будет проще заснуть.

Умные лампочки опционально реагируют на звук или на движения – опять же пользователь может эти опции активировать и деактивировать через приложение. Какая польза для домовладельца? Например, не нужно переживать по поводу того, выключили ли вы свет в ванной или туалете. Если движения нет, лампочка автоматически выключится. Кроме того, это надежная защита от грабителей. Если кто-то попытается проникнуть в дом, свет включится и испугает воров.
У умных лампочек еще много разных функций, которые необходимо рассматривать применительно к конкретным моделям
Важно, чтобы вы хотя бы примерно поняли, почему Smart-лампы в 10-15 раз дороже обычных
Зачем дополнительно досвечивать растения?
Любые растения без света не способны к фотосинтезу – главному биохимическому процессу, который определяет их жизнь. Даже самым теневыносливым растениям требуется либо пара часов прямого света, либо рассеянное, но яркое освещение. Длина светового дня тоже имеет значение, особенно когда речь идет о растениях – уроженцах тропиков, где световой день никогда не бывает таким коротким, как в наших широтах в зимнее время. Большинство комнатных растений исторически происходят из тропиков и поэтому нуждаются в длинном световом дне. То же самое касается огородных тепличных растений, рассады перцев и баклажанов и многих садовых декоративных культур, которые в нашем климате можно вырастить, только посеяв семена зимой или ранней весной.
Судите сами: всходам и многим комнатным растениям для нормального развития требуется не менее 12–16 часов яркого света. Продолжительность светового дня, например, в Москве в декабре – около 7 часов, в марте – 11–12 часов, причем это бледный, рассеянный свет. В городской квартире и этот скудный свет скрадывается при любой ориентации окон, кроме южной и юго-восточной. В квартирах нижних этажей, где под окнами растут деревья, или при плотной застройке, когда солнце загораживают другие дома, света может не хватать даже на южном подоконнике. В таких условиях без дополнительной досветки приходится довольствоваться самыми неказистыми комнатными растениями и почти невозможно вырастить здоровую рассаду.
С момента появления всходов рассаду досвечивают без перерыва в течение 3–4 суток. Затем 2–3 дня сокращают до 16 часов в сутки, после до 14. Закончив огородный сезон, можно продолжать досвечивать комнатные растения — например, орхидеи, чтобы они смогли выгнать больше бутонов. Сколько нужно досвечивать комнатные растения? Хорошо бы ежедневно включать фитолампы на 4–5 часов.
Основные требования и правила выбора
Сразу оговоримся, что выбирать мы будем лампу именно для работы, а не декоративную, к которой предъявляются совсем другие и менее жёсткие требования
На что нужно обратить внимание при выборе такого светового прибора в первую очередь?. Ширина светового пучка
Настольная лампа должна равномерно и полностью освещать всю рабочую зону, а ещё лучше, если световое пятно будет несколько больше. В противном случае придётся либо высоко поднимать её, что грозит ослеплением, либо постоянно двигать осветительный прибор
Ширина светового пучка. Настольная лампа должна равномерно и полностью освещать всю рабочую зону, а ещё лучше, если световое пятно будет несколько больше. В противном случае придётся либо высоко поднимать её, что грозит ослеплением, либо постоянно двигать осветительный прибор.
Лампа не должна слепить. Плафон осветительного прибора для работы должен быть непрозрачным, источник света утоплен. Иначе настольная лампа будет слепить. По этой же причине «голова» светильника не должна располагаться слишком высоко над рабочим местом. И не стоит брать его с блестящими, скажем, хромированными подставкой и колонной, которые будут «пускать зайчики».
Качество света. Здесь ориентируемся сразу по нескольким параметрам:
- коэффициент пульсаций;
- цветовая температура.
Коэффициент пульсаций — очень важный параметр. Мерцающая с частотой сети лампочка не только утомляет, но и несёт серьёзный вред здоровью. Наиболее подвержены пульсациям люминесцентные лампочки с электромагнитным пускорегулирующим аппаратом (ЭмПРА) или дешевые китайские КЛЛ. Лампочки накаливания в этом плане займут второе место, а практически полностью свободными от пульсаций можно считать светодиодные источники света, но при условии, что они будут снабжены качественными драйверами.
От цветовой температуры зависят наши комфорт и работоспособность. Холодный белый свет, характерный для люминесцентных лампочек, собирает, заставляет сконцентрироваться, настраивает на работу, но утомляет. Тёплый с желтоватым оттенком, напротив, расслабляет, делает предметы на рабочем столе менее контрастными. Оптимальным же для работы будет естественный белый свет. Его ещё называют белым нейтральным — он наиболее привычен нашим глазам.
Необходимая яркость. Именно необходимая, а не достаточная. Конечно, рабочее место должно хорошо освещаться, но сильно хорошо тоже нехорошо. При чрезмерной яркости освещения уставать глаза будут, как и при недостаточном. Оптимальная освещенность рабочей зоны должна составлять 300–500 лк. Такую освещённость создаст, к примеру, лампочка накаливания мощностью 60 Вт, помещённая на расстоянии 50–70 см от рабочего места.
Возможность регулировки. При выборе прибора для освещения рабочего места лучше остановиться на светильниках, позволяющих изменять угол наклона и поворота, а также высоту «головы». Чем больше степеней свободы имеет колонна, тем лучше. Конструкция, изображённая на фото слева, имеет 3 регулируемых соединения + поворотную голову, а стойку правого прибора можно изогнуть вообще как угодно.
Компактность. Настольный светильник для работы должен быть компактным, не занимать много места на рабочем столе. Ведь это не украшение, а рабочий инструмент.
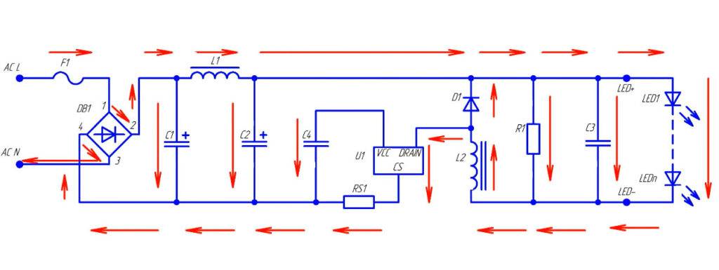
Схема работы филаментной лампы
Как работает вся эта схема? После подачи напряжения ток поступает на цоколь
светильника (его нижний контакт).
Проходя через предохранитель (F1), он выпрямляется диодным мостом (DB1). Из переменного тока мы получаем постоянный.

Далее вступают в дело конденсаторы (С1-С2) и дроссель (L1). Они сглаживают ток.
Дойдя до микросхемы (U1), он опять проходит преобразование и превращается в высокочастотные импульсы, которые сглаживаются конденсатором. Пробежав всю эту цепочку, ток наконец проходит через светодиоды филаментов и возвращается обратно в сеть.
Стабилизация тока, протекающего через филаменты, происходит через микросхему регулятора с помощью измерительного сопротивления (RS1).
Почему умная?
Такие лампы разработаны для системы «Умный дом». Это интеллектуальный комплекс, состоящий из устройств, регулируемых автоматически. Они участвуют в жизнеобеспечении и безопасности жилья.
Такая лампа состоит из светодиодов и имеет следующие характеристики:
- Мощность: в основном колеблется в пределах 6-10 Вт.
- Цветовая температура: этот параметр определяет цвет и качество светового потока. Раньше люди не имели об этом представления, так как лампы накаливания излучали только желтый свет. У светодиодных ламп этот показатель колеблется. Все зависит от их полупроводника: 2700-3200 К – «теплое» освещение, 3500-6000 К – естественное, от 6000 К – «холодное».
В умных лампах существует широкий диапазон данного параметра – например, 2700-6500К. С помощью регулировки можно выбрать любой тип освещения.
- Тип цоколя – Е27 или Е14.
- Рабочий ресурс: существуют изделия, которые могут прослужить вам 15, а то и 20 лет.
Теперь поговорим о прямых обязанностях данной лампы:
- Позволяет автоматически включать и выключать свет при движении.
- Регулирование яркости освещения.
- Возможность использования в качестве будильника.
- Создание световых сцен. В работу включают сразу несколько приборов. Запоминаются режимы, которые используются наиболее часто.
- Управление голосом.
- Для тех, кто надолго оставляет свое жилище, подойдет функция, которая имитирует присутствие хозяев. Свет будет периодически включаться, выключаться – благодаря установленной программе.
- Автоматическое включение света, когда стемнеет на улице. И наоборот – его выключение, когда начнет светать.
- Энергосберегающий эффект: позволяет сэкономить до 40% электроэнергии.
Просто удивительно, что может сотворить простая лампочка.
В чем различия диммеров?
Если вы собрались использовать выключатель с регулировкой яркости, сперва нужно узнать какие они бывают. И вообще все ли светодиодные лампы можно диммировать?
Диммеры различаются по следующим критериям:
- По типу монтажа;
- по исполнению и способу управления;
- по способу регулирования.
Давайте разберемся по подробнее с каждым из них.
По типу монтажа
Для наружного монтажа – накладной выключатель с диммером для светодиодных ламп. Для установки такого прибора не нужно высверливать в стене нишу, он просто крепится сверху на стену. Очень удобно использовать в тех случаях, когда интерьер не в приоритете или проложена наружная проводка.
Для внутреннего монтажа – отлично впишутся в любой интерьер, как например этот.
Для монтажа на DIN рейку весьма специфичны и сперва может показаться, что они не практичны. Однако этот регулятор освещения для светодиодных ламп работает с пультом дистанционного управления, при этом спрятан от посторонних глаз в электрощите.
По исполнению
По исполнению регулятор света для светодиодных и ламп накаливания может быть:
- Поворотным;
- поворотно-нажимного типа;
- кнопочным;
- сенсорным;
Поворотный – один из самых простых вариантов регулятора яркости светодиодной лампы, выглядит незатейливо обладает простейшим функционалом.
Поворотно-нажимной выглядит практически также, как и поворотный. Благодаря своей конструкции, при нажатии на него зажигается свет с такой яркостью, какая была установлена при последнем включении.
Кнопочный регулятор для светодиодного освещения выглядит уже более технологично и органично впишется в современную квартиру. Как например этот выключатель с регулятором яркости для светодиодных ламп.
Сенсорные модели и вовсе могут быть совершенно различны – начиная от светящихся кружочков, заканчивая ровными одноцветными панелями для регулировки напряжения светодиодных ламп.
По способу регулировки
Диммеры бывают разные не только по их исполнению, но и по принципу работы. Это касается именно диммеров переменного тока.
Первый тип диммеров более распространённый и дешевый, по причине простоты своей схемы – это диммер с отсечкой по переднему фронту (англ. leading edge). Немного дальше будет подробно рассмотрен его принцип работы и схема, для сравнения взгляните на вид напряжения на выходе такого регулятора.
По графику видно, что на нагрузку подается остаток полуволны, а её начало срезается. Из-за характера включения нагрузки, в электросетях наводятся помехи, что мешает работе телевизоров и других устройство. На лампу подаётся напряжение установленной амплитуды, а затем оно затухает, когда синусоида переходит через ноль.
Можно ли использовать leading edge диммер для диодных ламп? Можно. Светодиодные лампы с диммером этого типа будут хорошо поддаваться регулировке, только если они изначально для этого созданы. Об этом свидетельствуют символы на её упаковке. Они еще называются «диммируемые».
Второй тип работает иначе, создает меньше помех и лучше работает с разными лампочками – это диммер с отсечкой по заднему фронту (англ. falling edge).
Регулировка светодиодных ламп с диммерами такого типа происходит лучше, а его конструкция лучше поддерживает недиммируемые источники света. Единственный недостаток – эти лампы могут регулировать свою яркость не с «нуля», а в определенном диапазоне. При этом диммируемые светодиодные лампы – просто великолепно регулируются.
Отдельное слово можно сказать о готовых светодиодных светильниках с регулировкой яркости. Это отдельный класс осветительных устройств, которые не нуждаются в установке дополнительных регуляторов, а имеют его в своей конструкции. Их регулировки производятся с помощью кнопок на корпусе или с пульта.
Советы по выбору

Выбирая лампы, обратите внимание на несколько критериев и функций устройств:
Подключение к Wi-Fi. Наличие специального приложения и подключения ламп к нему позволяет дистанционно регулировать освещение, контролировать уровень расхода энергии. Это не только удобно, но и технологично с точки зрения устройств для Умного дома.
Датчики дыма. Умная лампочка сама подаст сигнал на телефон о том, что велика опасность задымления. Конечно, нельзя полностью заменить лампой с датчиком настоящую систему противопожарной сигнализации, но все же в вопросах безопасности данная функция — одна из значимых.
Экономный расход электроэнергии. Благодаря умным лампочкам вы сэкономите немалый бюджет, который раньше тратили на оплату услуг
Правда, далеко не все лампы позволят вам сэкономить, обращайте внимание на мощность, технические характеристики устройств.
Видеосъемка и датчик движения. Они повышают уровень безопасности вашего дома, особенно если вы периодически уезжаете из дома на длительное время
Управление осуществляется с помощью вашего гаджета и установленного приложения.
Виды умных ламп
Умная лампа – осветительный прибор светодиодного типа, оснащенный дополнительными модулями и датчиками, благодаря чему она становится функциональней, безопасней, более гибкой в эксплуатации. И самый главный эффект – она существенно экономит электроэнергию.

Все современные модели таких ламп делятся на два вида. Модели, которые с помощью датчиков реагируют на происходящее. Выключение и включение света происходит в автономном режиме.
Датчики бывают:
- акустическими;
- оптическими;
- инфракрасными;
Лампа с акустическим датчиком реагирует на звуки от движения людей и различные шумы. При конкретных звуках, например, когда открываются двери, слышен шум ключей, будет появляться освещение.
Оптический датчик позволяет реагировать на освещенность в помещении. Если в комнате довольно светло, датчик отключит лампу, а если недостаточное освещение – включит.

Лампы с инфракрасным сенсором реагируют на излучения, исходящие от человека. Свет автоматически включится, когда кто-то появится в зоне покрытия, соответственно, выключится, когда объект выйдет из помещения.
Второй вид – это smart-лампы. Для управления ими нужны специальные приложения и смартфон.
Существуют и модели, сочетающие функциональности первого и второго вида. С помощью специальной программы в них настраивают яркость, цвет, определяются со способом работы и в автоматическом режиме запускают.
По функциональности умные лампы бывают:

- Со строенными аккумуляторами. Такие осветительные устройства способны работать определенный период времени автоматически без электричества. Есть и светильники на батареях.
- С управлением по голосу. Датчик распознает речь по определенной фразе и запускает в работу осветительный элемент: выключает или отключает его.
- С датчиком, измеряющим уровень освещенности.
- Со способностями реагировать на цветовую температуру (интенсивность излучения).
Преимущества и недостатки умного освещения
Чтобы убедиться, что умные лампочки – хорошее вложение, вам нужно внимательнее изучить их плюсы и минусы. Да, стоимость такого осветительного оборудования довольно высока, но по сравнению с классическими осветительными приборами они отличаются рядом преимуществ.
Список преимуществ должен включать следующее:
- выполнение функций безопасности;
- удобство и большой набор режимов;
- рентабельность;
- автоматическая регулировка освещения в комнате;
- дистанционное управление через модуль Wi-Fi и Bluetooth;
- адаптация к состоянию и обязанностям собственника.
К недостаткам можно отнести возможность злоумышленников внедрить лампочку. К тому же его конструкция довольно сложная, что значительно увеличивает риск поломок и сокращает срок службы. Эта проблема решается покупкой устройства от известного производителя.
Что это такое
Как действует умная лампочка, что это такое, какими возможностями обладает, в чем заключаются преимущества автономного освещения, где лучше ее расположить? Именно такой ряд вопросов возникает у тех, кто впервые сталкивается с подобным бытовым прибором. Разберем далее их подробно.

Принцип действия
Умная лампочка представляет собой соединенный в единый корпус светильник с блоком управления. Благодаря этому ее эксплуатация становится более функциональной, экономичной, безопасной и удобной. Разберем, как работает умная лампочка:
- Датчик (например, сенсор движения) фиксирует изменения в секторе обзора.
- На управляющий модуль через электроцепь поступает сигнал.
- На светящийся элемент (как правило led) проходит электрический ток.
- Светильник зажигается.
- Прибор работает в соответствии с установленными параметрами, а затем гаснет до следующего события или команды из блока по программе.
Техническое оснащение умной лампочки представлено следующими компонентами:
- Цоколь типа Е27 или Е14.
- Стеклянная колба.
- Радиатор охлаждения из алюминия с ребрами на цоколе.
- Светодиоды.
- Блок трансформатора.
- Микроконтроллер.
- Bluetooth-, Wi-Fi-, GPS-датчики.
- Аудио- и видеозаписывающие устройства.
- Датчик движения, звука, освещенности.
- Охранно-пожарные сенсоры.
Возможности современных умных лампочек
Системы умного света обладают широкими технологическими возможностями:
- Автоматическое включение на движение, звук или с наступлением сумерек.
- Корректировка яркости в зависимости от внешнего света.
- Имитация присутствия хозяина – прибор запоминает алгоритм циклов зажигания и их продолжительность, а затем в отсутствие владельцем повторяет заданную комбинацию. Полезная функция, чтобы отпугнуть от дома злоумышленников.
- Разнообразное оформление интерьера – по типу, мощности, динамике, цвету и т. д.
- Применение в качестве будильника – в виде включения освещения с нарастающей яркостью.
- Настройка функционирования в различных режимах под различные ситуации – завтрак, ужин, библиотека, кинотеатр и т. п.
- Совмещение с другими приборами и датчиками умного дома – задымление, охрана, видеонаблюдение, домофон и проч. Кроме того, можно подключить умную лампочку к Алисе.
- Включение музыкального сопровождения – в детской, в релакс-комнате, на кухне, во время тренировок, праздников.
- Управление через интернет и беспроводным способом посредством Wi-Fi-модуля.
- Усиление покрытия зоны Wi-Fi-интернета на территории дома или квартиры с помощью встроенных антенн.
Преимущества в автоматике освещения
Умные лампочки в составе системы автоматического освещения имеют ряд достоинств:
- Подстройка параметров работы под индивидуальные цели потребителя.
- Автоматизированный процесс настройки освещенности.
- Экономия расхода электроэнергии.
- Широкий выбор режимов функционирования.
- Возможность настройки и управления удаленно через интернет или локально посредством Wi-Fi-порта.
- Взаимодействие с другими интеллектуальными домашними системами – охраной, видеомониторингом, датчиком дыма.
Перечисляя плюсы, нельзя не вспомнить о некоторых минусах умных ламп. Это прежде всего более высокая стоимость по сравнению с обычными световыми приборами. Кроме того, дотошные злоумышленники могут взломать систему доступа к устройству и сопряженному с ними элементами охраны. Однако такой сценарий развития событий маловероятен. Так как многие компоненты современных смарт-систем имеют многоступенчатую эффективную защиту. Также нельзя забывать о том, что в случае выхода из строя гаджета для управления, потери интернет-соединения, зависания приложения прибор останется без контроля.
Традиционно умными лампочками оснащают люстры, плафоны, фонари и любые другие приборы освещения в быту – в квартире, подъезде, в придомовой территории. Однако этим их сфера применения не ограничивается. Благодаря широкому спектру возможностей ими могут оснащаться любые объекты с пожарно-охранной сигнализацией. Также их ставят на производствах, в цеха, в помещениях с оборудованием. Нередко они применяются в общественных местах – аэропортах, вокзалах, больницах, театрах. Более того, модели с изменением динамики в широких диапазонах могут совмещаться с современными музыкальным оборудованием и применяться в качестве элементов светомузыки.
Эксплуатация диммируемых светодиодных ламп
Чтобы диммируемые лампы исправно и долго служили, грамотно их эксплуатируйте. Если правильно выбрать и подключить LED-лампочку, проблем с её работой не возникает.
Схема подключения
Схема включения регулируемых LED-устройств в цепь с диммером зависит от того, на какой вольтаж они рассчитаны.
Варианты включения:
- Лампы на 220 В. Светорегулятор устанавливают в разрыв цепи нагрузки (лампы).
- Лампы на 12 и 24 В. В этом случае между слаботочным диммером и сетью ставят блок питания.
Сам диммер имеет габариты и крепления, идентичные стандартному выключателю света, и ставят его аналогично – укладывают в монтажное углубление или закрепляют на стене в зависимости от конструкции.
Чтобы реализовать идею регулировки яркости освещения, достаточно поменять обычный выключатель на светорегулятор. Сделать это несложно. Оба устройства имеют 2 клеммы, которые подсоединяют к тем же проводам, к которым был подсоединён выключатель.
При подключении диммера полярность неважна. Но если имеется фазовая отвертка-индикатор, и есть возможность определить фазу, рекомендуется фазный провод присоединить к клемме L (так требует производитель).
Регулировка яркости
В диммируемых лампах стоит особый драйвер, осуществляющий широтно-импульсное модулирование. Это устройство меняет яркость от 5 до 100 %. Интенсивность освещения регулируется путём изменения длины и частоты импульса. Третий параметр – амплитуда – остается неизменным.
Переключение яркости осуществляется механическим или сенсорным способом – это зависит от типа диммера. В любом случае обеспечивается комфортная и плавная регулировка уровня освещения.
Срок службы
На срок службы диммируемых LED-ламп влияет, в первую очередь, производитель. В среднем они способны гореть от 15 до 40 тысяч часов.
Факторы, влияющие на продолжительность службы:
- Микроклимат в помещении. Дольше всего лампы служат при умеренных значениях температуры и влажности.
- Цоколь. Более долгим сроком службы отличаются модели, в которых предусмотрены вентиляционные отверстия в цоколе.
- Электросеть. Срок службы сокращается из-за перепадов напряжения и некачественной проводки.
- Подключение. Лампы служат дольше, если они и диммер правильно подключены к сети.
- Качество. Изделия низкого качества служат меньше. Срок службы также может радикально сократить заводской брак.
Что такое Smart Light Bulbs?
Умные лампочки, как и все остальные «умные» технологии, являются растущим компонентом домов и пространств 21 века. Умные лампочки – это лампочки на основе светодиодов (что означает высокую энергоэффективность) и на самом деле уже на некоторое время. Благодаря разнообразным технологическим достижениям интеллектуальные лампочки позволяют вам больше контролировать и настраивать освещение вашего дома, будь то через концентратор, голосовые команды или приложение для смартфонов.
Умные лампочки доступны в белом и / или цветовом вариантах, что дополнительно увеличивает выбор освещения для вашего места, чтобы нанести удар по правильному настроению. Прошли те дни, когда вам приходится вставать с постели по ночам, потому что кто-то забыл выключить свет в гостиной – просто выключите его дистанционно или с голосом, пока там есть умная лампочка.
Большинство умных лампочек имеют стандартный стиль A19, что означает, что они подходят к традиционным розеткам лампочек, таких как лампы и светильники. Это делает их еще проще интегрировать в ваш дом без необходимости обновлять весь свой образ жизни. Разумные луковицы бывают двух основных категорий, которые вы должны знать: те, которые требуют концентратора, и те, которые этого не делают. Обязательно исследуйте, к какой категории относятся ваши желаемые умные лампочки, чтобы устранить сюрпризы в будущем.

Xiaomi Yeelight Wi-Fi

Компания Xiaomi является признанным лидером в области разработки всякого рода умных гаджетов. Wi-Fi лампочка Xiaomi Yeelight является детищем стартапа Yeelight, который стал в итоге подразделением китайского производителя. Совместно они выпускают качественное освещение для умного дома. Теперь Вы можете регулировать не только интенсивность освещения, но и выбирать цвет света, яркость и заранее настраивать время.
Источником света служат энергоэффективные RGB-светодиоды (6 Ватт), что потребляют намного меньше электричества, чем обычные лампы накаливания. Срок службы умной лампочки составляет 20 000 часов. Управление осуществляется при помощи приложения на смартфоне по Wi-Fi с максимальным расстоянием до роутера 30 метров. Поддерживаются операционные системы iOS и Android. Цена составляет 2500 руб.
Заключение
Освещение играет важную роль в жизни каждого. Раздражающее резкое свечение с утра вызовет негативный настрой и снизит работоспособность, испортив весь день, настроение и самочувствие человека. А приятный свет на протяжении дня вызовет психологический подъём и смотивирует двигаться к своей цели.
Психологический фактор нельзя исключать. По этой причине механизм работы умных светильников берёт в расчёт все биологические и эмоциональные факторы. Подбирается подходящее освещение под каждое состояние, что положительно влияет на настроение.
Консультант сайта iphone7.su, соавтор статей. Работает с продукцией Apple более 10 лет.





































