Вариант сборки светильника с лентой
Рассматривая фото светодиодных светильников выполненных самостоятельно, невольно возникает желание сделать такой же себе. Перед началом сборки следует изучить схему сбора простого светильника подключающегося к сети.

В комплектацию подобного рода приборов входят несколько резисторов мощностью 5 Вт и несколько диодов. В таком варианте имеется четное количество диодов.

Если в приборе имеется нечетное количество диодов тогда к комплектации нужно дополнять стабилизатор напряжения. Следует приобретать уже готовое изделие, поскольку в таком случае оно наибольшим образом подойдет под ваш будущий прибор.

Самым простым вариантом прибора света есть светодиодная лента, она прикрепляется с помощью скотча на ровную поверхность. За основу можно брать сломанные приборы, единственное условие, чтобы размеры совпадали.

После закрепления ленты следует заготовку прибора подключить к питанию, в данном случае также могут использоваться или готовый вариант или сделанный самостоятельно.

Собранный самостоятельно блок легко поместить внутри прибора, приобретенный же устанавливается только рядом
Предельное внимание следует обратить на качество изоляции проводов

Разновидности схем и их особенности
Существует 3 схемы драйверов светодиодных ламп, это варианты создания оптимального напряжения в устройствах на светодиодах. Они отличаются сборкой драйвера. Он может быть собран на основе схемы с понижающим трансформатором, такой вариант применяется в мощных и ярких лампах.

Более дешевый вид – сборка по схеме с конденсатором.

А третий вариант используется для схем с большим количеством диодов или при сборке диммируемых ламп. Их называют инверторные схемы.

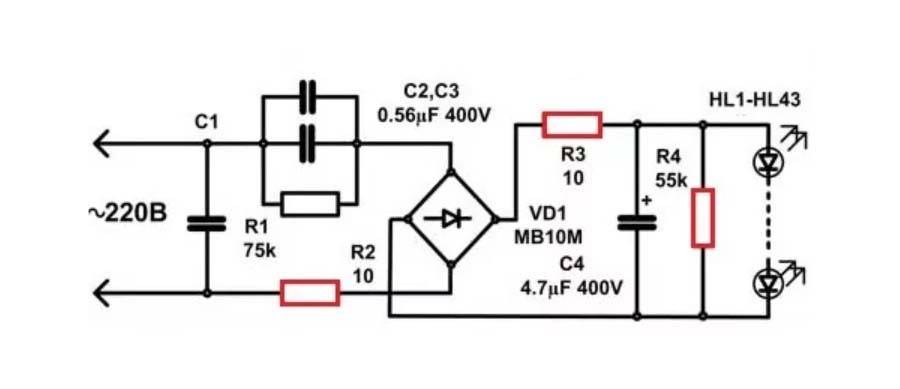
Вариант N1 – с конденсаторами для снижения напряжения
Это самый распространенный тип сборки, который используется в бытовых лампочках. Основными элементами для снижения напряжения выступают конденсаторы С2, С3 и резистор R1. Во время включения лампы резисторы R2 и R3 предохраняют прибор от короткого замыкания и ограничивают ток. Встроенный защитный диод VD1 нужен для преобразования напряжения.

Резистор R4 разряжает прибор, когда ток перестает поступать. В некоторых конструкциях для светодиодных ламп используются не все 4 резистора, а других их комбинации. Такую схему можно сделать и своими руками, используя новые и старые детали.

Преимущества схемы светодиодных ламп с конденсатором:
- невысокая стоимость;
- разнообразные значения напряжения на выходе;
- простая сборка.
Недостатки:
- Поскольку гальваническая развязка отсутствует, есть вероятность удара током. Поэтому во время ремонта ламп запрещено прикасаться к токоведущим частям, находящимся под фазой.
- Напряжение на нагрузке диодов зависит от напряжения входящего тока. Светодиоды могут перегореть, потому что нет стабильной величины подачи электричества.
- Из-за достаточно малой емкости конденсаторов не получится достичь большого светового потока.
Вариант N2 – с импульсным драйвером
Импульсный драйвер гарантированно защищает диоды от помех в подаче тока и перепадов напряжения. Это его главное отличие от драйвера с конденсатором. В данной схеме используются конденсаторы, резисторы и мостовой выпрямитель.

Практически у каждого производителя светотехнического оборудования существует своя схема устройства. Рассмотрим для примера микросхему СРС9909 компании Clare. Она используется для энергосберегающих и экономичных приборов, эффективность применения составляет 98%.

Для сборки своими руками такая схема может использоваться при мощности светильников не более 25В. Широко применяется в электросетях резервного и аварийного освещения.

Преимущества:
- Питание схемы может происходить напрямую от 550В.
- Драйвер комплектуется встроенным стабилизатором.
- Возможность работы в сети с переменным напряжением. Входной диапазон в зависимости от типа модели может быть от 5 до 65В.
- Широкий температурный диапазон применения: от -55°С до +85°С.
- Компактность.
- Высокий КПД в сочетании с низким уровнем пульсации.
Недостатки:
- Более сложная схема, чем с применением линейной конструкции.
- Более высокая стоимость по сравнению с вариантом с конденсатором.
- Нагревается при работе, значительные длительные перегревы могут приводить к уменьшению срока эксплуатации.
- Для предотвращения электромагнитных помех, источником которых является импульсный драйвер, необходимо устанавливать дополнительный фильтр. В дешевых вариантах он не используется.
- Образует нелинейную нагрузку на сеть.
Вариант N3 – с диммируемым драйвером
Схема подключения светодиодной лампы с диммируемым драйвером позволяет регулировать яркость свечения. С помощью ламп с использованием такой схемы можно варьировать степень освещенности помещения или рабочей зоны. Такие схемы широко используются в интерьерном освещении.


Различают 2 основных варианта диммируемых драйверов. Первый работает с ШИМ-управлением. Он монтируется между блоком питания и лампой. В этом случае электричество подается в виде разных по длительности импульсов. Часто такие схемы используются в бегущих строках.

Второй вариант используется для приборов со стабилизированным током, в этом случае драйвер воздействует напрямую на источник тока. Изменение цвета свечения происходит при регулировании подаваемого тока. При увеличении подачи электричества белые диоды начинают светиться синеватым, а при уменьшении излучают желтоватый свет.

По виду управления устройства с диммером могут быть:
- кнопочные;
- механические;
- дистанционные.

Преимущества:
- Простота реализации.
- Возможность регулирования освещения.
- Приемлемая стоимость.
Недостатки:
- Некоторые диммеры с ШИМ-управлением имеют стробоскопические эффекты, которые могут быть очень опасными в промышленности.
- Высокий уровень излучаемых помех.
- Повышенная утомляемость зрения.
Собираем простую светодиодную лампу
Рассмотрим выполнение лампы в стандартной цоколе из люминесцентной лампы. Для этого нам придется немного изменить приведенный выше список материалов.
В этом случае мы используем:
- старая база Е27;
- светодиод НК6;
- драйвер РЛД2-1;
- кусок плотного пластика или картона;
- супер клей;
- электрические кабели;
- сварщик, плоскогубцы, ножницы.
Первоначально необходимо разобрать лампу. В люминесцентных устройствах соединение цоколя с пластиной с трубами осуществляется с помощью защелок
Важно найти точку крепления и поддеть элементы отверткой, что облегчит отсоединение картриджа.Процесс сборки самодельной светодиодной лампы несложен. В корпус вставлен драйвер от старого устройства, поверх которого установлена плата со светодиодами
При разборке устройства нужно проявлять особую осторожность, чтобы не повредить трубы, внутри которых находится ядовитое вещество. При этом необходимо следить за целостностью проводки, подключенной к базе, а также сохранять детали, содержащиеся в ней
Мы используем верхнюю часть с подключенными газоразрядными трубками, чтобы сделать пластину, необходимую для подключения светодиодов. Просто снимите трубчатые элементы и закрепите светодиодные детали в оставшихся круглых отверстиях.
Для их надежного крепления лучше сделать дополнительную крышку из пластика или картона, которая будет служить для изоляции сколов.
В лампе будут использоваться светодиоды НК6, каждый из которых состоит из 6 кристаллов с параллельным включением. Они позволяют создать достаточно яркий светильник с минимальным потреблением электроэнергии.
Чтобы подключить каждый светодиод к крышке, нужно просверлить два отверстия. Их следует аккуратно просверлить в строгом соответствии с выкройкой.
Пластиковая часть позволяет надежно закрепить светодиодные элементы, в то время как использование картона требует дополнительной фиксации светодиодов к основанию с помощью жидких гвоздей или суперклея.
Поскольку устройство рассчитано на использование шести светодиодов мощностью 0,5 Вт каждый, в схеме необходимо предусмотреть три элемента, соединенных параллельно.
Эффектное освещение можно сделать с помощью светодиодной ленты. Этот элемент вставлен в трубку, используемую для люминесцентного освещения
В конструкции, которая будет работать от электрической сети 220 В, должен быть предусмотрен драйвер RLD2-1, который нужно либо купить в магазине, либо изготовить самостоятельно.
Во избежание короткого замыкания перед началом сборки важно изолировать драйвер и карту друг от друга пластиком или картоном. Поскольку лампа почти не нагревается, можно не беспокоиться о перегреве
Собрав все составляющие, можно собрать конструкцию по схеме, а затем подключить к сети для управления свечением.
Устройство, работающее от стандартного картриджа 220 В, имеет низкое энергопотребление и выходную мощность 3 Вт. Последний показатель в 2-3 раза ниже, чем у люминесцентных приборов и в 10 раз ниже, чем у ламп накаливания.
Хотя световой поток составляет всего 100–120 люмен, ослепительно белый цвет делает лампу значительно ярче. Собранный светильник можно использовать как столешницу или для освещения компактного помещения, например коридора или туалета.
Устройство LED-лампы
Прежде чем взяться за практический ремонт, разберемся в работе светодиодной лампы на 220 В теоретически.
Любая светодиодная лампочка (СЛ) – готовый светодиодный светильник, который состоит из набора светодиодов, размещенных на плате определенной, снабженной радиатором для отвода от диодов тепла конфигурации. Нередко роль радиатора выполняет металлический корпус лампы.
Диоды, соединенные последовательно, питает драйвер – источник тока. В бюджетных устройствах ток через светодиоды не стабилизируется и напрямую зависит от колебаний сетевого напряжения. В более дорогих лампах ток через полупроводники стабилизирован на заданном уровне. Второй вариант, конечно, намного надежнее первого, но стоит такая лампа несколько дороже, а ремонт ее сложнее.
Все это устройство помещается в корпус той или иной конструкции, который снабжается цоколем для подключения к сети 220 В и защитным колпачком, одновременно играющим роль светорассеивателя.
На лампе, изображенной выше, роль теплоотвода играет часть корпуса, выполненная из ребристого металла. В некоторых конструкциях ламп корпус может быть пластиковым, а радиатор располагается внутри него.
Важные нюансы
Существует множество систем, согласно которым светодиодное освещение функционирует от переменного тока номиналом 220 Вольт. Причем все они, вместе со схемой балласта, призваны решать три основные задачи.
- Преобразовать переменный ток сети 220в в пульсирующий ток,
- Выровнять пульсирующий ток, сделав его постоянным,
- Добиться показателей силы тока в 12 Вольт.
Если вы хотите собрать устройство, питающееся от обычной сети, для подключения придется разобраться с некоторыми основными проблемами.
- Где расположить схемы и непосредственно само устройство на основе светодиодов. Ведь для диодов потребуется свое место.
- Как можно изолировать устройство осветительного светодиодного прибора.
- Как обеспечить необходимый теплообмен для подключения лампы.
Конечно, можно спокойно приобрести популярную лампу е27. Это диодное устройство является одним из наиболее востребованных на рынке, отлично работает от обычной бытовой сети.
Светодиодная лампа своими руками
Схема простая с гасящим конденсатором.Светодиоды в количестве 8 штук.
Регулируемый резистор R3. Его устанавливал в максимальное сопротивление перед включением, чтоб стрелка прибора не зашкаливала. Потом сводил к минимуму. Конденсатор С2 с напряжением от 340В. Я при тестах ставил 10 мкФ, но из-за размеров он не влез в корпус, установил номиналом меньше. Зачем такое большое напряжение? Это на случай обрыва цепи со светодиодами. Так как напряжение подскочит до напряжения выше чем переменное сетевое в 1.41 раза(230*1,41=324,3В).
Травим плату, сверлим отверстия и лудим.
Конденсатор С1 припаивается навесом к резистору R1. Опять же из-за ограничения корпуса. Резистор R2 вынесен за пределы платы и выполняет роль «поддтяжки». За счет его плата плотно прижимается к корпусу.
Первое включение производил через лампочку. Потребление лампы составило 7.45 ватт. По световому потоку замерить нет возможности, но на глаз более 3 ватт (если сравнивать с рядом лежащей покупной).
У схемы отсутствует гальваническая развязка от сети. Будь те осторожны при экспериментах и эксплуатации
Так же соблюдайте осторожность при установке лампы. Монтаж производить при отключенном выключателе
Лампа уже работает около полутора лет при постоянном включении/выключении.
На видео все можно рассмотреть в деталях:
Получайте на почту подборку новых самоделок. Никакого спама, только полезные идеи!
*Заполняя форму вы соглашаетесь на обработку персональных данных
Как отремонтировать потолочный или настенный светильник?
Внимание
Светодиодные люстры и светильники выходят из строя аналогично приборам с лампами накаливания.
Встречаются следующие виды поломок:
- полностью или частично погасли диоды;
- появилось кратковременное мигание;
- прибор самопроизвольно отключается и включается.
- некорректные условия эксплуатации;
- перегрев (иногда диоды нагреваются до 50 градусов и выше, поэтому элементы выгорают);
- перенапряжение сети или пробой конденсатора (перегорание).
Как отремонтировать:
- Выясняется причина поломки. Нужно снять люстру с потолка или светильник со стены и использовать отвёртку (крестообразную или с плоским концом) для разбора. Могут понадобиться ещё клещи, пинцет, мультиметр, изолента. Этими инструментами можно проверить исправность контактов.
- В разобранном устройстве необходимо тщательно рассмотреть плату на предмет видимых дефектов драйвера, обрыва проводов, других компонентов электросхемы.
- Если на цоколе лампы или на самих диодах есть подгоревшие места, обнаружены дефекты драйвера, ремонт предполагает либо замену повреждённого элемента, либо спаивание разорванных контактов.
- Если причина поломки не выявлена, то рекомендуется провести проверку работоспособности цепи светодиодов.
отдельная статья
Трезвый расчет — основа успеха ↑
LED ленты выпускаются рулонами длиной 5 м, в каждом метре может быть установлено от 30 до 120 штук светодиодов. Не обязательно использовать все пять метров. Если планируется подсветка меньшего участка, можно отрезать до необходимой длины. Лишь бы где попало, конечно, резать нельзя. Кратность резки должна составлять 3 светодиода, чаще всего места возможной резки обозначены производителем.
Светодиодные ленты нельзя подключать прямиком к сети, только к блоку питания. Чтобы подобрать источник питания требующейся мощности, необходимо знать суммарную потребляемую мощность всей используемой ленты.
Приведем пример расчета:
Мы приобрели ленту SMD 3528. Ее длина составляет 5 м, рабочее напряжение 12 V, количество светодиодов в одном метре 60 штук, а потребляемая мощность – 4,8 Вт/м. Другими словами каждый метр нашей ленты потребляет 4,8 Вт. Все эти параметры указаны на самой ленте или упаковке.
Длина участка, который мы хотим осветить, составляет 7 м. Значит, одной ленты не хватает. Докупаем еще одну кассету 5 м длиной и отрезаем от нее 2 м, которые нам необходимы.
Потребляемая мощность ленты: Pобщ = Pм * L = 4,8 Вт/м * 7 м = 33,6 Вт;
Где,
Pобщ – суммарная потребляемая мощность всей ленты;
Pм – потребляемая мощность одного метра ленты;
L – длина ленты.
Итого, получилась общая потребляемая мощность ленты 33,6 Вт. Но для обеспечения правильной работы блока питания необходимо сделать запас мощности 20%.
P = Pобщ * kз = 33,6 Вт * 1,2 = 40,32 Вт;
Где,
P – требуемая мощность блока питания;
kз – коэффициент запаса (20% — в данном случае).
Теперь по каталогу блоков питания для светодиодных лент необходимо выбрать такой, мощность которого близка к 40,32 Вт, но не ниже.
Светодиодный светильник можно использовать в подвесных потолках
Светодиоды уже перестали применять только в качестве декоративной подсветки. Новые технологии производства сверхмощных светодиодов позволяют использовать их в качестве головного освещения в доме или квартире и даже на производстве.
Расчет светодиодного освещения в данном случае производится с учетом СНиПов, СанПиНов и других нормативных документов, чтобы обеспечить комфортные условия пребывания, жизнедеятельности или рабочего процесса в помещении.
Для расчета количества светодиодных светильников и распределения освещенности можно воспользоваться специальными программами, которые находятся в свободном доступе для скачивания в интернет, например, DIALux.
Если же точные данные не нужны, можно попробовать сделать расчеты самостоятельно – полу опытным способом. Вначале определяемся, что мы хотим осветить, вместо каких ламп уже имеющихся будем использовать светодиодные. Для каждой задачи потребуются разные светильники: будь то подсветка полов, головное освещение в комнате, подсветка мебели или подвесного потолка.
Для расчетов нам потребуется только один параметр – световой поток. Это своеобразная яркость, интенсивность света, измеряемая в люменах (Лм). Производитель обязательно указывает значение светового потока на своей продукции, в том числе и на светодиодных лампах. Расчет будем делать, исходя из того, что 100 Вт лампа накаливания светит примерно на 1200 – 1300 Лм. Например, для замены лампочки в туалете на 60 Вт понадобится найти светодиодный светильник со светоотдачей в 600 – 700 Лм.
Если же информации на упаковке недостаточно, можно выполнить расчеты, исходя из мощности светильника. Чаще всего светодиодные лампы потребляют от 5 Вт до 12 Вт. При этом примерный световой поток на 1 Вт составляет 50 – 80 Лм. Может быть и больше, но мы будем брать по-минимуму – 50. Для освещения комнаты площадью 18 м2 необходимо 2500 Лм. Делим на минимальный возможный световой поток в 50 Лм на 1 Вт. Получаем 50 Вт. Именно такой должна быть суммарная мощность светодиодного освещения в комнате. А вот как выбрать: 10 светильников по 5 Вт каждый, рассеянные равномерно по помещению, или 4 мощных светильника по 12 Вт, — решать Вам.
Ведущие производители LED-ламп
Производители LED-продукции с мировым именем ценят свой имидж, потому стремятся выпускать светильники с параметрами, которые полностью соответствуют заявленным.
Лучшими изготовителями премиальных светодиодных ламп являются:
- Philips;
- Osram;
- Eurolamp;
- Gauss.
Цены на продукцию перечисленных компаний самые высокие, но и качество светильников великолепное.

Разница в стоимости одинаковых по мощности ламп лучших брендов и дешевых производителей составляет всего 30-70%, поэтому покупать рекомендуется более надежные модели
Средний ценовой сегмент в производстве LED-ламп занимают следующие фирмы:
- Feron;
- Camelion;
- Jazzway;
- Estares;
- Эра;
- Navigator;
- Ecola;
- Оптоган.
Эти компании стремятся использовать в производстве недорогие компоненты без сильного ущерба качеству. Часто их лампы ломаются в первые дни эксплуатации, но без проблем заменяются по гарантии.
Покупать LED-продукцию малоизвестных китайских и отечественных брендов не рекомендуется, потому что их гарантийный срок редко превышает 4-6 месяцев. Кроме того, им не важен имидж бренда, а значит, есть возможность беспрепятственно использовать при производстве второсортные комплектующие.
Сборка светильника
В первую очередь необходимо из светильника удалить плато ЭПРА. Затем на него наклеиваются отрезки светодиодной ленты. В данном случае количество наклеиваемых рядов может быть разным, к примеру, шесть рядов по три диода в каждом с поперечной установкой. Вариации установки могут быть разными, главное – точно соблюсти мощность необходимого свечения.
Блок питания
На этом элементе нового светильника необходимо остановиться более подробно, потому что светодиодная лента на блоке питания люминесцентной лампы работать не будет. Все дело в том, что для светодиодной ленты необходима стабилизация напряжения и тока. Если этого не сделать, то диоды будут перегреваться, и в конечном итоге просто перегорят.
В нашем случае оптимальный вариант – это блок питания без трансформатора, но с балластным конденсатором. Вот схема блока питания снизу.

Блок питания с балластным конденсатором
В этой схеме C1 – это тот самый балластный конденсатор, который гасит сетевое напряжение 220 вольт. После него ток подается на диодный выпрямитель VD1-VD4. После этого постоянное напряжение подается на фильтр C2. Чтобы конденсаторы быстро разряжались, в схему установлено два резистора R2 для C1, R3 для C2. Резистор R1 – это своеобразный ограничитель сетевого напряжения, а диод VD5 – это защита от перенапряжения выходного тока, которое составляет максимум 12 вольт (это на случай, если произошел обрыв светодиодной ленты).
Самый главный элемент в этой электрической сети – конденсатор C1
Здесь важно точно подобрать его по необходимым параметрам емкости. Не стоит для этого пользоваться сложными формулами. Просто найдите в интернете калькулятор, с помощью которого вы точно проведете расчет
Правда, для этого понадобится одна вводная информация: сила тока на отрезке светодиодной ленты. Обычно это указывается в паспорте изделия
Просто найдите в интернете калькулятор, с помощью которого вы точно проведете расчет. Правда, для этого понадобится одна вводная информация: сила тока на отрезке светодиодной ленты. Обычно это указывается в паспорте изделия.
Но учитывайте тот момент, что в сопроводительных документах указывается максимальный параметр тока, поэтому не стоит его принимать, как основной. К примеру, ток в 150 мА будет нормальным для нового светильника длиною 30 см. При этом светодиоды нагреваться не будут, а яркость свечения будет достаточной.

Блок питания для светодиодной ленты
Попробуйте ввести в калькулятор наши данные, вы получите показатель емкости конденсатора – 2,08 мкФ. Округляем его до стандартного – 2,2 мкФ, который будет выдерживать напряжение до 400 вольт.
ЭПРА
Постоянно выходящий из строя ЭПРА выбрасывать не надо. Его необходимо проверить на исправность
Здесь важно, чтобы был цел диодный мост, все остальные детали можно убрать
А вот теперь необходимо проверить блок питание и плато на предмет корректной работы. Просто к блоку надо подсоединить светодиодную ленту, включить его в розетку и проверить, как работают светодиоды. Если вас все устраивает, то можно устанавливать блок питание в корпус светильника и делать капитальное соединение всех его частей между собой.
Схемы светодиодных ламп
Прежде всего, следует выработать вариант сборки. Существует два основных способа, каждый из которых имеет собственные плюсы и минусы. Ниже мы рассмотрим их подробнее.
Вариант с диодным мостом
Схема включает четыре диода, которые подключаются разнонаправленно. Благодаря этому мост приобретает возможность трансформировать сетевой ток в 220 V в пульсирующий.

Схема светодиодного моста отличается простотой и логичностью. Выполнить ее может даже начинающий мастер, осваивающий азы самостоятельной работы
Происходит это следующим образом: при проходе по двум диодам синусоидальных полуволн, они изменяются, что вызывает потерю полярности.
При сборке к плюсовому выходу перед мостом подключается конденсатор; перед минусовой клеммой – сопротивление на 100 Ом. Еще один конденсатор устанавливается позади моста: он понадобится для сглаживания перепадов напряжения.
Изготовление светодиодного элемента
Наиболее простым способом создания LED светильника является выполнение источника света на основе сломанного светильника. Необходимо проверить работоспособность обнаруженных деталей, что можно сделать с помощью аккумулятора на 12 V.
Неисправные элементы нужно заменить. Для этого следует распаять контакты, убрав перегоревшие элементы, поставить на их место новые
При этом важно соблюдать чередование анодов и катодов, которые крепятся последовательно
Если требуется поменять лишь 2-3 штуки чипа, достаточно просто припаять их на участки, где ранее находились вышедшие из строя компоненты.
При полной самостоятельной сборке нужно соединять в ряд по 10 диодов, соблюдая правила полярности. Несколько выполненных цепей припаиваются к проводам.
При изготовлении лампы можно воспользоваться платами со светодиодами, которые можно найти в перегоревших устройствах
Важно лишь проверить их работоспособность. При сборке схем важно следить, чтобы спаянные концы не касались друг друга, поскольку это может привести к замыканию прибора и выхода системы из строя
При сборке схем важно следить, чтобы спаянные концы не касались друг друга, поскольку это может привести к замыканию прибора и выхода системы из строя
Приспособления для более мягкого света
Чтобы избежать мерцания, свойственного LED-светильникам, описанную выше схему можно дополнить несколькими деталями. Таким образом, она должна состоять из диодного моста, резисторов на 100 и 230 Ом, конденсаторов на 400 нФ и 10 мкФ.
Чтобы защитить устройство от перепадов напряжения в начале схемы помещается резистор в 100 Ом, за которым впаивается конденсатор 400 нФ, после него устанавливается диодный мост и еще один резистор на 230 Ом, за которым идет собранная цепочка светодиодов.
Приборы с резисторным сопротивлением
Подобная схема также вполне доступна начинающему мастеру. Для ее выполнения требуются два резистора 12k и две цепочки из одинакового числа светодиодов, которые припаиваются последовательно с учетом полярности. При этом одна полоса со стороны R1 подсоединяется катодом, а другая – с R2 – анодом.
Выполненные по этой схеме светильники имеют более мягкий свет, поскольку действующие элементы зажигаются по очереди, благодаря чему пульсация вспышек почти незаметна невооруженному глазу.

Для расчета мощности лампы необходимо знать величину тока, который проходит через светодиоды. Эту величину можно рассчитать по приведенной формуле. При этом нужно учесть, что на показатель падения напряжения в последовательно соединенных 12 светодиодах составляет примерно 36В
Устройства успешно применяются в качестве настольной лампы и в других целях. Для создания оптимального освещения специалисты рекомендуют применять ленты из 20-40 диодов. Меньшее количество дает небольшой световой поток, соединение большего числа элементов технически довольно сложно выполнить.
Простейшая в сборке лампочка из светодиодов
Вам потребуется:
- неисправная энергосберегающая лампочка;
- светодиоды HK6;
- картон;
- инструменты: пассатижи, паяльник.
Пошаговая инструкция
Аккуратно отделить цокольную часть от корпуса-рассеивателя энергосберегайки
Обычно она собирается при помощи специальных защелок, которые надо найти и осторожно зацепить. Если цоколь прикреплен с помощью точечных углублений на нем, необходимо аккуратно просверлить их или срезать ножовкой
- Цоколь почистить и обезжирить спиртом/ацетоном. В местах спайки тщательно удалить излишки припоя.
- На цокольной крышке располагается шесть отверстий, использовавшихся для крепления газоотводных трубок. Они будут местом установки ЛЕД-элементов, для фиксации которых понадобится еще кусок картона соответствующего диаметра с вырезанными в нем отверстиями.
- Светодиоды HK6 состоят из шести параллельно соединенных кристаллов. Мощность их небольшая, но поток света достаточно яркий. Вставив светоизлучатели в ячейку-основание, соединить их в две ветки по три штуки по параллельной схеме. Далее обе цепи последовательно должны присоединяться к выходящим проводам драйвера.
- Поместить в цоколь драйвер. Между ним и диодной платой установить еще один круг из картона (чтобы не произошло короткое замыкание между диодными контактами и элементами драйвера).

Входящие провода драйвера распределить следующим образом: один выводится наружу через центр цоколя и припаивается, другой будет фиксироваться на цокольной резьбе при сборке. Закрепить драйвер с помощью термоклея.
- Присоединить контакты диодов ко второй паре проводов драйвера. Все соединения припаять.
- Установив пластинку, приклеить термоклеем, собрать цоколь.
- Выведенный наружу провод припаять к резьбе.
- В качестве рассеивателя можно приспособить нижнюю часть пластиковой бутылки подходящего размера.
Этот самый простой способ изготовления обходится практически даром, за исключением покупки шести светоизлучателей.
Принцип работы устройства
Основная работа драйвера – создание на выходе заданного значения тока и его поддержание. Любая схема подобного типа состоит из нескольких частей:
- сетевого фильтра, защищающего сеть от помех;
- конденсаторно-резисторного (RC) или трансформаторного узла для снижения напряжения;
- диодного моста для выпрямления;
- стабилизатора тока.
Устройство с RC фильтром действует так:
- Конденсатор в сети переменного тока выполняет функции емкостного сопротивления. Вместе с мостом он образует делитель напряжения и уменьшает его до нужного предела. Резистор в его цепи служит для самозарядки.
- Сниженное напряжение поступает на стабилизатор тока, а с него – на светодиоды.
Трансформаторный узел представляет собой устройство ключевого или другого типа, управляемое генератором. Он может быть выполнен на специализированных микросхемах, высоковольтных ключевых транзисторах, простых элементах или на ШИМ контроллере.
Такой драйвер работает следующим образом:
- при подаче питания мост выпрямляет его, и оно идет на ключи, на которых с помощью обмоток создаются противофазные напряжения;
- одновременно с ними включается генератор, который вырабатывает импульсы и запускает драйвер;
- ключи, включаясь попеременно, обеспечивают бесперебойную работу устройства через цепь обратной связи;
- на выходной обмотке возникает переменное напряжение, выпрямляемое мостом или 1-2 диодами вместе с электролитическими конденсаторами;
- далее в цепи стоит стабилизатор тока, к которому подключают светодиоды.
Сборка конструкции
Хотя вариантов изготовления светодиодной лампы множество, мы рассмотрим пример с использованием старой люминесцентной лампочки. Они часто встречаются в домах и квартирах, потому проблем с поиском заготовки возникнуть не должно.
- Главные интересующие нас компоненты люминесцентной лампы — это цоколь и отражатель. Тут располагаются объединенные в электросхему элементы. Они отвечают за включение лампочки. Потому разбирайте корпус очень аккуратно, дабы не повредить конструкцию. Иначе придется искать другую люминесцентную лампу, пока не научитесь разбирать ее.
- Непосредственно та схема, которая используется на люминесцентной лампе, для создания светодиодного устройства нам не подойдет. Ее следует разобрать.
- Из цоколя потребуется использовать предохранитель. Потому извлекать ее из схемы не нужно.
- Потребуется и сам диод. Обычно там применяют диоды марки 1N4007.
- Для новой схемы добавляется электролит. Подойдет практически любой, но только напряжение его должно быть минимум 50 Вольт, а емкость — от 100 мкФ и выше.
- Следующая необходимая нам деталь исходной конструкции — конденсатор. Его емкость составляет 1 мкФ, напряжение — 630 Вольт.
- Самый главный элемент для будущей светодиодной лампы — это непосредственно сами светодиоды. Можете задействовать элементы из светодиодных лент. Их разрезают на участки, содержащие по 3 диода. Для питания этого участка используется напряжение 12 Вольт. Для нашей лампы потребуется взять 4 таких отрезка. Ниже приведена схема, согласно которой выполняется сборка всех компонентов будущей лампы.
- Чтобы не возникало проблем с разбалтыванием светодиодов в цоколе, посадите их на любой клей. Желательно что-то из разряда супер-клея.
- А для кусков диодов лучше использовать каркас. Вооружитесь для этих целей любым плотным материалом, который гнется. Исключением является металла и любой проводящий ток материал. Многие мастера используют пенокартон, свернутый в трубочку. Ее диаметр должен оказаться немного меньше, чем диаметр цоколя. Пенокартонную конструкцию лучше дополнительно насадить на клей для лучшего сцепления.
- Грубо говоря, самодельные светодиодные лампочки, использующие питание на 220 Вольт — это цоколь с основанием для кусочков светодиодной ленты. Отрезки ленты крепятся снаружи трубочки пенокартона, что образует светящуюся часть лампы. Все просто, как вы сами можете убедиться.
- Согласно схеме, светодиодные отрезки ленты соединяются последовательно. При этом на деле они будут находиться друг над другом. Если есть необходимость, количество уровней из отрезков ленты можно увеличить, повысив тем самым яркость лампы. Только в этом случае потребуется выбрать конденсатор с электролитом, соответствующие мощности светильника с увеличенной емкостью.
- Приклеивание ленты на пенокартонное основание рекомендуется с помощью жидких гвоздей. Так вы сможете подкорректировать расположение светодиодов. Супер-клей возьмется намертво. И если сделать что-то не совсем ровно, исправить это вы уже не сможете.
- Саму ленту не редко заливают жидкими гвоздями. Снаружи остаются только сами светодиоды. Так светильник будет выглядеть оригинальнее, а клей дополнительно сможет защитить устройство от механических нагрузок.
- Подобные собранные устройства на 220 Вольт могут питаться и от напряжения 40 Вольт.
Если использовать напряжение 220 Вольт, каждый отрезок ленты с диодами получит напряжение 11,5 Вольт.
- Если же повысить его до 240 Вольт, идущее на отрезки светодиодов напряжение станет 12 Вольт.
- Подобные моменты позволяют понять, что сделанные лампы не будут опасаться перепадов напряжения.
- Собрав конструкцию согласно схеме, вы получите лампу с приличной эффективностью излучаемого света.
Есть ли у подобной схемы недостатки? Да. Но он один, хотя и существенный.
Проблема собранной схемы в том, что вы получаете электрическую открытую связь, заключенную между электрической сетью на 220 Вольт и светодиодами. Потому обращение с подобными устройствами потребует повышенного внимания. Но если соблюдать элементарные правила безопасности, проблем с эксплуатацией самодельной лампочки возникнуть не должно.
https://youtube.com/watch?v=4OVoWexJcLM
Хотя процесс самостоятельной сборки светодиодной лампы не является сложным, при отсутствии элементарных знаний в данной сфере есть минимум две причины отказаться от самостоятельных попыток собрать конструкцию:
- У вас просто может ничего не получиться, если не разбираться в схемах.
- Собранная кустарным способам лампочка может навредить всей проводке вашего дома, привести к печальным последствиям.
Если же опыт есть, хотя бы из личного интереса стоит попробовать собрать нечто подобное.





































