Что лучше приобрести из бюджетных моделей
Бюджетный и качественный прибор по доступной цене – это мини дрель hammer md050b.
Характеристики:
- мощность 8 Ватт;
- диаметр цанги 1- 3 мм;
- обороты до 15 тысяч в минуту;
Благодаря легкому весу (всего 400 грамм), мини дрель очень удобна в работе. В комплекте с дрелью множество насадок и аксессуаров.
В той же ценовой категории еще одна примечательная модель бытового и промышленного назначения – Гравер или мини дрель «Вихрь Г 150».
Характеристики:
- мощность 150 Ватт;
- максимальные обороты в 30 тысяч;
- вес 1,16 кг;
Более мощная модель с аналогичным цанговым патроном до 3.2 мм. Очень широкое применение – ремонтные работы, полировка, резка, гравировка и прочее. Есть регуляция оборотов. Очень удобно при работе с материалами разной плотности.
Разбор дисковода
Данный процесс должен выполняться с особой осторожностью. При неаккуратном обращении, можно не только повредить устройство, но и нанести вред своим глазам. Дело в том, что лазер может ослепить на какое-то время и негативно сказаться на остроте зрения
Поэтому выполняйте все нижеперечисленные пункты не спеша:
Дело в том, что лазер может ослепить на какое-то время и негативно сказаться на остроте зрения. Поэтому выполняйте все нижеперечисленные пункты не спеша:
- Открыть лоток дисковода (место, куда вставляется диск).
- Перевернуть устройство и открутить 4 шурупа, что расположены по углам.
- Снять крышку.
- Снова перевернуть DVD-привод.
- Снять аллюминиевую крышку.
- Под ней выкрутить 2 шурупа.
- Разъединить шлейфы, соединяющие привод с ходовой частью (той, которая двигает лоток).
- У ходовой части выкрутить единственный шуруп с одной стороны и три — с обратной.
- Аккуратно разобрать изделие и достать плату с оптическими линзами и диодами.
- Не прилагая больших усилий убрать защиту (выглядит как небольшой уголок, который нужно повернуть).
- Обнаружится диод.
- «Ноги» диода (место, где он крепится) необходимо обернуть проволокой — это своеобразная защита от статического электричества.
- С помощью плоскогубцев достать диод.
- Поддеть диод маленьким ножиком и аккуратно достать его из крепления.
Популярные статьи Прихватки для кухни своими руками — идеи, советы и примеры
Сборка самодельного устройства
Чтобы иметь возможность использовать насадку от старой бормашины для выполнения мелких работ с изделиями из металла, пластика, древесины и кости, необходимо изготовить приспособление, при помощи которого такая насадка будет приводиться в действие от небольшого электромотора требуемой мощности. В качестве приводного электродвигателя для самодельной бормашины можно использовать маленький, но оборотистый и мощный моторчик от обычного фена или старого видеомагнитофона.
Чтобы передать крутящий момент от электродвигателя валу насадки для гравера, можно использовать пластиковые шестеренки различного размера. Подобными шестеренками, в частности, оснащаются редукторы детских заводных игрушек, а также кинематические схемы бытовой техники различного назначения
Выбирая такие зубчатые колеса, очень важно следить за тем, чтобы они соответствовали друг другу по количеству, форме зубьев и наружному диаметру. Чтобы увеличить мощность рабочей насадки самодельной бормашины, на ее валу необходимо зафиксировать шестеренку большего диаметра, а шестеренку меньшего диаметра закрепить на валу приводного электродвигателя

Подбираем моторчик и шестеренки
Диаметры посадочных отверстий в шестеренках, которые вы подберете для оснащения приводного механизма своей самодельной бормашины, скорее всего, не будут соответствовать размерам валов электродвигателя и рабочей насадки. Решается такая проблема достаточно просто: при помощи сверления в шестеренках посадочных отверстий требуемого диаметра. Чтобы обеспечить плотную и надежную посадку пластиковых шестеренок на валах двигателя и насадки гравера, отверстия следует сверлить меньшего диаметра (на 0,1–0,2 мм), чем размеры самих валов.
Приводной узел вашей самодельной бормашины, состоящий из электродвигателя, двух шестеренок и хвостовой части вала насадки, будет работать корректно и без сбоев, если все элементы такого механизма надежно зафиксировать в соответствующем положении. Решить такую задачу позволяет простейшая приспособа, изготавливаемая из алюминиевой пластины толщиной 2 мм. Такой пластине можно придать совершенно любую конфигурацию (главное, чтобы она не создавала неудобства при работе с самодельной бормашиной).

Рассчитываем и изготавливаем крепежную пластину
В крепежной пластине необходимо просверлить два отверстия, оно из которых предназначено для размещения электродвигателя, а второе – для фиксации рабочей насадки
Очень важно правильно рассчитать расстояние между центрами таких отверстий, которое должно быть равно расстоянию между осями двух используемых шестеренок, находящихся между собой в зацеплении. Если такое расстояние рассчитано и при сверлении выдержано верно, то шестеренки в процессе использования самодельной бормашины будут вращаться без заеданий и проскакивания через зубья
Если отверстие в крепежной пластине, в котором будет фиксироваться рабочая насадка бормашины, выполнить в форме эллипса, можно нивелировать ошибки, допущенные при выполнении вышеописанных расчетов.

Закрепляем детали и проверяем работу нашего редуктора
Сборка электрического гравера со штативом и гибким валом
Электрический гравер – это самая распространенная в домашних условиях разновидность данного рода инструментов. Чтобы сделать функционально полноценное устройство самостоятельно, способное соперничать с аналогами промышленного производства, понадобится электродвигатель, который работает от переменного тока 220 V. Такие электрические моторы можно взять со следующей техники:
- катушечных магнитофонов советского образца;
- DVD-проигрывателей;
- стиральных машин;
- угловых шлифовальных машин;
- электрических швейных машин.
Последний вариант является оптимальным, потому что есть возможность регулировки числа оборотов в достаточно широком диапазоне с помощью встроенного реостата.
Держать в одной руке электромотор от любой из перечисленных разновидностей техники неудобно, а также в большинстве случаев просто невозможно. Поэтому понадобится гибкий вал для гравера. При этом общий вид будущего устройства получится, приблизительно, как на фотографии далее.

Функциональные возможности создаваемого приспособления для гравирования будут зависеть от применяемых при сборке материалов и механизмов. Мотор можно поставить на столе, но удобнее сделать штатив для гравера, вернее его подобие.
Изготовление гибкого вала
С гибким валом все относительно просто. Его можно сделать несколькими способами:
- из старого приводного вала, например, от стоматологической бормашины;
- воспользовавшись тросиком спидометра мотоцикла либо автомобиля.
Рабочую насадку на вал можно также использовать от бормашины либо изготовить самостоятельно из разных материалов, например, из дерева, текстолита, пластиковых труб. Из текстолита приспособление (ручку) для удержания оснастки делают так:
- отрезают 2 текстолитовые платины (толщина листа должна быть около 1 см) размером примерно 2 на 10 см;
- соединяют их вместе и обтачивают напильником или на наждаке снаружи, чтобы получился цилиндр;
- протачивают с внутренней стороны пазы;
- металлическими кольцами фиксируют части друг с другом;
- в переднюю часть ручки вставляют трубочку, под патрон, состоящий из двух отдельных половинок, соединяемых при помощи болта.
В итоге получится рукоять, как на фото ниже.
Сборка гравировальной установки
Очень просто сделать штатив (основание для установки электродвигателя) из фанеры либо того же текстолита. Для этого поступают так:
- вырезают из листа материала несколько кусков (достаточно 4) соответствующего электродвигателю размера;
- к одному из фрагментов прикрепляют мотор с помощью хомутов;
- собирают короб;
- в передней части просверливают отверстие под гибкий вал.
Созданную конструкцию подвешивают к стене.

Удобно использовать заводской держатель на струбцинах для гравера, если позволяют размеры электродвигателя. Крепление подсоединяется к любому столу. Но такое приспособление потребуется приобрести дополнительно.
Дальнейшую сборку гравировального устройства выполняют в такой последовательности:
с помощью муфты, созданной из просверленного болта, соединяют тросик с валом электродвигателя;

одевают на тросик резиновый шланг соответствующего диаметра и присоединяют к нему сделанную ручку;

- устанавливают пусковую кнопку;
- подсоединяют оборудование к сети;

проверяют работоспособность сделанного приспособления.
Можно также применять при создании самодельных прямошлифовальных машин электромоторы, рассчитанные на 380 V, но если их можно приспособить на 220. В таких случаях понадобится дополнительно повозиться. Информации по данному вопросу много как в интернете, так и в книгах по электротехнике.
Установка программного обеспечения
Вашему лазерному гроверу, который должен работать в автоматическом режиме, потребуется не только установка, но и настройка специального программного обеспечения. Важнейшим элементом такого обеспечения является программа, которая позволяет создавать контуры желаемого рисунка и преобразовывать их под расширение, понятное управляющим элементам лазерного гравера. Такая программа имеется в свободном доступе, и ее можно без особых проблем скачать на свой компьютер.
Программа, скачанная на управляющий гравировальным устройством компьютер, распаковывается из архива и устанавливается. Кроме того, вам потребуется библиотека контуров, а также программа, которая будет отправлять данные по создаваемому рисунку или надписи на контроллер «Ардуино». Такую библиотеку (как и программу для передачи данных на контроллер) также можно найти в свободном доступе. Для того чтобы ваша лазерная самоделка работала корректно, а гравировка, выполняемая с ее помощью, была качественной, вам потребуется настройка и самого контроллера под параметры гравировального устройства.
» data-lazy-type=»iframe» src=»data:image/gif;base64,R0lGODlhAQABAIAAAAAAAP///yH5BAEAAAAALAAAAAABAAEAAAIBRAA7″>
Особенности использования
Пользоваться гибким валом достаточно просто: перед началом работ на дрели откручивают крепёжную муфту и вставляют конец вала в образовавшееся отверстие. Затем насадку закрепляют при помощи стопорного кольца. Процесс фиксации в точности повторяет закрепление в дрели сверла и никаких трудностей не вызывает
Затем приступают к довольно важному мероприятию – закреплению самой дрели. Если этого не сделать и оставить инструмент незакреплённым, то может произойти следующее: согласно физическому закону, говорящему о том, что силы действия и противодействия равны, при работе со слишком твёрдой поверхностью оболочка вала вместе с самой дрелью будет проворачиваться в противоположном вращению троса направлении. В связи с этим агрегат будет сильно вибрировать и может упасть с той поверхности, на которой размещён
В связи с этим агрегат будет сильно вибрировать и может упасть с той поверхности, на которой размещён.
Если же насадка держателем не укомплектована, то её можно смастерить самому. Для этого достаточно будет закрепить на стене или столе специальный хомут, который будет фиксировать дрель в одном положении. Но такой способ крепежа подходит лишь в тех случаях, когда дрелью пользуются в каком-то одном месте. Для других случаев рекомендуется купить переносной держатель.
Однако использовать гибкий вал можно не со всеми видами электроинструмента. Например, его применение с высокоскоростной или ударной дрелью запрещено. А оптимальным вариантом работы с гибким валом является инструмент, оснащённый функцией регулирования скорости вращения и реверсом. Кстати, все модели гибких валов предназначены для вращения в обе стороны, что позволяет пользоваться насадками для работы в специфических условиях и выполнять особо сложные технические задачи.
Валы для бензокосы
В механических косах с электрическим и бензиновым приводом применяются как гибкие, так и жесткие валы.
В мощных мотокосах, способных срезать высокую, жесткую и густую траву и даже небольшой кустарник, используют цельнометаллические жесткие приводы. Такие аппараты рассчитаны на продолжительную работу и обладают высоким крутящим моментом. У них также значительные габариты и вес, их носят на плечевых ремнях. В качестве рабочего органа используют толстую жесткую леску или мощные стальные ножи — двух, трех или четырех — лезвийные.
Гибкий привод используют в легких маломощных и малогабаритных триммерах, предназначенных для докашивания углов после газонокосилки или подстригания травы на небольших лужайках. Держат такие триммеры одной рукой, а гибкий вал применяется для того, чтобы косить в наиболее удобной позе. Режущий элемент таких аппаратов — леска малой или средней толщины или облегченный двух-лезвийный нож. Если возникнет перегрузка устройства, то гибкий вал может скручиваться. Разрыв при этом, как правило, происходит возле узла крепления вала к двигателю. Если не удается купить «родной вал, то подбирать из приводов подходящей длины нужно по направлению оплетки. Такие приводы могут вращаться только в одну сторону.
Перед началом сезонных работ и после смены привода следует удалить остатки старой смазки, промыть бензином или другим растворителем и заполнить полость в ручке новой смазкой. Вид смазки указан в руководстве пользователя.
Виды бормашин
Все многообразие предлагаемых на рынке приборов сводится к трем основным видам:
- бормашины технического назначения;
- микромоторы, или граверы для резьбы по дереву;
- мини-дрели, или компактные бормашины с гибким приводом.
Они различаются назначением, габаритами, мощностью, производительностью.
В основе конструкции как мощной бормашины для резьбы по дереву, так и микромотора лежат два главных узла: высокооборотный электродвигатель и закрепляемый в патроне сменный инструмент.
Бормашины технического назначения
Приборы этого вида снабжены достаточно мощным двигателем и позволяют решать широкий спектр задач. Конструктивно они разделены на два блока:
- Собственно бормашина. В цилиндрическом корпусе размещен электродвигатель. На его валу закреплен цанговый или быстросъемный патрон.
- Блок питания, в котором размещается преобразователь сетевого напряжения трансформаторного или импульсного типа.
- Педаль включения. Позволяет освободить руки для более точного удержания прибора.
- Соединительные кабели.

Бормашинка по дереву технического назначения
Достоинством таких бормашин для резьбы является возможность выполнения различных операций по дереву:
- сверление;
- расточка;
- шлифовка.
В качестве недостатка следует отметить относительно низкие обороты по сравнению с дремелем для резьбы по дереву.
Микромоторы
Бормашинки для резьбы по дереву или микромоторы отличаются особой компактностью, малой мощностью и высокими оборотами (до 30 000 об/мин). Насадки также закрепляются на рабочем валу электродвигателя.
Микромоторы
Ограниченная мощность не позволяет устройствам достигать высокой производительности, зато малый вес и размеры не утомляют руку, а высокие обороты позволяют выполнять самые тонкие и филигранные детали резьбы.
Мини дрели или компактные бормашины с гибким приводом
Этот класс устройств — линкоры мира бормашин. Конструктивно они отличаются тем, что на место патрона позволяют установить насадку с гибким приводным валом. Таким образом, тяжелое приводное устройство с двигателем остается лежать на столе (или подвешивается), а в руке мастера остается лишь цанговый (или быстросъемный) зажим с установленным в нем инструментом.
Такие системы обладают большой мощностью (до 200 ватт) и развивают высокие обороты (до 30 тыс. об/мин). Они комплектуются большим количеством самых разнообразных фрез и абразивных насадок и позволяют выполнять широкий диапазон операций.
Мини-дрель Hammer
В комплекте также может присутствовать телескопическая штанга для крепления прибора в удобном для мастера месте.
Классификация насадок
Существует большое количество разновидностей оснастки для работы с мини-дрелью. Широкий ассортимент на рынке позволяет подобрать насадки по дереву и многим другим материалам, с которыми способно работать гравировальное оборудование. Также отдельные мастера делают их самостоятельно.
Конструктивно насадки (боры) состоят из двух частей;
- хвостовой, зажимаемой в патроне инструмента(диаметр от 0,8 до 8 мм);
- рабочей, которой обрабатываются материалы.
Оснастка классифицируется по двум основным критериям:
- по виду материала, из которого они изготовлены;
- по области использования (назначению).
По типу обрабатываемого материала
По материалу фрезы для гравера бывают следующих типов.
- Из твердых сплавов (твердосплавные) с маленькими и крупными рабочими частями. Насечка на них бывает разного типа. Предназначены для первоначальной либо промежуточной обработки разных по твердости заготовок.
- Стальные с алмазным напылением, применяемые для проведения основных рабочих операций с различными материалами.
- Держатели дисков, которые можно оснастить войлочными, отрезными, резиновыми кругами в зависимости от свойств обрабатываемой детали и характера выполняемых работ.
- Резиновые с добавлением корунда, используемые при обработке металлических заготовок.
- Абразивные, которые используются для выполнения работ по камню, металлу, стеклу, керамике.
- Войлочные, предназначенные для полировки деревянных поверхностей.

Твердосплавная оснастка является качественной, долговечной и относится к ряду дорогих расходных материалов для дремелей. Форма наконечников определяет особенности ее применения. С помощью таких боров-пик хорошо обрабатывать кость, пластик, делать трассировку (обозначать контуры рисунка). Алмазные насадки тоже отличаются качественностью, даже если комплект, в состав которого они входят, относится к разряду дешевых расходников.
На рынке можно встретить набор борфрез, все элементы которого промаркированы каким-либо цветом – он указывает уровень заточки. Помеченные черным – это наиболее производительные боры, а острота зеленых или синих уже похуже. Промаркированные желтым цветом насадки – это оптимальный выбор при выполнении финишной обработки заготовок.
По назначению
Пользоваться гравером с насадками можно не только для гравировки, но и для выполнения других рабочих операций. Разделение расходников, используемых при эксплуатации прямошлифовальных машин, представлено в таблице ниже.
| Выполняемые работы | Применяемые насадки |
| гравирование | подходят рассмотренные выше разновидности |
| сверление | выполняется с помощью стальных или твердосплавных сверл |
| полирование | круги из фетра, хлопка, войлока, наждачной бумаги, кожи, а также специальные приспособления (держатели), которые можно самостоятельно обматывать (например, фетром) |
| шлифование | шлифовальные камни (различной формы и из разного материала) и круги (из наждачной бумаги), кольца алмазные, резиновые цилиндры |
| шпунтование | боры с шарообразной рабочей частью |
| резка | отрезные диски |
| фрезерование | фрезы |
| очистка поверхностей (например, от ржавчины, окалины) | проволочные (стальные), нитяные, тканевые щетки |
| конечная обработка отверстий или полостей | алмазные шарошки |
| создание пазов | конусообразные боры |
Расходники из каждой группы могут использоваться при обработке различных материалов. При этом оснастка для фрезеровки применяется в основном профессионалами.

Процесс сборки
Самодельный гравировальный станок предложенной конструкции – это устройство челночного типа, один из подвижных элементов которого отвечает за перемещение по оси Y, а два других, спаренных, – за перемещение по оси X. За ось Z, которая также оговаривается в параметрах такого 3D-принтера, принимается глубина, на которую осуществляется прожиг обрабатываемого материала. Глубина отверстий, в которые устанавливаются элементы челночного механизма лазерного гравера, должна составлять не менее 12 мм.
Рамка рабочего стола – размеры и допуски

Фото-1

Фото-2

Фото-3

Фото-4

Фото-5

Фото-6
В качестве направляющих элементов, по которым будет перемещаться рабочая головка лазерного гравировального устройства, могут выступать алюминиевые стержни диаметром не менее 10 мм. Если найти стержни из алюминия не представляется возможным, для этих целей можно использовать стальные направляющие такого же диаметра. Необходимость применения стержней именно такого диаметра объясняется тем, что в таком случае рабочая головка лазерного гравировального устройства не будет провисать.
Изготовление подвижной каретки

Фото-1

Фото-2

Фото-3
Поверхность стержней, которые будут использоваться в качестве направляющих элементов для лазерного гравировального устройства, надо очистить от заводской смазки и тщательно отшлифовать до идеальной гладкости. Затем на них следует нанести смазывающий состав на основе белого лития, который улучшит процесс скольжения.

Сборка корпуса
Установка шаговых двигателей на корпус самодельного гравировального устройства осуществляется при помощи кронштейнов, изготовленных из листового металла. Чтобы сделать такой кронштейн, лист металла, ширина которого приблизительно соответствует ширине самого двигателя, а длина в два раза превышает длину его основания, сгибают под прямым углом. На поверхности такого кронштейна, где будет располагаться основание электромотора, сверлят 6 отверстий, 4 из которых необходимы для фиксации самого двигателя, а два остальных – для крепления кронштейна к корпусу при помощи обычных саморезов.
Для установки на вал электромотора приводного механизма, состоящего из двух шкивов, шайбы и болта, также используется кусок металлического листа соответствующего размера. Чтобы смонтировать такой узел, из металлического листа формируют П-образный профиль, в котором просверливаются отверстия для его крепления к корпусу гравера и для выхода вала электродвигателя. Шкивы, на которые будут надеваться зубчатые ремни, насаживаются на вал приводного электромотора и размещаются во внутренней части П-образного профиля. Надетые на шкивы зубчатые ремни, которые должны приводить в движение челноки гравировального устройства, соединяются с их деревянными основаниями при помощи саморезов.
Установка шаговых двигателей

Фото-1

Фото-2

Фото-3

Фото-4

Фото-5

Фото-6
Экономный вариант без корпуса
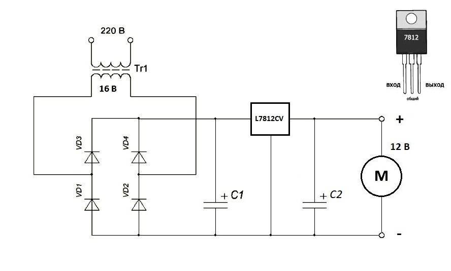
Переходим к созданию мини дрели с минимальными затратами. Не покупаем ничего, кроме собственно моторчика (хотя и его можно бесплатно найти в старой технике). Большинство компактных электродвигателей рассчитаны на постоянное напряжение 12 вольт. Под него и создаем блок питания.
Поскольку никаких дополнительных опций не будет (регулятор оборотов, стабилизатор напряжения), блок питания стабилизируется постоянной нагрузкой. Типичный 12 вольтовый микродвигатель работает с током, не превышающим 2 ампера. Простой расчет показывает, что мощность на выходе должна быть 24 Вт. Добавляем 25% на потери при выпрямлении, получаем трансформатор 30 Вт.
Чтобы получить 12 вольт под нагрузкой, с вторичной обмотки необходимо снять 16 вольт. Изготовить такой трансформатор можно за час, из любого ненужного блока питания. Далее – выпрямительный мост на любых диодах: например, 1N1007.

Нашему мотору ни к чему пульсации выпрямленного напряжения, поэтому на выходе подключаем электролитический конденсатор на 25 вольт емкостью около 1000 мкФ. Он будет сглаживать выходной ток. Несмотря на простоту, такой тандем работает устойчиво, с одним лишь недостатком: при повышении нагрузки напряжение падает. То есть, при равномерном вращении – блок питания выдает 12 вольт. А если вы сверлите «тяжелый» материал – надо следить за оборотами, не давая им опуститься. Иначе вал просто остановится.
Можно немного усложнить схему блока питания, добавив подходящий стабилизатор напряжения. Например, КР142ЕН8Б или L7812CV.

В этом случае падения напряжения при нагрузке на сверло не будет.
Далее нужно изготовить достаточно точный элемент конструкции – патрон для сверла. Не хотите тратить деньги на фабричный цанговый зажим – подойдет любая втулка. Все зависит от сферы применения мини дрели:
Если вы будете сверлить только текстолит печатных плат – смена сверла не потребуется. Значит крепим его стационарно. Переходную втулку можно сделать из чего угодно: трубка от телескопической антенны, игла от медицинского шприца, стержень от гелевой авторучки.

Учитывая миниатюрность конструкции, никакие зажимы не нужны. Все можно закрепить клеем или скотчем.
При универсальном использовании дрели, подразумевающим смену сверла или установку иных насадок, правильнее будет приобрести универсальный цанговый патрон.

Можно использовать стандартный кулачковый патрон, установив его на вал с помощью переходной втулки.

Исполнение корпуса зависит только от вашей фантазии. Большинство мастеров оставляют «голую» утилитарную конструкцию: напряжение питания безопасное, размеры моторчика позволяют удерживать его в руках без корпуса.

Если хочется элементарной эстетики – вариантов множество: и все они условно бесплатны.

Самодельный инструмент не просто экономит финансовые средства. Его можно изготовить в точности под ваши задачи, в отличие от универсальных фабричных вариантов.




























