Индукционный нагреватель своими руками — схема конструкции
Простота конструкции – одно из достоинств индукционного нагревателя. Внутри круглого экранированного корпуса расположена катушка, на языке физиков именуема индуктором. Она подключается к источнику переменного тока. Внутри катушки расположен отрезок стальной трубы, заканчивающийся двумя патрубками. Последние позволяют присоединить нагреватель к системе отопления.
Таким образом, после подсоединения через трубу будет следовать теплоноситель, при этом она будет нагреваться под воздействием генерируемого катушкой переменного поля. От контакта с трубой, соответственно, будет греться и теплоноситель.

Схема индукционного нагревателя
В некоторых моделях индукционных нагревателей катушка подсоединяется непосредственно к электросети, вследствие чего создаваемое ею магнитное поле меняет полярность с частотой 50 Гц. Но существует и более производительная схема подключения. Она отличается от только что описанной наличием преобразователя, увеличивающего частоту колебания подаваемого на катушку тока с 50 Гц до нескольких десятков килогерц. Такой преобразователь называют инвертором. Он состоит из трех модулей:
- Выпрямитель, представляющий собой обычный диодный мост.
- Собственно, инвертор. Главные герои – пара т.н. ключевых транзисторов, которые могут очень быстро переключаться.
- Схема управления, которая «дирижирует» ключевыми транзисторами.
Несложно заметить, что происходящие внутри нагревателя процессы весьма сходны с работой понижающего трансформатора, только в данном случае вторичная обмотка является короткозамкнутой и располагается внутри первичной.
Другое отличие состоит в том, что в случае с трансформатором нагрев является побочным эффектом, который стараются предотвратить (например, набирают магнитопровод из отдельных изолированных пластин).
Виды нагревателей и принцип действия
Классификация индукционных нагревателей на определенные категории осуществляется по диапазонам их частот на выходе, которые и определяют в дальнейшем их использование. Виды:
- высокой частоты – 20-40 или 30-100кГц;
- средней частоты – 0,5-20 кГц;
- сверхвысокочастотные – 100кГц – 1,5МГц.
Индукционный котел состоит из сердечника, электро- и теплоизоляции и самого корпуса. Отличительная его черта – тороидальная обмотка проводниками из меди, которая располагается между 2-ух сваренных стальных труб толщиной от 10 мм из ферромагнита.
Данная конструкция более легкая, с высоким КПД и малогабаритна. Сердечником выступает труба с обмоткой. А 2-ая труба нагревает теплоноситель. Индукционный токовый поток, генерируемый магнитным высокочастотным полем с внешней обмотки на трубу, способствует нагреву теплоносителя, вызывая одновременно вибрацию стенок.
Работа прибора основана на электромагнитной энергии, забираемую теплоносителем и преобразующим ее в тепло. Индуктор в виде многовиткового цилиндра способствует образованию магнитного поля водонагревателя.
Переменный электроток течет через катушку и образует магнитное поле переменного типа, чьи линии расположены перпендикулярно магнитному потоку и замыкаются в круг при их передвижении. Именно вихревые потоки преобразуют электроэнергию в тепловую, которая расходуется достаточно эффективно и при незначительной скорости нагревания.

Схема простого индукционного нагревателя
Проточный индукционный водонагреватель своими руками
Прежде чем приступать к монтажу, вам необходимо запастись необходимыми деталями. Так, лучшим вариантом будет сварочный высокочастотный инвертор, плавно изменяющийся диапазон силы тока. Такое устройство обойдется дешевле всего. Более дорогим вариантом станет трехфазный трансформатор, являющийся источником питания переменного тока для индуктора водонагревателя. В таком случае стоит использовать катушку на 50-90 витков, а в качестве материала взять медную проволоку с диаметром 3 или более миллиметров.
В качестве сердечника можно использовать как металлическую, так и полимерную трубу вместе с проволокой (используется как нагревательный элемент). В последнем случае толщина стен не должна быть менее 3 мм, чтобы спокойно выдерживать высокие температуры.
Для сборки водонагревателя вам понадобятся: кусачки, отвертки, паяльник и сварочный аппарат, если используется металлическая труба.
Монтаж индукционного нагревателя воды

Обмотайте трубу медной проволокой, сделав около 90 витков.
Вариантов сборки устройства существует множество. Предлагаем попробовать собрать прибор по следующей схеме:
- Подготовьте рабочее место, материалы и инструменты.
- Зафиксируйте небольшой отрезок полимерной трубы (не забывайте, что минимальная толщина стенки должна составлять 3 мм).
- Обрежьте торцы сердечника, чтобы осталось 10 см в запасе провода для отводов.
- На нижнем отводе смонтируйте уголок. В дальнейшем сюда следует подключить обратку от отопления (если нагреватель используется в качестве котла).
- Плотно уложите рубленый провод вокруг трубы. Необходимо сделать не менее 90 витков.
- Установите на верхнем патрубке тройник, через который будет выходить горячая вода.
- Смонтируйте защитный контур устройства. Его можно изготовить как из полимера, так и из металла.
- Подключите к клеммам водонагревателя медную проволоку, затем заполните сердечник водой.
- Проверьте работоспособность индуктора.
Рекомендации. На всех выводах лучше устанавливать шаровые краны для удобства и простоты демонтажа водонагревателя в случае поломки. А вот заполнять металлическими кусочками трубу необязательно, так как должного эффекта это не дает. Не забудьте оставить окошко в корпусе для доступа к панели управления сварочного аппарата.
Купить детали на Алиэкспресс
|
Приборы, осуществляющие нагрев за счет электричества, а не газа, безопасны и удобны. Такие нагреватели не производят копоти и неприятного запаха, но потребляют большое количество электроэнергии. Отличный выход — собрать индукционный нагреватель своими руками. Это и экономия средств, и вклад в бюджет семьи. Существует много простых схем, по которым индуктор можно собрать самостоятельно. Для того чтобы было легче разобраться в схемах и правильно собрать конструкцию, нелишним будет заглянуть в историю электричества. Способы нагрева металлических конструкций электромагнитным током катушки широко используются в промышленном изготовлении бытовых приборов — котлов, нагревателей и плит. Оказывается, можно сделать рабочий и долговечный индукционный нагреватель своими руками.
Принцип работы устройств
Принцип работы устройств
Знаменитый британский ученый XIX века Фарадей в течение 9 лет проводил исследования, чтобы преобразовать магнитные волны в электричество. В 1931 году наконец было совершено открытие, получившее название электромагнитная индукция. Проволочная обмотка катушки, в центре которой находится сердечник из магнитящегося металла, создает магнитное поле под силой переменного тока. Под действием вихревых потоков сердечник нагревается.
Открытие Фарадея стали применять как в промышленности, так и при изготовлении самодельных моторов и электронагревателей. Первую плавильню на основе вихревого индуктора открыли в 1928 году в Шеффилде. Позже по тому же принципу обогревали цеха заводов, а для нагрева воды, металлических поверхностей знатоки собирали индуктор своими руками.
Схема устройства того времени действительна и сегодня. Классический пример — индукционный котел, в составе которого имеются:
- металлический сердечник;
- корпус;
- тепловая изоляция.
Особенности схемы для ускорения частоты тока следующие:
- промышленная частота в 50 Гц не подходит для самодельных приборов;
- прямое подключение индуктора к сети приведет к гулу и слабому нагреву;
- эффективное нагревание осуществляется при частоте 10 кГц.
Сборка по схемам
Собрать индуктивный нагреватель своими руками может любой человек, знакомый с законами физики. Сложность устройства будет варьироваться от степени подготовленности и опытности мастера.
Существует множество видеоуроков, следуя которым можно создать эффективное устройство. Практически всегда необходимо использовать такие основные составляющие:
- стальная проволока диаметром 6−7 мм;
- медная проволока для катушки индуктивности;
- сетка из металла (для удержания проволоки внутри корпуса);
- переходники;
- трубы для корпуса (из пластика или стали);
- высокочастотный инвертор.
Этого будет достаточно для сборки индукционной катушки своими руками, а ведь именно она находится в основе проточного водонагревателя. После подготовки необходимых элементов можно подходить непосредственно к процессу изготовления аппарата:
- нарезать проволоку на отрезки в 6−7 см;
- металлической сеткой покрыть внутреннюю часть трубы и засыпать проволоку доверху;
- аналогично закрыть отверстие трубы снаружи;
- намотать на пластиковый корпус медную проволоку не менее 90 раз для катушки;
- вставить конструкцию в систему отопления;
- с помощью инвертора подключить катушку к электричеству.
По похожему алгоритму можно легко собрать индукционный котел, для чего следует:
- нарезать заготовки из стальной трубы 25 на 45 мм со стенкой не толще 2 мм;
- сварить их друг с другом, соединяя меньшими диаметрами между собой;
- приварить железные крышки к торцам и просверлить отверстия для патрубков с резьбой;
- сделать крепление для индукционной печки, приварив с одной стороны два уголка;
- вставить варочную панель в крепление из уголков и подключить к электросети;
- внести в систему теплоноситель и включить нагрев.
Многие индукторы работают на мощности не выше 2 — 2,5 кВт. Такие обогреватели рассчитаны на помещение 20 — 25 м²
Если генератор используют в автосервисе, можно подключить его к сварочному аппарату, но важно учитывать определенные нюансы:
- Необходим переменный ток, а не постоянный как у инвертора. Сварочный аппарат придется исследовать на наличие точек, где напряжение не имеет прямой направленности.
- Количество витков к проводу большего сечения подбирается математическим вычислением.
- Потребуется охлаждение работающих элементов.
2 Преимущества и недостатки
Разобравшись с принципом работы индукционного нагревателя, можно рассмотреть его положительные и отрицательные стороны. Учитывая высокую популярность теплогенераторов этого типа, можно предположить, что преимуществ у него значительно больше, чем недостатков. Среди наиболее значимых плюсов можно выделить:
- Простота конструкции.
- Высокий показатель КПД.
- Длительный срок эксплуатации.
- Небольшие риски поломки устройства.
- Существенная экономия электроэнергии.
Так как показатель производительности индукционного котла находится в широком диапазоне, то можно без особых проблем подобрать агрегат под конкретную систему обогрева здания. Эти устройства способны быстро нагревать теплоноситель до заданной температуры, что сделало их достойным конкурентом традиционным котлам.
Если во время монтажа индукционного котла не было допущено ошибок, то протечки практически исключены. Этот связано с бесконтактной передачей теплоэнергии нагревателю. Использование индукционной технологии нагрева воды позволяет довести его практически до газообразного состояния. Таким образом достигается эффективное движение воды по трубам, и в некоторых ситуациях можно даже обойтись без использования циркуляционных насосных установок.

К сожалению, идеальных устройств сегодня не существует. Вместе с большим количеством преимуществ, индукционные нагреватели имеют и ряд недостатков. Так как для работы агрегата требуется электроэнергия, то в регионах с частыми перебоями в подаче электричества он не сможет работать с максимальной эффективностью. При перегреве теплоносителя резко возрастает давление в системе и трубы может разорвать. Чтобы этого избежать, индукционный нагреватель нужно оснастить устройством аварийного отключения.
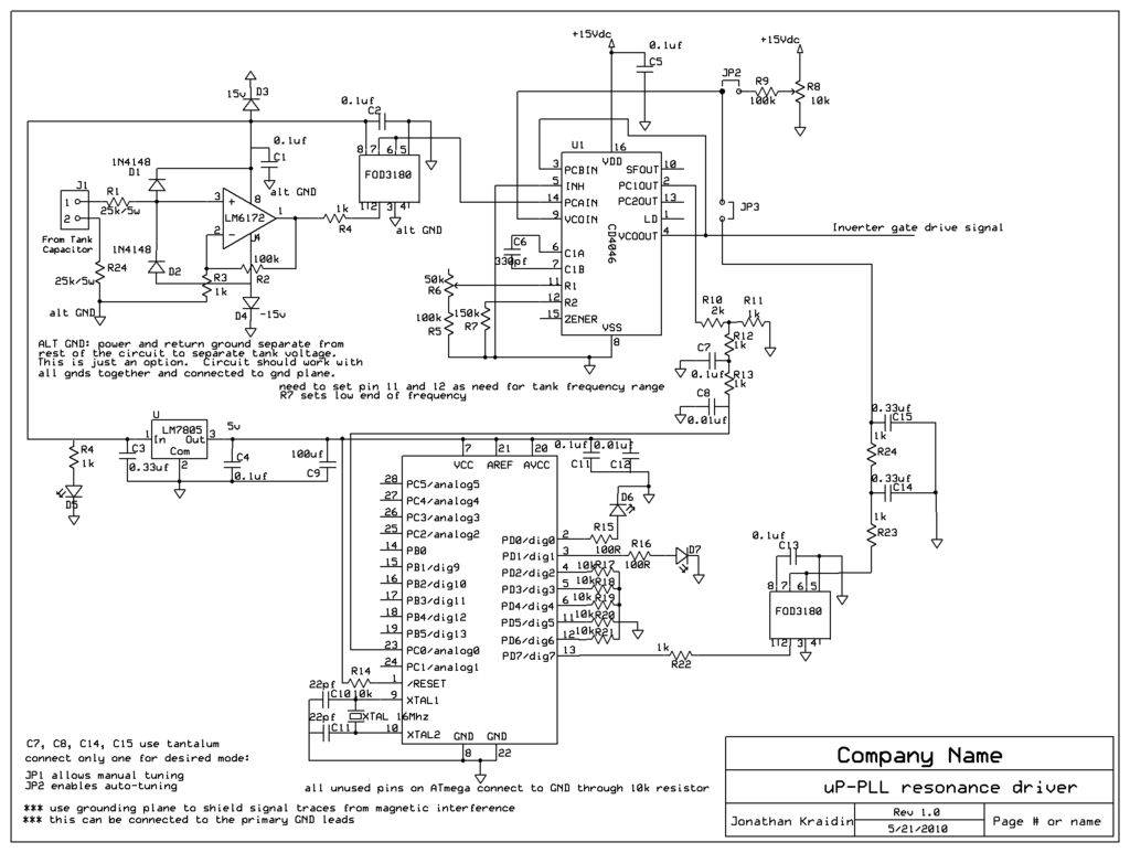
Шаг 3: Драйвер

Эта схема действительно большая. Вообще, вы можете прочитать про простой маломощный инвертор. Если вам нужна большая мощность, вам нужен соответствующий драйвер. Этот драйвер будет останавливаться на резонансной частоте самостоятельно. После того, как ваш металл расплавится, он останется заблокированным на правильной частоте без необходимости какой-либо регулировки.
Если вы когда-либо строили простой индукционный нагреватель с чипом PLL, вы, вероятно, помните процесс настройки частоты, чтобы металл нагревался. Вы наблюдали за движением волны на осциллографе и корректировали частоту синхронизации, чтобы поддерживать эту идеальную точку. Больше не придется этого делать.
В этой схеме используется микропроцессор Arduino для отслеживания разности фаз между напряжением инвертора и емкостью конденсатора. Используя эту фазу, он вычисляет правильную частоту с использованием алгоритма «C».
Я проведу вас по цепи:
Сигнал емкости конденсатора находится слева от LM6172. Это высокоскоростной инвертор, который преобразует сигнал в красивую, чистую квадратную волну. Затем этот сигнал изолируется с помощью оптического изолятора FOD3180. Эти изоляторы являются ключевыми!
Далее сигнал поступает в PLL через вход PCAin. Он сравнивается с сигналом на PCBin, который управляет инвертором через VCOout. Ардуино тщательно контролирует тактовую частоту PLL, используя 1024-битный импульсно-модулированный сигнал. Двухступенчатый RC-фильтр преобразует сигнал PWM в простое аналоговое напряжение, которое входит в VCOin.
Как Ардуино знает, что делать? Магия? Догадки? Нет. Он получает информацию о разности фаз PCA и PCB от PC1out. R10 и R11 ограничивают напряжение в пределах 5 напряжений для Ардуино, а двухступенчатый RC-фильтр очищает сигнал от любого шума. Нам нужны сильные и чистые сигналы, потому что мы не хотим платить больше денег за дорогие мосфеты после того, как они взорвутся от шумных входов.
Как сделать индукционный нагреватель самому?
Простейший индукционный нагреватель своими руками делается так:

- На один конец отрезка толстостенной полипропиленовой трубы необходимо наварить муфту, предварительно закрепив на торце трубы капроновую мелкоячеистую сетку.
- Перевернув трубу сеткой вниз, необходимо заполнить ее рубленой нержавеющей проволокой диаметром 5 – 7 мм (длина обрезков – около 5 см).
- Свободный конец трубы также нужно закрыть с помощью муфты и сетки. Благодаря этому стальная засыпка, играющая роль сердечника, будет удерживаться внутри.
- С наружной стороны в каждую муфту вваривается переходник на нужный диаметр (соответствует диаметру отопительного контура.).
- На трубу следует намотать 90 витков медного провода.
- Получившуюся катушку нужно подключить к инвертору от самого дешевого сварочного аппарата, рассчитанный на ток сварки до 20А и оснащенный функцией его плавной настройки.
- Остается подсоединить нагреватель к системе отопления, заполнить ее теплоносителем и подать ток на катушку.
Для удобства обслуживания на входе и выходе из нагревателя можно установить шаровые краны – это даст возможность демонтировать устройство без дренирования отопительного контура.
Чтобы избежать разрыва системы из-за перегрева теплоносителя, с одной стороны к нагревателю через тройник следует подсоединить предохранительный клапан.
При наличии 3-фазной сети нагреватель можно усовершенствовать, установив вместо одной катушки три.
Инвертор от устройства для сварки.
Формирование электромагнитного поля за пределами индуктора требует мощной катушки с большим количеством витков, да и согнуть трубу тоже дело не из лёгких. Поэтому мастера рекомендуют сделать из трубы подобие сердечника, поместив её в индукционную катушку. Вообще, корпус устройства задумывался металлическим, но, в силу малых размеров индуктора, трубу заменяют на полимерную с металлической проволокой внутри. После сбора необходимых деталей можно приступить к изготовлению индукционного котла по приведённой ниже схеме
Нужно обратить внимание на последовательность шагов, так как от соблюдения этапов зависит результат. Сначала нужно закрепить металлическую сетку на один из концов полимерной трубы, чтобы нагревательные кусочки проволоки не проваливались во время эксплуатации. Сначала нужно закрепить металлическую сетку на один из концов полимерной трубы, чтобы нагревательные кусочки проволоки не проваливались во время эксплуатации
Сначала нужно закрепить металлическую сетку на один из концов полимерной трубы, чтобы нагревательные кусочки проволоки не проваливались во время эксплуатации.
С этого же конца трубы закрепляется переходник для дальнейшего соединения с отоплением.
Далее нужно нарезать проволоку, используя кусачки. Длина кусочков варьируется от 1 до 6 см. Потом эти кусочки нужно максимально плотно уложить в трубу так, чтобы в ней не оставалось свободного пространства.
Второй конец трубы проходит те же 2 начальных этапа: установка металлической сетки и переходника. Далее начинается этап изготовления индуктора: нужно намотать медную проволоку, при этом норма витков составляет 80-90 штук. К полюсам инвертора нужно подключить концы медной проволоки.
Нужно монтировать в систему отопления циркуляционный насос (если он отсутствовал). И, наконец, подключается терморегулятор. Он обеспечивает автоматизированную работу нагревателя.
Индуктор начинает создавать электромагнитное поле после запуска инвертора. Появляются вихревые потоки, нагревающие проволоку внутри трубы, и как итог – весь теплоноситель.
Так, создание индукционного нагревателя на базе сварочного инвертора довольно несложное дело. Тем более, у данного типа обогревания есть множество плюсов, которые вытекают в эффективность, долговечность оборудования и низкие финансовые затраты
Однако нужно помнить о мерах предосторожности, чтобы не пришлось переделывать всю работу заново, подбирать качественные детали и сохранять поэтапность сборки нагревателя
Проточный индукционный водонагреватель своими руками
Прежде чем приступать к монтажу, вам необходимо запастись необходимыми деталями. Так, лучшим вариантом будет сварочный высокочастотный инвертор, плавно изменяющийся диапазон силы тока. Такое устройство обойдется дешевле всего. Более дорогим вариантом станет трехфазный трансформатор, являющийся источником питания переменного тока для индуктора водонагревателя. В таком случае стоит использовать катушку на 50-90 витков, а в качестве материала взять медную проволоку с диаметром 3 или более миллиметров.
В качестве сердечника можно использовать как металлическую, так и полимерную трубу вместе с проволокой (используется как нагревательный элемент). В последнем случае толщина стен не должна быть менее 3 мм, чтобы спокойно выдерживать высокие температуры.
Для сборки водонагревателя вам понадобятся: кусачки, отвертки, паяльник и сварочный аппарат, если используется металлическая труба.
Монтаж индукционного нагревателя воды

Обмотайте трубу медной проволокой, сделав около 90 витков.
Вариантов сборки устройства существует множество. Предлагаем попробовать собрать прибор по следующей схеме:
Преимущества и недостатки прибора
“Плюсов” у вихревого индукционного нагревателя великое множество. Это простая для самостоятельного изготовления схема, повышенная надежность, высокий КПД, относительно низкие затраты на электроэнергию, длительный срок эксплуатации, малая вероятность возникновения поломок и т.п.
Производительность прибора может быть значительной, агрегаты этого типа успешно используются в металлургической промышленности. По скорости нагрева теплоносителя устройства этого типа уверенно соперничают с традиционными электрическими котлами, температура воды в системе быстро достигает необходимого уровня.
Во время функционирования индукционного котла нагреватель слегка вибрирует. Эта вибрация стряхивает со стенок металлической трубы известковый осадок и другие возможные загрязнения, поэтому в очистке такой прибор нуждается крайне редко. Конечно, отопительную систему следует защитить от этих загрязнений с помощью механического фильтра.
Индукционная катушка нагревает металл (трубу или куски проволоки), помещенные внутри нее, с помощью высокочастотных вихревых токов, контакт не обязателен
Постоянный контакт с водой сводит к минимуму и вероятность перегорания нагревателя, что является довольно частой проблемой для традиционных котлов с ТЭНами. Несмотря на вибрацию, котел работает исключительно тихо, дополнительная шумоизоляция в месте установки прибора не понадобится.
Еще индукционные котлы хороши тем, что они практически никогда не протекают, если только монтаж системы выполнен правильно. Это очень ценное качество для электрического отопления, так как исключает или значительно сокращает вероятность возникновения опасных ситуаций.
Отсутствие протечек обусловлено бесконтактным способом передачи тепловой энергии нагревателю. Теплоноситель с помощью описанной выше технологии можно разогреть чуть ли не до парообразного состояния.
Это обеспечивает достаточную тепловую конвекцию, чтобы стимулировать эффективное перемещение теплоносителя по трубам. В большинстве случаев отопительную систему не придется оборудовать циркуляционным насосом, хотя все зависит от особенностей и схемы конкретной системы отопления.
Иногда циркуляционный насос необходим. Установить прибор относительно несложно. Хотя для этого понадобятся некоторые навыки монтажа электроприборов и отопительных труб. Но есть у этого удобного и надежного прибора ряд недостатков, с которыми также следует считаться.
Например, котел греет не только теплоноситель, но и все окружающее его рабочее пространство. Нужно выделить для такого агрегата отдельное помещение и удалить из него все посторонние предметы. Для человека длительное пребывание в непосредственной близости от работающего котла также может быть небезопасным.
Для работы индукционным нагревателям необходим электроток. Как самоделки, так и оборудование заводского изготовления подключают к бытовой сети переменного тока.
Для работы прибора необходима электроэнергия. В местностях, где свободный доступ к этому благу цивилизации отсутствует, индукционный котел будет бесполезен. Да и там, где наблюдаются частые перебои с электричеством, он продемонстрирует невысокую эффективность
При неосторожном обращении с прибором может произойти взрыв
Если перегреть теплоноситель, он превратится в пар. В результате давление в системе резко возрастет, чего трубы просто не выдержат, их разорвет. Поэтому для нормальной работы системы прибор следует снабдить как минимум манометром, а еще лучше – устройством аварийного отключения, терморегулятором и т.п.
Все это может заметно повысить стоимость самодельного индукционного котла. Хотя прибор и считается практически бесшумным, это не всегда так. Некоторые модели в силу разных причин могут все же издавать некоторые шумы. Для устройства, выполненного самостоятельно, вероятность такого исхода возрастает.
В конструкции как заводских, так и самодельных индукционных нагревателей практически нет изнашивающихся компонентов. Они долго служат и безупречно работают.
Электронный вариант
Рассчитать параметры электроводонагревателя индукционного типа при намотке на трубу и сварочном инверторе можно приблизительно, это параметры, описанные выше, но более точные исчисления понадобятся для электросхем, когда учитывают емкость деталей.
Используется электронная схема с принципом последовательного резонанса, которая не требует настройки, начинает работать сразу после сборки. Выходная мощность со стандартными комплектующими средняя, но ее можно повысить, использовав емкие конденсаторы и сильные полевые ключи. Частоты больше 50 Гц создаются транзисторными (до 25 кГц), тиристорными (до 8 кГц) преобразователями.
Схема будет потреблять большой ток, используют блоки питания от 24 В до 60 В, минимум с 20 А. Лезвие ножа нагревается до красного за 10 сек.
Готовый прибор и его схемы:


Другие варианты:


Что потребуется (для нижеприведенной схемы):

- дроссели из компьютерного блока питания;
- оттуда же ферритовые (из порошкового железа) кольца с намотанной медной проволокой сечением 1,5 мм², достаточно от 10 до 30 витков;
- полевые транзисторы. Надо подобрать по максимальному сопротивлению открытого перехода. Подойдут из серии IRF740, IRFP250;
- диоды на обратное напряжение от 500 В при не меньше 3 – 4 А, подойдут UF4007, HER305;
- стабилитроны на 15 – 18 В до 2 – 3 Вт;
- резисторы на 0,5 Вт.
Детали собираются по схеме. Изготавливается и присоединяется индукционная катушка из 6 – 7 витков провода 1,5 мм². Конструкция способна нагреть до желтого цвета болты М6. Выделяемое тепло может повредить транзисторы, поэтому обязательные радиаторы, небольшой вентилятор (из того же компьютерного БП). Получается частота 30 кГц, чего более чем достаточно. Управление – через адаптер 12 В. Силовую часть можно напрямую подсоединить к 220 В через диодный мост. Остается смонтировать проточный бойлер на этой основе.
Варианты схем:


Схема и созданный по ней индукционный нагреватель:


Обогреватель из индукционной плитки

Тут ее можно купить всего за 790 рублей — Проверить цену
Зная этот принцип можно за пару часов соорудить полноценный обогреватель, который будет не только эффективным, но и экономным. Используя его можно сэкономить около 50% электроэнергии, если сравнивать с аналогичным калорифером, работающем на ТЭНах.
Вариант индукционного нагревателя

Для изготовления понадобится:
Индукционная плитка мощностью 1,2 кВт
Плитка подойдёт самая дешевая, без встроенных программ для приготовления пищи. Стоимость около 2,2 тыс.рублей у нас я брал в китае всего за 790 р
Гофрированный стальной шланг длиной около 2 метров
Продаётся в строительных магазинах, в отделе сантехника. Стоимость около 500 рублей.
- Два фитинга для соединения шланга
- Алюминиевый радиатор
Количество секций подбирается под отапливаемую площадь. Примерный расчет 1кВт на 10 м².
Кусок медной трубки, около 20 см
Преимущества и недостатки прибора
“Плюсов” у вихревого индукционного нагревателя великое множество. Это простая для самостоятельного изготовления схема, повышенная надежность, высокий КПД, относительно низкие затраты на электроэнергию, длительный срок эксплуатации, малая вероятность возникновения поломок и т.п.
Производительность прибора может быть значительной, агрегаты этого типа успешно используются в металлургической промышленности. По скорости нагрева теплоносителя устройства этого типа уверенно соперничают с традиционными электрическими котлами, температура воды в системе быстро достигает необходимого уровня.
Во время функционирования индукционного котла нагреватель слегка вибрирует. Эта вибрация стряхивает со стенок металлической трубы известковый осадок и другие возможные загрязнения, поэтому в очистке такой прибор нуждается крайне редко. Конечно, отопительную систему следует защитить от этих загрязнений с помощью механического фильтра.

Индукционная катушка нагревает металл (трубу или куски проволоки), помещенные внутри нее, с помощью высокочастотных вихревых токов, контакт не обязателен
Постоянный контакт с водой сводит к минимуму и вероятность перегорания нагревателя, что является довольно частой проблемой для традиционных котлов с ТЭНами. Несмотря на вибрацию, котел работает исключительно тихо, дополнительная шумоизоляция в месте установки прибора не понадобится.
Еще индукционные котлы хороши тем, что они практически никогда не протекают, если только монтаж системы выполнен правильно. Это очень ценное качество для электрического отопления, так как исключает или значительно сокращает вероятность возникновения опасных ситуаций.
Отсутствие протечек обусловлено бесконтактным способом передачи тепловой энергии нагревателю. Теплоноситель с помощью описанной выше технологии можно разогреть чуть ли не до парообразного состояния.
Это обеспечивает достаточную тепловую конвекцию, чтобы стимулировать эффективное перемещение теплоносителя по трубам. В большинстве случаев отопительную систему не придется оборудовать циркуляционным насосом, хотя все зависит от особенностей и схемы конкретной системы отопления.
Иногда циркуляционный насос необходим. Установить прибор относительно несложно. Хотя для этого понадобятся некоторые навыки монтажа электроприборов и отопительных труб. Но есть у этого удобного и надежного прибора ряд недостатков, с которыми также следует считаться.
Например, котел греет не только теплоноситель, но и все окружающее его рабочее пространство. Нужно выделить для такого агрегата отдельное помещение и удалить из него все посторонние предметы. Для человека длительное пребывание в непосредственной близости от работающего котла также может быть небезопасным.

Для работы индукционным нагревателям необходим электроток. Как самоделки, так и оборудование заводского изготовления подключают к бытовой сети переменного тока
Для работы прибора необходима электроэнергия. В местностях, где свободный доступ к этому благу цивилизации отсутствует, индукционный котел будет бесполезен. Да и там, где наблюдаются частые перебои с электричеством, он продемонстрирует невысокую эффективность
При неосторожном обращении с прибором может произойти взрыв
Если перегреть теплоноситель, он превратится в пар. В результате давление в системе резко возрастет, чего трубы просто не выдержат, их разорвет. Поэтому для нормальной работы системы прибор следует снабдить как минимум манометром, а еще лучше – устройством аварийного отключения, терморегулятором и т.п.
Все это может заметно повысить стоимость самодельного индукционного котла. Хотя прибор и считается практически бесшумным, это не всегда так. Некоторые модели в силу разных причин могут все же издавать некоторые шумы. Для устройства, выполненного самостоятельно, вероятность такого исхода возрастает.

В конструкции как заводских, так и самодельных индукционных нагревателей практически нет изнашивающихся компонентов. Они долго служат и безупречно работают
Как собрать индукционный котел самостоятельно
Современный рынок отопительных устройств представляет большой выбор различных моделей индукционных нагревателей как для бытового, так и для промышленного использования. Несмотря на то, что на сегодняшний день подобное оборудование не вышло на уровень широкого применения в отопительных системах, стоимость его высока. Цена на бытовые котлы начинаются от 25 000 рублей, а на промышленные — от 100 000 руб.
В целях экономии сделать индукционный нагреватель можно своими руками. Такая работа под силу даже не специалисту.
Устройство со сварочным инвертором и пластиковыми трубами
Все материалы и компоненты, которые применяются для сборки, доступны и зачастую находятся под рукой. Что для этого нужно:
- катанка или нержавеющая проволока из стали (диаметр до 0,7 см);
- медная проволока;
- металлическая сетка;
- фрагмент пластиковой трубы с толстыми стенками для корпуса обогревателя (диаметр изнутри 5 см);
- сварочный аппарат;
- переходники для монтирования котла к системе отопления;
- инструменты;
- насос для обеспечения циркуляции воды.
Проволоку из нержавеющей стали нужно нарезать на кусочки длиной 0,5-0,7 см. Заполнить плотно ими пластиковую трубу и закрыть ее с обеих сторон. В ней не должно быть свободного пространства. На дно трубки устанавливается металлическая сетка, которая позволяет удержать стальные частички внутри.
Далее следует смастерить основной компонент нагревания — индукционную катушку. На пластиковую трубу наматывается медная проволока. Необходимо сделать не менее 100 аккуратных витков на одинаковом расстоянии друг от друга. Затем индукционная катушка подключается к системе индивидуального отопления. Устанавливается котел в любой части трубопровода. Для прокачки воды необходимо встроить насос.
Подключается самодельное устройство внешней обмоткой из меди к инвертору. Обязательно проводятся работы по электроизоляции и теплоизоляции котла. Все открытые участки закрываются специальным материалом. Для утепления используется базальтовая вата. Это необходимо для того, чтобы нагревалась труба без потерь теплоэнергии на воздух.
Устройство с трансформатором
Данный вариант проще в сборке, чем предыдущий. Что потребуется для изготовления своими руками:
- трехфазный трансформатор с возможностью крепления;
- сварочный аппарат;
- медная обмотка.
Необходимо вставить трубы одна в другую, сварить. Конструкция в разрезе должна напоминать форму бублика. Она выполняет одновременно две задачи – нагревательного элемента и проводника. Затем медной проволокой обматывается корпус нагревателя и подключается к трансформатору. Чтобы тепло не терялось в процессе эксплуатации, на котел можно соорудить защитный кожух.
Индукционное отопление хорошая альтернатива стандартным системам отопления. Его эффективность составляет около 97% КПД. Такие системы экономичны, функционируют на любой жидкости, работают бесшумно, не выделяют вредных веществ.
При соблюдении правил сборки котлы безопасны в эксплуатации. Они долговечны. Но если какой-то элемент придет в негодность, замена его не составит сложностей. Все материалы легко заменимы и доступны.
Создание индукционной катушки

Наматываем проволоку на трубку так, чтобы между витками оставался небольшой промежуток.
Основой всей конструкции является пластиковая труба. Вокруг нее мы будем наматывать катушку. А для того чтобы труба не расплавилась под воздействием горячей катушки (да, она будет греться), мы будем наматывать проволоку не прямо на трубу, а на текстолитовые полоски. Стеклотекстолит можно заменить на асбестовую ткань, которой оборачивается пластиковая труба.
Набивной сердечник необходим для нагрева теплоносителя. Для этого берем стальную проволоку небольшого диаметра, нарезаем ее на мелкие кусочки, скручиваем, после чего набиваем ею пластиковую трубу. С обеих сторон труба закрывается металлической сеткой – она пропустит воду, но не даст вывалиться нашей набивке. Поверх пластиковой трубы (защищенной стеклотекстолитом или асбестом) наматываем медный провод, длина которого составляет примерно 11 м. Сечение провода – 1,5 мм. Провод наматываем не внавалку, а как бы виток к витку, но оставляя небольшое расстояние между витками.
Наматывая медную проволоку будущей индукционной катушки, уделите внимание качеству намотки и сделайте так, чтобы намотка была равномерной. Отдельные витки не должны касаться друг друга
Количество витков составляет 90-100.
Что мы получили в конечном итоге? У нас получился нагревательный элемент в виде катушки. На него нужно подать электроэнергию, которая создаст в сердечнике вихревые токи. Протекающий через сердечник теплоноситель будет нагреваться, передавая свое тепло подключенным к отопительной системе радиаторам.




































