Сфера применения
При выявлении движения формирует контрольный сигнал, который запускает в действие заложенный алгоритм действий, соединяет питание электроустройств, чаще всего осветительных.
В основном применяются для таких целей:
- Охрана (например, запускает видеокамеру);
- Сигнализация;
- Контроль доступа в помещения;
- Управление освещением;
- Управление системой «умный дом» (регулирует освещение, вентиляцию, кондиционирование, отопление, открытие автоматических ворот (дверей), и прочие механизмы в зависимости от присутствия или приближения людей).
Преимущества использования датчиков движения для освещения:
- Экономия 50-80% потребляемой электроэнергии.
- Удобство
- Экономия времени и сил – свет выключится автоматически
- Автоматическое включение. Такое главное преимущество. Теперь не нужно спотыкаться возле неосвещенного дома, нащупывать выключатель света для уличного освещения
- Безопасность. Отличная система отпугивания незваных ночных гостей, также предотвращает несчастные случаи на лестнице в темноте
- Гостеприимство: приятно, когда при приближении к дому включается освещение
- Возможность управления вентиляцией в туалетах и ванных комнатах
- Включение света только при недостаточном уровне освещенности.
Типы
Существуют различные типы датчиков, и все зависит от конечных целей. Движущие объекты могут издавать вибрацию, определённый уровень звука, изменяют температуру. В зависимости от этих фактов производятся датчики таких видов:
- Емкостные модели.
- Вибрационный тип.
- Автономные приборы.
- Беспроводные товары.
Емкостные и вибрационные
В банковских хранилищах зачастую устанавливаются емкостные и вибрационные датчики, которые реагируют на движение и извещают пользователя о приближающейся опасности. Вибрационные устройства улавливают вибрацию, которая, к примеру, исходит от стены при её разрушении. Учитывается фактор помех, поэтому предусмотрена погрешность работы.
Емкостные извещатели работают по другому принципу, поскольку отслеживают электромеханические изменения. К примеру, датчик покажет, если объект соприкасается с металлической поверхностью. Емкостные извещатели устанавливаются на двери, окна.
Автономные
Автономные устройства считаются профессиональными и соединены с GSM с трекером. Модели не подсоединяются к центральному блоку, работают отдельно. Главное преимущество — возможность установки в любом месте, подключения к сети не требуется. Специалисты способны запрограммировать систему, чтобы она реагировала на определенное воздействие. Модели функционируют с видеокамерами, это требуется для возможности записи происходящего на носитель. Сигнал может отправляться на пульт либо подключенный смартфон.
Беспроводной тип
Если нет возможности прокладывать сеть, применяются беспроводные инфракрасные датчики. Системы активно устанавливаются вблизи промышленных объектов, на площадках и парковках. Внешне беспроводные устройства компактны, отличаются точностью работы зоны действия. Связь проходит напрямую с блоком сигнализации, задействуется защищенный радиоканал. Производители выпускают модели с частотой в районе 400 мегагерц. Дальность действия, как правило, не превышает 200 метров.
Типичное исполнение детекторов движения
Рассматриваемые датчики классифицируются в зависимости от способа обнаружения движения объекта. Существуют две классификации приборов:
- Активные.
- Пассивные.
Детекторы активного действия
Детекторы активного действия являются устройствами, функционирующими по принципу радарной схемы. Этот тип приборов излучает радиоволны (микроволны) в границах контролируемой зоны. Микроволны отражаются от существующих объектов и принимаются сенсором датчика движения.
Упрощённая схематика конструкции сенсора активного действия: 1 – источник (передатчик) микроволнового излучения; 2 – приёмник отражённого микроволнового сигнала; 3 – сканируемый объект
Если в зоне контроля обнаруживается движение в момент трансляции датчиком микро-излучения, создаётся эффект — доплеровский (частотный) сдвиг волны, который воспринимается вместе с отражённым сигналом.
Этот фактор сдвига указывает на то, что волна отразилась от движущегося объекта. Будучи электронным устройством, датчик сканирования движения способен вычислить такие изменения и отправить электрический сигнал:
- в систему сигнализации,
- на переключатель света,
- на другие устройства,
схематично подключенные к датчику обнаружения движения.
Активные микроволновые датчики сканирования движения, в основном используются, к примеру, на автоматически работающих дверях торговых центров. Но вместе с тем этот тип приборов удачно подходит для домашних охранных систем или коммутации внутреннего освещения.
Этот вид электроники не подходит для коммутации наружного освещения или аналогичных применений. Обусловлено это массовостью активных объектов в условиях улицы, которые постоянно двигаются.
Например, движение ветвей деревьев от ветра, перемещение мелких животных, птиц и даже крупных насекомых, фиксируются активным сенсором, что приводит к ошибке срабатывания.
Детекторы пассивного действия (PIR – passive infrared)
Пассивные датчики движения – полная противоположность активным сенсорам. Пассивные системы ничего не посылают. Попросту обнаруживают инфракрасную энергию.
Конструктивное исполнение сенсора пассивного типа: 1 – Мульти объектив; 2 – Оптический фильтр; 3 – счетверённый инфракрасный элемент; 4 – металлический корпус; 5 – инфракрасное излучение; 6 – стабилизированный источник питания; 7 – усилитель; 8 — компаратор
Инфракрасные (тепловые) уровни энергии воспринимаются пассивными детекторами, непрерывно сканирующими область контроля или объект.
Учитывая, что инфракрасное тепло излучается не только от живых организмов, но также от любого объекта с температурой выше абсолютного нуля, можно сделать выводы о пригодности применения.
Эти датчики обнаружения движения не были бы эффективными, если бы их можно было активировать маленьким животным или насекомым, которое перемещается в диапазоне обнаружения.
Однако большинство существующих пассивных датчиков допустимо настроить на восприятие движение так, чтобы контролировать объекты с определенным уровнем испускаемого тепла. Например, прибор вполне можно настроить только на восприятие людей.
Сенсоры гибридной (комбинированной) конструкции
Комбинированный (гибридный) технологический датчик сканирования движения представляет собой систему комбинации активной и пассивной схемы. Такая электроника активирует действие только в случае обнаружения движения и той и другой схемой.
Комбинированные системы видятся полезными под применение в модулях сигнализации, так как уменьшают вероятность срабатывания на ложных тревогах.
Вместе с тем, эта технология обладает своими недостатками. Комбинированный прибор не в состоянии обеспечить такой же уровень безопасности, как отдельно взятые PIR и СВЧ-датчики.
Это очевидно, поскольку сигнал тревоги срабатывает только при обнаружении движения активным и пассивным датчиками одновременно.
Допустим, если злоумышленнику удастся каким-то способом предотвратить обнаружение одним из датчиков комбинированного прибора, движение останется незамеченным.
Соответственно, сигнал тревоги не будет отправлен на микропроцессор центральной системы сигнализации. На сегодня самым популярным типом комбинированных датчиков считается конструкция, где объединяются схемы PIR и микроволнового датчика.
Устройство и принцип работы
Конструктивно датчик движения содержит несколько составляющих элементов, которые будут отличаться в зависимости от типа.

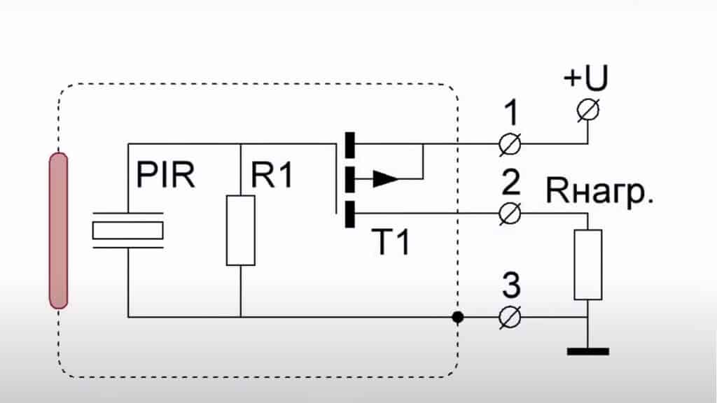
Рис. 1. Устройство датчика движения
Для примера рассмотрим устройство инфракрасного сенсора, который состоит из:
- пироэлемента PIR, реагирующего на изменение физических параметров окружающей среды;
- полевого транзистора T1, выступающего в роли электронного ключа;
- шунтирующего резистора R1, подключенного параллельно к пироэлементу.
Принцип действия заключается в способности пироматериала изменять собственные характеристики в зависимости от степени теплового излучения, попадающего на него. Световой поток уменьшает сопротивление пироэлемента PIR и через него приходит сигнал на открытие полевого транзистора. В таком состоянии ток будет протекать через нагрузку, в роли которой может выступать катушка реле или другой логический элемент. В случае появления человека или другого объекта в области действия датчика, световой поток прервется и перестанет воздействовать на пироэлемент, сработает автоматика, выдающая соответствующий сигнал о возникновении движения.
Лучшие уличные датчики движения для выключения света
Экономить на электричестве помогают датчики движения для освещения, которые реагируют на появление человека и включают свет. Устанавливают сенсоры на улице, в жилых помещениях, коридорах общественных зданий. Настроить оборудование можно с учетом определенной освещенности: днем включение света не происходит, а с наступлением сумерек детектор начинает реагировать на движение
Наши эксперты изучили продукцию 7 торговых марок и предлагают обратить внимание на 3 датчика с хорошей чувствительностью
IEK Ldd10-008-1100-001
Предназначен для открытого монтажа, может использоваться на улице. Корпус изготовлен из поликарбоната, не поддерживающего горение. Электроника надежно защищена от пыли, высокой влажности – класс устройства IP44. Включение выполняется с помощью электромеханического реле. Расчетная нагрузка не должна превышать 1100 Вт.
Угол обзора по горизонтали – 180 градусов, радиус действия 12 метров. Рабочий цикл настраивается в широких пределах – от 10 секунд до 12 минут. Это позволяет использовать оборудование в городских квартирах, офисах, на улице. Рекомендуемый температурный диапазон – от -25 градусов. По отзывам пользователей, при правильной настройке точно срабатывает, независимо от степени освещенности.
Достоинства:
- Низкая цена;
- Стабильная работа;
- Длительный срок службы;
- Гарантия производителя 5 лет;
- Простой монтаж.
Недостатки:
Ограниченный диапазон нагрузки.
Kanlux Aler JQ-30-B
Разработан для использования внутри и снаружи помещений. Отличается хорошим углом обзора по горизонтали – 150 градусов. Корпус изготовлен из огнестойкого пластика, имеет класс защиты от пыли, влаги IP44. Сенсор PIR реагирует на движения в радиусе до 12 метров. Время включения электричества настраивается, диапазон от 8 секунд до 7 минут.
Детектор можно настраивать с учетом степени освещенности охраняемой зоны. Максимальная нагрузка не должна превышать 1200 Вт. Монтаж выполняется на стену с помощью стандартных винтовых соединений. Хороший уровень противопожарной защиты позволяет крепить устройство к материалам, которые относятся к категории нормально воспламеняемых.
Достоинства:
- Небольшие размеры;
- Отсутствие ложного срабатывания;
- Удобная настройка;
- Прочный корпус.
Недостатки:
Небольшой угол обзора по вертикали.
Duwi 25830 8
Разработан для работы в паре с прожектором, мощностью до 1200 Вт. У сенсора расширен угол обзора до 180 градусов. Максимальная фронтальная дальность действия 6 метров. Сенсор размещен в корпусе из ударопрочного пластика, устойчивого к воспламенению. Класс защиты IP44 обеспечивает стабильную работу в условиях высокой влажности.
Открытый монтаж отличается простотой: устройство фиксируется к стене с помощью винтового соединения. Удобный кронштейн упрощает выбор положения для максимального охвата территории. Пользователь может настроить освещенность датчика в диапазоне от 3 до 2000 Люкс.
Достоинства:
- Хорошая чувствительность;
- Срок службы 5 лет;
- Поставляется в сборе;
- Переносит перепады температур.
Недостатки:
Инструкция только на китайском языке.
Источники
- https://ProDatchik.ru/vidy/datchiki-dvizheniya-dlya-ohrany-perimetra-ulichnye/
- https://vyborok.com/rejting-luchshih-datchikov-dvizheniya-dlya-signalizaczii/
- https://vyborexperta.ru/cifrovaya-tekhnika-i-internet/luchshie-datchiki-dvizhenija/
Дополнительные функции
Для улучшения работы системы, повышения ее эффективности и исключения ложных срабатываний датчики могут иметь дополнительные функции. Уже упоминалось о фотореле, позволяющем выводить систему из работы в светлое время суток, а также о дополнительном сенсоре зоны подкрадывания. Но этим списком вспомогательные опции не исчерпываются.
Задержка отключения света
У датчиков, оборудованных реле освещенности, может иметься полезная функция. При исчезновении из поля зрения движущегося объекта освещение отключается не сразу, а с задержкой в несколько десятков секунд. Мизерный перерасход электроэнергии окупается удобством – человек может покинуть зону действия детектора, но не окончательно покинуть контролируемую зону. С помощью этой функции он сделает это не в темноте.
Защита от животных
Нередко несанкционированное срабатывание датчиков вызывают мелкие животные. При их появлении включение освещения излишне, как и реакция охраны. Поэтому в некоторые сенсоры изначально заложена нечувствительность к появлению небольших движущихся объектов. В инфракрасных датчиках эта функция выполнена в виде ограничения на минимальный размер теплового пятна.
Сравнение теплового пятна от человека и животного в дальней зоне.

Важно! Если мелкое животное будет двигаться в непосредственной близости сенсора, угловой размер теплового пятна может оказаться достаточным для ложного срабатывания. Поэтому следует ограничить доступ в зону, прилегающую к месту установки датчика
Автономность
Если есть проблемы с организацией питания датчиков от бытовой электросети, хорошим выбором могут стать автономные устройства. Энергонезависимость обеспечивается за счет обычных батареек. Многие приборы от одного гальванического элемента работают по нескольку месяцев. В этом случае есть смысл выбирать сенсоры с беспроводной передачей сигнала – чтобы совсем избавиться от кабелей.
Беспроводной автономный сенсор Motion Sense 02.
Детекторы движения являются универсальными приборами. На них можно строить различные системы охраны, предупреждения и регулирования. Возможно и нестандартное применение устройств – все ограничено только фантазией и инженерной смекалкой.
Лучшие датчики движения для дома
Для улучшения комфорта можно купить датчики движения для дома, которые работают в паре с интеллектуальными системами управления бытовой техникой. Сенсоры управляют освещением, передают данные шлюзу, обрабатывающему данные и отправляющему команды исполнительным устройствам. Информация с детекторов может использоваться для постановки объекта на охрану.
Smart Land SL MD-02
Модель с пироэлектрическим сенсором и беспроводной связью по Wi-Fi. Реагирует на ИК излучение. Основная функция – включение освещения при обнаружении движения. После срабатывания отправляет push-уведомления, которые можно прочитать с помощью приложения на смартфоне. Интегрируется в экосистему Smart Land, пользователь может выбрать любой удобный сценарий использования датчика, например, постановку сигнализации на охрану после ухода из дома.
Работает датчик движения на батарейках класса CR123A, устанавливается на подставку, которая идет в комплекте. Угол обзора 110 градусов, рекомендуется использовать при комнатной температуре. Дальность действия сигнала Wi-Fi – 45 метров.
Достоинства:
- Высокая чувствительность;
- Сообщение на смартфон приходит за 3-4 секунды после срабатывания;
- Наличие таймера;
- Низкое энергопотребление;
- Запись сигналов в раздел «История».
Недостатки:
Не обнаружены.
PS-Link PS-WP001
Укомплектован модулем Wi-Fi, работает в паре со стационарным или мобильным роутером. Является частью системы «Умный дом» Smart Life, может интегрироваться для решения разных задач или как самостоятельное устройство, предназначенное для включения света при обнаружении движения. Настройки, работа контролируются с помощью смартфона на базе Андроид. При срабатывании отправляет push-сообщения.
Работает по прописанному сценарию, есть два режима с разным потреблением электроэнергии. Предусмотрен контроль состояния заряда в батареях. Поддерживает сервис управления голосом. Корпус изготовлен из ударопрочного пластика, надежно защищает от высокой влажности. Угол обнаружения 120 градусов, радиус – 5 метров. Стабильно работает при морозе в 10 градусов, что позволяет использовать в неотапливаемых гаражах, верандах, пристройках.
Достоинства:
- Питание от стандартных батареек ААА;
- Крепление на двухсторонний скотч;
- Небольшие размеры делают малозаметным;
- Хорошая чувствительность;
- Подробная инструкция.
Недостатки:
Цена выше, чем у аналогов.
Xiaomi Mi Smart Home Occupancy Sensor
Имеет небольшой размер и цилиндрическую форму, может крепиться к вертикальным или горизонтальным поверхностям. Фиксация с помощью двухстороннего скотча, который поставляется в комплекте. Цилиндр, высотой 3 см, легко спрятать в комнате, где минимальное количество мебели. Корпус изготовлен из ударопрочного пластика, хорошо защищает от пыли и высокой влажности. Работает от батарейки CR2450, заряда которой достаточно на 2 года работы.
Хороший обзор – 170 градусов, радиус действия 7 метров позволяет использовать одно устройство для контроля большой комнаты. Интегрируется в среду Mi Home, работает в паре со шлюзом Gateway. Легко синхронизируется с фирменными умными лампами, выключателями китайского бренда.
Достоинства:
- Стабильное подключение по протоколу ZigBee;
- Работает при температуре -10 градусов;
- Простая настройка, перезагрузка;
- Низкое энергопотребление.
Недостатки:
Инструкция только на китайском языке.
Philips Hue
Работает в комплексе с фирменным блоком управления, созданным для системы умного освещения дома. Имеет встроенный датчик освещения, который можно настраивать с учетом индивидуальных потребностей. Может включать яркий дневной свет или мягкое ночное освещение в зависимости от прописанных сценариев.
Корпус изготовлен из прочного пластика, класс защиты IP42. Производитель предлагает два варианта крепления – одним винтом или с помощью магнита, идущего в комплекте. Связь со шлюзом осуществляется по протоколу ZigBee.
Достоинства:
- Удобное крепление;
- Небольшие размеры;
- Широкий выбор сценариев;
- Радиус действия 7 метров.
Недостатки:
Нужен центр управления.
Учитывайте главное
Прежде чем поставить сирену на охрану своего дома, важно предусмотреть, чтобы все составляющие устройства не находились на виду. Причиной тому является эффект неожиданности, на что в первую очередь и рассчитаны ревуны
Но если датчики, фиксирующие движение, и сам оповещатель располагаются порознь, но при этом соединены проводами, то злоумышленнику будет проще обойти защиту.
По этой причине сегодня наиболее популярны устройства, в которых всё спрятано в одном корпусе небольшого размера.
Вместе с сиреной может быть установлен мощный прожектор, который в совокупности со звуком заставит злоумышленника ретироваться, при этом оповестив людей в помещении и не дав воришке прихватить какие-либо вещи. А также стоит учесть, что автономная система охраны будет обходиться намного дешевле стандартной сигнализации, но работать ничуть не хуже.
Единственно, нужно своевременно заменять батарейки или аккумуляторы на устройстве
, что особенно важно сделать после срабатывания сирены, так как самый большой расход энергии происходит именно в этот момент
Датчики контроля мертвой зоны
У каждого автомобиля есть одна особенность: как ни настраивай зеркала заднего вида, все равно останется какое-то неконтролируемое пространство, и объект, попавший в пределы этой мертвой зоны, увидеть невозможно. На дороге это опасно тем, что водитель, не заметив движущийся в соседней полосе немного позади автомобиль или мотоцикл (что более вероятно), перестроится и станет виновником аварии.

Принцип работы датчика контроля мертвой зоны аналогичен радарам парктроника. С тем лишь отличием, что реагирует он на объекты, приближающиеся со скоростью более 10 км/ч, и игнорирует объекты, движущиеся во встречном направлении. Он посылает ультразвуковой сигнал, который отражается от объекта и возвращается обратно, после чего система вычисляет расстояние до объекта.
Устанавливаются датчики контроля мертвой зоны по несколько с каждой стороны. При появлении в контролируемом пространстве объекта его вначале регистрирует передний, и ЭБУ понимает, что ситуация пока не опасна, поскольку водитель видит приближающееся транспортное средство. По мере приближения объект пропадает из поля зрения сидящего за рулем, и тогда система контроля мертвых зон оповещает водителя об опасности.
Регулировка (настройка)
Датчик движения можно установить с заводскими настройками, но если его параметры отрегулировать, то он будет работать лучше и надежнее, что позволит сэкономить электроэнергию или повысить безопасность.
Угол наклона
Прежде всего, нужно установить зону обнаружения. Для этого необходимо выбрать правильный угол наклона. На корпусе устройства есть шарниры, позволяющие произвести регулировку положения.
При неправильном наклоне возможно появление «слепых» зон.
Чувствительность
Кроме положения, большое значение имеет регулировка чувствительности. Она производится колесиком или ручкой с надписью «SENS». Минимальная чувствительность обозначается min (low или –), максимальная – max (high или +).
Настройка производится так, чтобы аппарат срабатывал на человека, но не на животных. Для этого регулятор устанавливается в положение максимальной чувствительности и путем постепенного уменьшения производится поиск оптимального значения.
Если в доме живет большая собака, то настроить прибор так, чтобы он реагировал на людей, но не реагировал на нее, не получится.
Уровень освещенности
Если ДД подключается к системе управления освещением, то необходима настройка датчика уровня освещенности. Он обозначается «LUX».
Для регулировки он вечером устанавливается в положение максимальной чувствительности, и оно уменьшается до срабатывания датчика.
При отсутствии встроенного датчика можно подключить внешний. Его настройка производится аналогично.
Время задержки
Еще один важный параметр – задержка времени отключения. Регулятор, отвечающий за него, обозначается «TIME». Это значение меняется от 5 секунд до 10 минут.
При настройке лучше установить минимальное значение и постепенно увеличивать его до комфортной величины.
Датчик наклона автомобиля
Датчик крена или наклона автомобиля предназначен для контроля угла крена кузова машины, чтобы при необходимости автоматика могла вмешаться в работу водителя. Особенно полезен датчик крена для внедорожников. Это обусловлено высоко расположенным центром тяжести автомобилей данного класса и склонностью к опрокидыванию.
- Датчик наклона жестко крепится к машине и непрерывно отслеживает положение кузова относительно горизонта и при достижении критических значений угла крена посылает сигнал в блок управления.
- ЭБУ, в свою очередь, посылает команды различным системам, которые помогают стабилизировать положение кузова и предотвратить опрокидывание.
Кроме того, датчик крена (наклона) нередко входит в состав охранной системы авто. В этом случае он включает режим «Паника» при поддомкрачивании машины. В этом случае при постановке машины на охрану, датчик наклона регистрирует положение кузова как эталонное. Даже при небольшом изменении угла наклона кузова включается сирена.
Модели автономных датчиков движения
FL-1770
- Тип – автономный датчик движения с сиреной
- Датчик – инфракрасный пассивный детектор
- Радиус зоны обнаружения – 8 метров
- Питание – 4 элемента типа АА или адаптер 220/6 В
- Пьезоэлектрическая сирена – 105 дБ
- Время звучания – 40 секунд
- Пульт-брелок – 2 шт
- Цена – около 1000 рублей
Signal XQ
- Тип – автономный датчик движения с модулем GSM
- Сеть – GSM 900/1800 МГц
- Радиус зоны обнаружения – 12 метров
- Встроенный регулируемый датчик температуры
- Питание – внутренний аккумулятор или сетевой адаптер
- Цена – в пределах 5000 рублей
Proline PR-G01 AM
- Тип – инфракрасный детектор движения с видеокамерой и GSM модулем
- Сеть – Билайн, МТС, Мегафон
- Радиус зоны детектирования – 8 метров
- Карта памяти для хранения архива – 4 Гб
- Встроенный микрофон
- Инфракрасная подсветка объекта
- Встроенный аккумулятор 800 mA/час
- Цена – порядка 6000 рублей
В режиме тревоги выполняется отправка фотографий на запрограммированные номера и запись видеофайла на карту памяти.
Модели автономных датчиков движения
FL-1770
- Тип – автономный датчик движения с сиреной
- Датчик – инфракрасный пассивный детектор
- Радиус зоны обнаружения – 8 метров
- Угол зоны – 110 0
- Питание – 4 элемента типа АА или адаптер 220/6 В
- Пьезоэлектрическая сирена – 105 дБ
- Время звучания – 40 секунд
- Пульт-брелок – 2 шт
- Цена – около 1000 рублей
Signal XQ
- Тип – автономный датчик движения с модулем GSM
- Сеть – GSM 900/1800 МГц
- Радиус зоны обнаружения – 12 метров
- Встроенный регулируемый датчик температуры
- Питание – внутренний аккумулятор или сетевой адаптер
- Цена – в пределах 5000 рублей
Proline PR-G01 AM
- Тип – инфракрасный детектор движения с видеокамерой и GSM модулем
- Сеть – Билайн, МТС, Мегафон
- Радиус зоны детектирования – 8 метров
- Угол обзора – 60 0
- Карта памяти для хранения архива – 4 Гб
- Встроенный микрофон
- Инфракрасная подсветка объекта
- Встроенный аккумулятор 800 mA/час
- Цена – порядка 6000 рублей
В режиме тревоги выполняется отправка фотографий на запрограммированные номера и запись видеофайла на карту памяти.
В отличие от точечных датчиков, к которым относятся магнитоконтактные устройства, датчики движения обладают способностью контролировать определённый .
Охранные датчики, реагирующие на движение физического объекта, являются важнейшим элементом систем безопасности. Благодаря специфике используемых .
Датчики движения различных типов можно считать основными приборами в системах охраной сигнализации и устройствах для автоматического управления .
Пока комментариев нет. Напишите первый комментарий.
Схема подключения

Как правило, датчики движения имеют свою схему включения, в зависимости от требований, предъявляемых к работе датчика. Каждый датчик подключается к сети 220 V, которая имеет фазный провод (L) и нулевой провод (N). Подобная маркировка присутствует и на клеммах подключения датчика движения. Игнорировать подобную последовательность подключения не рекомендуется. На корпусе устройства имеются также клеммы для подключения источника света (лампы освещения).
Если датчик движения устанавливается на улице, то не помешает датчик освещенности (фотореле). В таком случае можно выбрать датчик со встроенным фотореле или использовать обычный выключатель, но тогда его придется отключать утром и включать вечером, когда стемнеет. Если используется независимое фотореле, то его подключают в разрыв фазного провода.
Кроме достоинств данного прибора, он имеет один недостаток. Находясь в зоне действия датчика, необходимо все время двигаться, чтобы свет был включен постоянно. Если этого не делать, то освещение будет то включаться, то выключаться, что не совсем комфортно.
Чтобы этого не случилось, параллельно датчику движения устанавливается обычный выключатель. Достаточно его включить и свет будет гореть столько, сколько необходимо, независимо от работы датчика. Когда постоянно работа электрического освещения не понадобится, выключатель просто отключают, что переводит работу устройства в обычный режим включения/отключения.
Как подключить датчик движения
Типы датчиков движения
Сейчас существует несколько видов датчиков движения. Перед покупкой стоит немного разобраться в характеристиках данных приборов. Их большое количество, чтобы каждый мог выбрать прибор подходящий под определенные требования.

Датчики движения делятся на некоторые типов, в зависимости от места, где он находится:
- Тип внутренний. Такой вид датчиков находится в помещении. Установить его можно в абсолютно любом месте дома или квартиры.
- Тип внешний. Такой прибор работает на расстоянии от 100 до 500 метров. Обычно их устанавливают во дворе дома или на обширных участках различных производств.

Установка, как и приборы делится на два типа:
- Потолочный тип установки. Такой сигнализатор монтируют в потолок. Как правило, он работает на все 360 градусов.
- Настенный или, другое название – угловой тип установки. Преимущество считается меньший угол разора, так сокращается количество ложных реагирований.

Питание сигнализатора делится на несколько видов:
Проводной тип питания – на протяжении всего времени эксплуатации работают хорошо, почти как новые. Это происходит из-за того, что электроэнергия передается по проводам. У сигнализатора имеется минус – он отключается, в случае отсутствия электричества.

Автономный или беспроводной тип питания. Он работает от одного или нескольких аккумуляторов, которые заранее встроены. Более современные модели питаются солнечным светом. Однако столь экологичный вариант требует контроля электроэнергии. Ее не должно быть слишком мало, или слишком много.

Как применяется датчик движения?
Детекторы движения эксплуатируются с разными целями и в разных условиях. Они обеспечивают автоматическое включение и отключение оборудования, которое может быть сложным техническим комплексом, а может быть и обыкновенным источником света. Приборы света включаются, когда в поле их видимости появляется объект и отключаются спустя некоторое время после того, как двигательная активность погаснет.
Кроме того, такие приборы широко используются в системах «умного дома». Они регулируют систему вентиляции, кондиционирования, отопления, открывают автоматические ворота и двери и управляют другими механизмами в помещении.
Технические характеристики
Среди основных технических характеристик выделяют такое:
- Дальность детекции.
- Допустимая высота установки.
- Рабочая температура.
- Скорость детекции.
- Размеры прибора.
- Направленность луча.
- Ток потребления.
- Допустимый уровень влажности.
- Потребление электроэнергии.
Рабочее напряжение и его тип
Одной из основных характеристик является рабочее напряжение. При подключении модели к сети учитываются её особенности. Если рассматривать жилое здание, напряжение составляет 220 вольт. Наиболее распространенными являются датчики на 12 вольт, и для них требуется блок питания. Производитель на товаре может указывать рабочее и максимальное напряжение. Для безопасной работы устройства рекомендуется придерживаться рекомендаций. Все что связано с электроснабжением, описано в ГОСТе 23875 88.
Тип и ток подключаемой нагрузки
Для стабильной работы датчиков применяются автоматические выключатели, которые отвечают за ток подключаемой нагрузки. Автоматы обеспечивают защиту от коротких замыканий. Чтобы избежать перегрузок, проводка скрывается, требуется соблюдать меры безопасности. При подключении автомата учитывается номинальный ток приемника. Также берется в расчет сечение токопроводящего провода. Любая перегрузка может привести к пожару.
Защита от пыли и влаги
При установке уличного датчика, в первую очередь, он подвергается воздействию пыли и влаги. Производитель в обязательном порядке указывает класс модели. На основании этого можно судить о том, насколько товар защищен. Стандартный датчик средней ценовой категории из Китая имеет защиту IP20.
Уровень действия устройства
При выборе подходящего датчика учитывается его уровень действия, оцениваются углы обзора. В любом случае у модели будут слепые зоны
При монтаже важно закрепить датчик таким образом, чтобы охватить большую территорию
Производители и цены
В приборах движения цена напрямую связана с качеством и производительностью прибора. Чем дороже устройство – тем большую зону оно способно охватить. Среди популярных марок стоит отметить приборы фирм:
- Camelion;
- Theben;
- Ultralight.
Стоимость сенсоров начинается от 400 рублей и доходит до нескольких тысяч. Самые рейтинговые среди бюджетных моделей по версии Яндекс.маркета.
| Изображение | Модель | Угол обзора, градусов | Дальность действия, метров | Средняя цена, рубли |
|---|---|---|---|---|
| Camelion LX-39/Wh | 180 | 12 | 558 | |
| Rev 3 | 180 | 12 | 590 | |
| Feron SEN30 (датчик движения руки) | 30 | 5-8 | 759 | |
| PIR16A | 180 | 12 | 505 | |
| IEK LDD12-029-600-001 | 120 | 9 | 508 | |
| Elektrostandard SNS M 02 | 180-360 | 6 | 512 | |
| ТДМ SQ0324-0014 | 120 | 12 | 519 |
Преимущества и недостатки
Датчики движения с автономным питанием обладают целым рядом несомненных достоинств:
- Простота установки;
- Многофункциональность;
- Передача сигнала на большое расстояние;
- Экономичность.
Датчик такого типа можно установить практически в любом месте. При организации охранной сигнализации с применением автономных датчиков можно не беспокоиться о том, что кабельные линии нарушат дизайн помещения. Поэтому такие датчики часто устанавливают там, где нельзя нарушать интерьер по эстетическим соображениям. Кроме того, использование беспроводных датчиков существенно снижает затраты на установку охранной системы.
Часто бывают ситуации, когда установка полномасштабной охранной системы нецелесообразна из-за небольших размеров помещения. К таким объектам могут относиться гаражи или маленькие садовые домики. Автономный датчик с GSM модулем своевременно подаст сигнал о проникновении на мобильное устройство владельца, при этом абонент может находиться где угодно. Единственным условием является наличие устойчивой мобильной связи.
Автономный инфракрасный датчик движения в дежурном режиме потребляет крайне мало энергии, потребление которой возрастает только в момент срабатывания и передачи SMS сообщения. Поэтому современные литиевые источники питания способны обеспечить нормальное функционирование устройства в течение продолжительного времени.





































