Скамья-трансформер: конструкция и принцип работы
Волшебное преображение садовой скамейки становится возможным благодаря тому, что спинка переворачивается и становится столешницей, а сиденье разделяется на две отдельные лавки. Это несложно заметить, если сравнить вид скамьи-трансформера в собранном и разобранном состоянии.

Готовиться к посиделкам в саду стоит уже с ранней весны
Обратите внимание: для трансформации не нужны сложные покупные механизмы, достаточно точно сделать шарнирные соединения в 4-х точках конструкции. При этом оба варианта изделия получаются устойчивыми, надёжными и удобными. Поскольку в садовой мебели не применяются дополнительные амортизаторы и вспомогательные пружины, для её преображения придётся приложить некоторые усилия
Взрослый человек может в одиночку разложить трансформер за 5–10 секунд, но ребёнку это будет не под силу
Поскольку в садовой мебели не применяются дополнительные амортизаторы и вспомогательные пружины, для её преображения придётся приложить некоторые усилия. Взрослый человек может в одиночку разложить трансформер за 5–10 секунд, но ребёнку это будет не под силу.

Подробный чертёж трансформера с подробным указанием размеров
При изготовлении трансформера очень важно точно соблюсти все пропорции и расстояния, иначе детали могут задевать друг друга при раскладывании, оказаться неустойчивыми, или оставлять слишком мало места для комфортной посадки людей. Поэтому если у вас нет опыта в конструировании мебели, рекомендуем пользоваться готовыми чертежами. Зато с дизайном можно поэкспериментировать
Например, использовать цельные столешницы из фанеры/мебельного щита, окрасить древесину в различные оттенки, тонировать мебель морилкой и т. д
Зато с дизайном можно поэкспериментировать. Например, использовать цельные столешницы из фанеры/мебельного щита, окрасить древесину в различные оттенки, тонировать мебель морилкой и т. д.
Подготовительный этап работ
Процесс изготовления кухонного или журнального стола-трансформера для гостиной начинается с создания каркаса, для которого выбирают мягкую древесину. Это может быть сосна, ель и дерево других хвойных пород. Однако если положиться на опыт искушенных домашних мастеров, то лучшим вариантом является липа. Главной причиной такого выбора следует назвать простоту в обработке древесины, а также длительный срок службы изготовленной из нее мебели.
Для создания столешницы стола-трансформера (фото ее позволит вам представить будущее изделие) чаще всего используют готовые деревянные мебельные щиты. Если же ваш уровень мастерства позволяет, то вы можете добавить ей крышку из пластмассы или алюминия. Подобная мебель с алюминиевой крышкой отлично подойдет для использования на даче. Однако для этого необязательно тратить время и силы, ведь можно сходить в магазин, занимающийся продажей товаров для изготовления и ремонта мебели, где в ассортименте обязательно отыщутся готовые металлические столешницы.
Вам придется подготовить не только материалы для изготовления каркаса обеденного стола трансформера, но и длинные мебельные петли. С их помощью вы сможете выполнить сборку раскладывающейся крышки. Лучше всего, если вы выберите петли из меди или латуни. Конечно, вам придется заплатить за них немного больше, чем за аналогичный крепеж, однако вы будете уверены, что они прослужат вам дольше.
Материалы для изготовления стола трансформера
Если вы относите себя к тем домашним мастерам, которые не привыкли использовать магазинные составляющие для самодельных поделок, то вам придется подготовить следующие материалы:
- Доска или готовый мебельный щит толщиной 2-2,5 см. Если вы решите не ограничиться использованием этого столика в качестве журнального и будете обедать за ним, то в качестве материала для столешницы можно использовать лист толстой фанеры. Если же вы изначально решили изготавливать обеденный стол, то вам следует использовать более прочные и надежные материалы.
- Материал для оформления кромки столешницы. Пару десятилетий назад для этих целей применяли полосы из тонкой фанеры или тонкий шпон. Сегодня же каждому домашнему мастеру доступна более усовершенствованная деталь, называемая пластиковым кантом, которую вам не составит труда установить самостоятельно.
- Брус или мебельный щит для ножек стола. Чтобы не ошибиться с выбором материала обеденного стола трансформера для гостиной, ориентируйтесь на модель мебели, которую вы собираетесь изготавливать. Для изготовления ножек вы можете использовать подручные материалы, например, металлическую трубу или уголки.
- Несущие шины. Конечно, вы можете сделать их своими руками, но вы сэкономите массу времени, если купить готовые. Сегодня многие магазины предлагают шины из древесины и металла, которыми можно оснастить трансформирующуюся мебель. Причем часто они предусматривают все необходимые крепежи, поэтому вам не придется тратить дополнительные деньги и время на их поиски.
Для крепления деталей вам придется подготовить гвозди и саморезы, хотя разрешается использовать и более современный вариант — евроболты. Для мебели, которая будет эксплуатироваться на улице, рекомендуется использовать в дополнение к крепежу специальные пластиковые заглушки.
Необходимые инструменты
Чтобы выполнить эту работу быстро и качественно, вам придется подготовить набор следующих инструментов:
- Ножовка;
- Рубанок;
- Электродрель в комплекте со сверлами, предназначенными для работы по дереву;
- Шлифовальная машина, вместо которой можно использовать специальную насадку для шлифовки.
- Комплект наждачной бумаги разной степени зернистости.
Также вам понадобятся инструменты для измерения. Поэтому подготовьте сантиметровую линейку, строительную рулетку и угольник. Чтобы выполнить требование по горизонтальности столешницы, у вас должен быть в наличии строительный уровень.
Как можно сделать откидную столешницу своими руками
Поскольку нет однозначного понимания того, что значит «откидная столешница», «откидной столик», выделим три возможных варианта:
1.Поднятие висящей столешницы верх по типу стола-книжки.
2.Откидывание столешницы вниз по типу секретерной дверцы.
3.Откидная настенная столешница с ножками.
4.Откидывание столешницы верх для возможности прохода в конструкции прилавков и стоек ресепшн.
Рассмотрим нюансы при реализации каждого варианта.
Первый вариант откидного столика для балкона, кухни и другого малогабаритного помещения
По сути, откидной столик такой конструкции представляет собой половинку раскладного стола-книжки, которая жестко закреплена к стене. В «собранном» виде столешница свободно висит, в «разобранном» — упирается на косынку или кронштейн. Проще всего показать механизм на примере откидного столика Икеа Норберг.
Пожалуй, это незаменимый вариант настенного откидного столика при обустройстве обеденной зоны на малогабаритной кухне или дополнительной рабочей поверхности на балконе, в коридоре, любом другом узком помещении.
В конструкции такого откидного столика практически всегда есть «база», ширина которой во многом определяется сложенной конструкцией упора. Им может служить «косынка», собранная из бруса.
Или готовый консольный кронштейн с защелкой.
Как правило, достаточно «базы» глубиной 100-120мм, чтобы упор любой конструкции под ним свободно складывался. Иногда ее делают шире, чтобы в сложенном виде столик исполнял роль обычной навесной полки.
Есть и другие варианты реализации, как и в раскладных столах книжках. Условно их можно разделить на две группы: с одним центральным упором, с двумя упорами по бокам откидной столешницы.
При этом сам упор может быть коротким, для небольших столешниц глубиной 300-350мм (вместе с базовой стационарной полкой глубина разложенного столика будет составлять 400-500мм).
Либо представлять собой полноценную складную ножку до пола, если есть потребность в более устойчивом и стабильном рабочем месте глубиной 500-800мм.
стол книжка с ящиками или полкой своими руками
Второй вариант откидного столика секретер в навесных полках и шкафах
Чуть реже в быту можно встретить реализацию откидной столешницы, которая одновременно с этим служит фасадом шкафа или настенной полки.
Подобный механизм откидывания обычно называют «барным», с советских времен так обычно открывалась центральная застекленная секция стенки в гостиной, которую отводили под «бар» и выставку хрусталя. Если заглянуть в дальнее прошлое, то часть шкафа с подобным механизмом называли секретер, а откидной столик фиксировался на специальных упорах.
Или держался за счет кронштейнов, врезанных в торец откидного столика.
Это более долговечный вариант крепления, если сравнивать с простыми барными ограничителями, которые легко «вырвет» из столешницы, стоит на нее чуть опереться.
Поэтому при выборе оптимального кронштейна всегда нужно иметь в виду, что откидные механизмы для фасадов вряд ли подойдут для установки на откидную столешницу, поскольку рассчитаны только на удержание веса самого фасада. Поэтому нужно выбирать специальные комплектующие (они стоят намного дороже), либо предусматривать дополнительные упоры, которые снизят нагрузку на механизм.
Например, придать устойчивость и стабильность откидной столешнице можно за счет удлинения по глубине с захватом под корпус. Тут будет работать «плечо» противовеса: чем больше вы будете давить на столешницу, тем сильнее она будет упираться в корпус.
Третий вариант – откидной столик «картина»
Сейчас очень популярен вариант, когда откидной столик опирается на полноценные «ноги», висящие вдоль «фасада» в собранном виде. Подобный механизм раскладывания можно встретить в так называемых откидных столиках «картинах».
В самых простейших вариациях откидной столик проектируется без шкафа.
Но тут есть несколько подводных камней:
- Во-первых, крепеж к стене на карточную петлю будет виден и не всегда возможен.
- Во-вторых, крепить ножку лучше под столешницу, чтобы она служила дополнительным упором. Тогда в сложенном виде образуется «ступенька».
- В-третьих, длина столешницы должна быть соразмерна высоте стола, иначе «картина» будет выглядеть несколько странно на стене. А это не всегда возможно в малогабаритных пространствах.
Поэтому лучше всего сделать откидную столешницу своими руками как часть шкафа или навесной полки. Это позволит регулировать и длину стола, и снизить нагрузку на крепеж, и более интересно обыграть сложенную конструкцию, чтобы она была незаметна и эстетична.
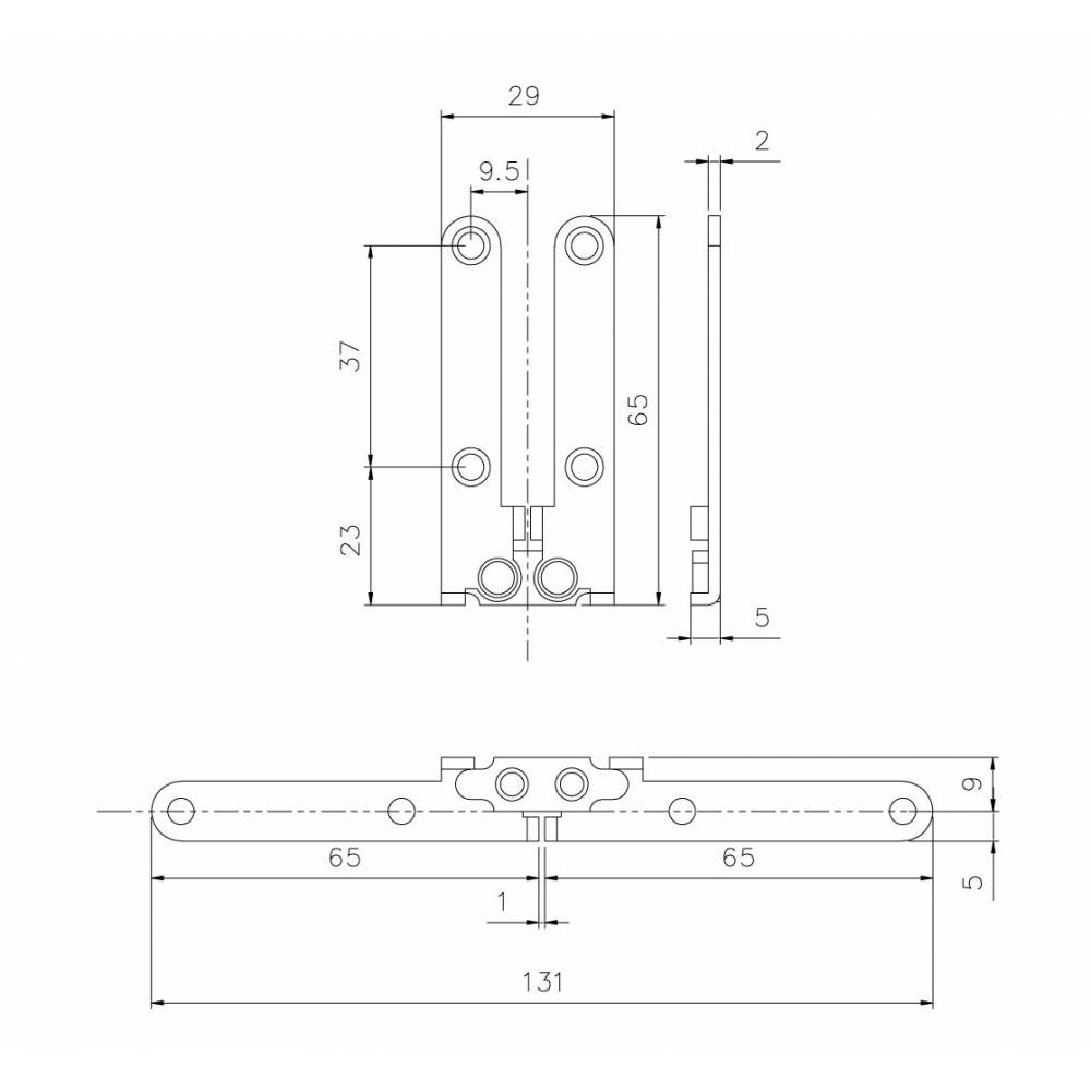
Ломберные петли
В продаже Вы можете встретить, в основном, |
Цилиндрические ломберные петли
Цилиндрические ломберные петли выполнены из
металла желтого цвета и выглядят в виде двух
цилиндров, связанных друг с другом крепежом,
который складывается при раскрытии столешниц
стола трансформера. Такие петли выпускают
разного диаметра и подбираются в зависимости от
толщины столешниц. Чем толще столешницы, тем
большего диаметра выбирайте петли.
![]() |
|---|
| Рис. 1 Цилиндрическая ломберная петля |
![]() |
|---|
| Рис. 2 Выбор цилиндрических петель в зависимости от толщины столешниц. Кроме того, на схеме показаны монтажные размеры |
Некоторые производители выбирают именно
цилиндрические ломберные петли, потому что они
относительно просты в монтаже, ведь достаточно
засверлить отверстия в торцах обоих столешниц.
Кроме того, при раскладывании столешниц мы не
видим эти петли, а только тогда, когда
столешницы сложены.
У цилиндрических петель есть минус – в случае
неловкого складывания столешниц возможен их
перекос, в результате чего ломаются соединения
петель между собой, а также выпадение самих
петель из мест установки. Поэтому цилиндрические петли лучше
применять для обеденных столов, в которых
складывается средняя вставка стола и там нет
больших нагрузок.
Ломберная
петля SHX-0128
Есть ещё вариант петлей для складных
столешниц, схожий по принципу монтажа с
цилиндрическими. Называется эта
фурнитура петлёй скрытого монтажа. Она более
мощная и надежная, но требует сложной фрезеровки
для монтажа.
![]() |
|---|
| Рис. 3 Ломберная петля SHX-0128 для скрытого монтажа |
![]() |
|---|
| Рис. 4 Монтажные размеры петли SHX-0128 для скрытого монтажа |
Плоские
ломберные петли
Плоские петли Вы вряд ли увидите на столах
трансформерах, скорей всего в какой-нибудь
недорогой и непритязательной мебели. А всё дело во
внешнем виде петель и накладном варианте их монтажа. Всё
это, в результате, будет выглядеть непрофессионально, хотя
петли весьма надежны.
![]() |
|---|
| Рис. 5 Плоская ломберная петля |
![]() |
|---|
| Рис. 6 Монтажные размеры плоской ломберной петли |
![]() |
|---|
| Рис. 7 Вот так выглядят плоские ломберные петли на столешнице в сложенном состоянии |
Подготовка к сборке
Инструкция по сборке стола для кухни проста. Первый этап – подготовительный. Он начинается с определения размеров. Для начала нужно решить, на какое количество человек будет рассчитан стол. Одно посадочное место составляет около 60 см. Таким образом, длина стола на 4 человек будет около 1,2 м. Ширина зависит от площади кухни. Для небольших помещений она может составлять 75-80 см.
У профессиональных сборщиков схема сборки кухонной мебели, включая столы, будет зависеть от типа конструкции. Проще и быстрее работать с готовыми мебельными опорами. В этом случае вся работа будет состоять из проставления меток под крепеж и монтажа. Лучше всего использовать регулируемые ножки. Такие опоры можно выставить на нужную высоту после выравнивания столешницы по уровню. Подобные ножки подходят тем, у кого неровный пол. Кроме того, вы можете сделать стол на двух подпорках. Они продаются в магазинах мебельной фурнитуры.
Как правильно собрать все компоненты
На срок службы влияет не только качество материалов, из которых сделаны детали изделия, но еще и аккуратность, а также правильность проведения процедуры монтажа.
Следуйте инструкции при сборке стола.
Строгое придерживание всех условий и очередности работ, применение правильных крепежных деталей поможет создать качественный предмет интерьера, который будет служить долго и на радость хозяевам.
Схемы и компоненты
Важным фактором в работе по сборке стола трансформера является строгое придерживание полученной схемы. Она четко рассказывает с наглядными примерами какая деталь как должна быть прикреплена с наглядными примерами, как это должно выглядеть по завершению каждого этапа работ.
По чертежу легче осуществлять сборку мебели.
Вторая важная деталь — это компоненты. Перед стартом нужно проверить и пересчитать число всех деталей и сверить с тем количеством, которое прописано в схеме для изделия. Отсутствие хотя-бы мелкого элемента может поставить под сомнение возможность сборки конструкции и ее полноценного функционирования.
Инструкция по сборке стола
Каждый стол трансформер имеет свои особенности, механизм трансформации и количество элементов.
Следуйте советам специалистов при сборке стола.
Однако есть то, что объединяет инструкции каждой модели, а именно:
- придерживание правильной последовательности работ;
- аккуратное выполнение каждой операции;
- тщательное крепление всех деталей.
Процесс трансформации стола из журнального в стол для приема гостей.
Журанального
Для сборки стола трансформера журнального обеденного понадобиться инструкция по сборке, а также полный набор всех деталей и элементов. После чего каждая деталь соединяется в правильной последовательности.
Журнальный столик трансформируется в обеденный стол.
На выходе получается готовый предмет интерьера.
Обеденного
Благодаря такому виду мебели, как трансформаторы, в две секунды компактный журнальный столик может превратиться в обеденный стол на несколько персон, специальный механизм, позволяет раскрыть спрятанные в основу две части большой столешницы, а также сделать изделие значительно выше.
В маленьких квартирах важно наличие мебели-трансформеров. Собранный стол будет служить своим хозяевам долго
Для того, чтобы спустя время с ним не было проблем, необходимо с определенной периодичностью (примерно раз в год) подкручивать соединительные элементы и проводить чистку поверхности. Для этого может быть использована, как обычная тряпка, так и специальный полироль
Собранный стол будет служить своим хозяевам долго. Для того, чтобы спустя время с ним не было проблем, необходимо с определенной периодичностью (примерно раз в год) подкручивать соединительные элементы и проводить чистку поверхности. Для этого может быть использована, как обычная тряпка, так и специальный полироль.
Раскладной стол трансформер
Предыдущий вариант, конечно, не единственно возможный механизм. Стол для кухни может быть и раздвижным. Когда небольшой стол путем нехитрых манипуляций раздвигается до больших размеров.
Чтобы сделать раздвижной кухонный стол своими руками чертежи обязательно понадобятся. Их можно найти в интернете или в журналах (кто привык к бумажным источникам). Те, которые мы предлагаем, позволят создать стол со столешницей в собранном виде 700х1200 мм, а в разобранном — 700х1670 мм.
Материалы и инструменты для стола своими руками:
- ЛДСП;
- уголок 50х50 (алюминиевый) 4 шт.;
- направляющие 2 шт.;
- ножки (из металла) 4 шт., достаточно крепких, чтобы выдержать большой обеденный стол;
- 6 замочков(далее будет описано);
- винт (10 мм);
- саморезы 20х4 и 16х3.
- термопистолет для приклеивания кромки, но можно использовать и утюг;
- дрель;
- электролобзик;
- фрезер;
- уровень, рулетка и прочее.
- Перед тем как сделать раскладной стол подготовьте необходимые детали в соответствии с подготовленными чертежами. Заготовки следует выпилить и кромковать.
- Следующим этапом подготовим подвижной механизм. Для начала с внешней стороны уголка начертите линию, делящую его сторону ровно пополам. Такая линия понадобится на всех уголках.
- С помощью направляющей отметьте места скрепления уголков и направляющей.
- Просверлите необходимые отверстия.
- Скрепляем конструкцию из двух уголков и направляющей болтами.
- Уложите получившиеся конструкции перед собой подвижными частями направляющих внутрь. Теперь необходимо просверлить по 4 отверстия, в подвижных частях направляющей с внешней стороны, а в неподвижных — с внутренней.
- Заготовки столешницы разместите на столе лицевой стороной от себя, тщательно выровняв края. Полученные механизмы укладываете сверху подвижной частью внутрь и совместив их центры со стыком столешниц стола трансформера.
- Механизм прикрутите саморезами следующим образом: подвижную часть к одной части столешницы, а неподвижную — к другой.
- Прикрутите замочки, соединяя края столешниц.
- Разведите столешницы, разместите между ними вставку и прикрутите к ней недостающие части замочков. Должно получиться так, чтобы замочки закрылись без вставки и со вставкой.
- Осталось прикрутить ножки и стол трансформер своими руками готов.
Наверное, вас заинтересует вопрос, как сделать стол трансформер округлой формы. Здесь все зависит от подготовленных чертежей и ваших пожеланий. Например, можно сделать круглый раздвижной стол на основе того же механизма, что и в предыдущем варианте.
Но могут быть и другие более сложные варианты.
В общем, круглый стол трансформер идеально впишется в интерьер городской квартиры, а такой стол из дерева станет идеальным дополнением гостиной загородного дома.
Виды столов
Такую мебель принято подразделять на подтипы, которые зависят от механизма ее раскладывания:
- Когда используются вставки. Данный вариант считается распространенным. В журнальный столик встраивается столешница, которая раскладывается по направляющим во время трансформирования. Вставочные части могут быть
помещены в центре или по краям.
- Когда используется автоматический механизм. У таких столов, как правило, одна или две дополнительные поверхности, которые располагаются под столешницей. Если начать двигать основную часть, то автоматически начинают двигаться добавочные. Раскладываться такие столы могут несколькими способами, к тому же у них могут быть либо газлифты, либо пружины.
- Когда имеется двойное раскладывание. У такого столика две поверхности, которые наложены друг на друга. Для того чтобы разложить такой предмет, достаточно поднять верхнюю ее часть.
- Поворотные столики. Данный вариант является довольно интересным. Особенностью такого стола считается то, что при развороте, его столешницы не образовывают сплошную поверхность. Чтобы создать такой столик, используют специальные направляющие.
Откидная кровать-стол
Идеальным вариантом для экономии места в маленькой спальне или в детской станет откидная кровать-стол. Самостоятельно сделать такую конструкцию сможет не каждый, но постараться-то можно.
Тем более есть шанс модернизировать фабричную откидную кровать-полку или кровать-шкаф. Тем не менее, есть масса моделей, которые представляют собой настоящий комплекс, в который входят кровать, система полок шкафчиков, стол.

При этом вся конструкция довольно быстро трансформируется в спальный или в рабочий отсек.
Есть модели попроще, в которых столешницей служит подставка под матрас. Такая конструкция напоминает обычный раскладной диван. В разобранном виде она ничем не отличается от дивана или кровати, а с поднятым каркасом матраса представляет собой компактный стол.
Какую форму столешницы выбрать?
Важно еще на этапе проектировки стола определиться с формой столешницы, которая подойдет под конкретный тип помещения. Мы рассмотрим подробнее самые распространенные варианты
Таблица 2. Формы столешниц для раздвижного стола.
| Форма, иллюстрация | Описание |
Квадратная | В собранном виде такие изделия могут быть миниатюрными или большими — это будет зависеть от размеров кухни, столовой. За раздвижным столом могут поместиться от 6 до 8 человек. Из минусов можно выделить лишь то, что из-за наличия всех четырех ножек в торце можно усадить только одного человека, а это не всегда удобно. |
Прямоугольная | Стол подобного типа можно установить как в небольшом, так и в крупногабаритном помещении, за ним можно разместить до 12 человек. Такую столешницу следует выбирать большим семьям, либо тем хозяевам, которые часто приглашают в гости большую компанию. |
Круглая | Это довольно необычная форма для раздвижного стола. Такая конструкция тоже подойдет для помещения различных габаритов — из-за отсутствия углов стол не будет занимать слишком много свободного места, и благодаря такой особенности его можно будет перемещать по комнате при необходимости. Кроме того, подобная модель идеально подойдет для квартиры, в которой живут маленькие дети, потому что сводится к минимуму риск получить травму, ударившись об острый угол. В собранном виде диаметр такой столешницы составляет около 90-110 сантиметров. В разложенном виде конструкция становится овальной. |
Восьмиугольная | Это необычный вариант столешницы раздвижного стола. Изготавливать подобную конструкцию сложнее, поэтому начинающим мастерам лучше ее не выбирать. Тем не менее, готовый стол получиться очень функциональным. В собранном виде он вмещает шесть-восемь человек, в разобранном – вдвое больше. Это отличный вариант для большой семьи, в которой принято завтракать в разное время, а ужинать – всем вместе, за большим столом. |
Видео
https://youtube.com/watch?v=D3Vaudk4ISU
http://nashprorab.com/otkidnoy-stol-svoimi-rukami/
https://usamodelkina.ru/8158-otkidnoy-stol-s-krepleniem-k-stene-svoimi-rukami.html
https://sam.mirtesen.ru/blog/43712577860/prev
https://habr.com/post/152795/
https://sdelaysam-svoimirukami.ru/3708-otkidnoy-stol.html
http://samodelki.org/otkidnoj-stol-s-krepleniem-k-stene/
https://1pomebeli.ru/kuhnya/otkidnoj-stolik-svoimi-rukami.html
Трансформер кровать-стол своими руками.
Достаточно давно увидел видео, на котором показано, как самому можно из фанеры изготовить, незаменимую для маленьких квартир, мебель – трансформер кровать-стол. Идея очень понравилась, но никак не доходили руки. Вот это видео:
Согласитесь, замечательная идея! И достаточно простая на первый взгляд реализация. Прям бери и делай.
Начал искать дополнительную информацию о этой кровати. Нашел еще и такое видео – тут записан процесс создания этой кровати в SketchUp.
Но автор этого видео – халтурщик))) Это я понял потом, когда решил прорисовать в SketchUp эту кровать сам.
Так же я понял, что и в оригинальном видео присутствуют ошибки. Причем как в изначальных размерах, так и при обработке видео. Толщины шайб, зазоры между деталями вообще не учтены. Так же непонятно как выбрано место установки планки, которая фиксирует горизонтальное положение столешницы в процессе преобразования мебели из стола в кровать и обратно.
В общем, все эти вопросы пришлось решать заново.
Несколько слов о конструкции. Изделие состоит из двух частей. Первая часть это каркас-рама. Кстати, на его основе можно приделать к данному изделию еще полноценный шкаф или второй ярус. Вторая часть в свою очередь состоит из двух частей – каркас кровати и столешница стола. Они соединены между собой таким образом, что независимо от положения каркаса кровати, столешница всегда в горизонтальном(или почти горизонтальном) положении. Трансформация из одного состояния в другое происходит вращением(подъемом) каркаса кровати. Когда каркас кровати в горизонтальном положении – получается кровать. Если его поднять(повернуть) в вертикальное положение – спальное место прячется, а столешница поднимается с уровня пола в рабочее положение – получается стол.















































